题目列表(包括答案和解析)

 0  167828  167836  167842  167846  167852  167854  167858  167864  167866  167872  167878  167882  167884  167888  167894  167896  167902  167906  167908  167912  167914  167918  167920  167922  167923  167924  167926  167927  167928  167930  167932  167936  167938  167942  167944  167948  167954  167956  167962  167966  167968  167972  167978  167984  167986  167992  167996  167998  168004  168008  168014  168022  447348 

13.如图5所示金属杆ab的质量m=5×10-3Kg,放在宽为L=1m、水平光滑的两平行金属导轨的一端上,离地的高度h=0.8m。电源电动势E=16V,电容器电容C=200μF,磁感应强度B=0.5T,方向竖直向上。开关S先扳向1,然后扳向2,杆ab被抛到地面上离抛出位置的水平距离S=6.4×10-2m处。求杆ab被抛出后电容器所带的电量。

试题详情

12.如右图所示,电源电动势,内阻为,竖直导轨上滑接一段质量为,电阻为R,长度为L的金属导体PQ,PQ与导轨间的最大静摩擦力为,为了使导体PQ能静止于导轨上,在导轨平面内加一个方向垂直纸面向里的匀强磁场,求此磁场磁感应强度大小的范围。(已知F<mg,导轨电阻不计)

 

试题详情

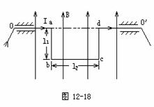
11.如图12-18所示,一细导体杆弯成四个拐角均为直角

的平面折线,其ab、cd段长度均为l1,bc段长度为l2.

弯杆位于竖直平面内,oa、do'段由轴承支撑沿水平放置.

整个弯杆置于匀强磁场中,磁场方向竖直向上,磁感强度为B.

今在导体杆中沿abcd通以大小为I的电流,此时导体杆受到

的安培力对OO′轴的力矩大小等于____________.

试题详情

10.一根长l=0.2m的导线放在倾角α=37°的光滑斜面上,两端用软导线

相连并通以I=5A电流,方向如图12-17所示,当加入一个磁感强度B=0.6T,

竖直向上的匀强磁场后,导线恰能平衡在斜面上不下滑,则导线的重力G=____.

(已知sin37°=0.6,cos37°=0.8)

 

试题详情

9.如图12-16所示,放在马蹄形磁铁两极之间的导体棒ab,当通有

自b到a的电流时受到向右的安培力作用,则磁铁的上端是____极.

如磁铁上端是S极,导体棒中的电流方向自a到b,则导体棒受到

的安培力方向向____.

 

试题详情

8.如右图所示,金属细棒长为,质量为,以两根相同轻弹簧吊放在水平方向的匀强磁场中。弹簧的倔强系数为,磁场的磁感应强度为。棒中通有稳恒电流,棒处于平衡,并且弹簧的弹力恰好为零。则电流强度是       安培,电流方向是   

试题详情

7.如右图所示,两条光滑的金属导轨互相平行,它们所在平面跟水平面成30°角,匀强磁场竖直向上穿过导轨平面。此时在导轨上水平置一根重为0.1牛的金属杆,已知磁感应强度特斯拉,导轨间距离米。导轨两端与电源、电阻欧姆组成电路,则组成电路的电源电动势等于       伏特时,杆将在导轨上保持静止,设电源内阻和导轨及杆的电阻均略去不计。

试题详情

6.在倾角为30°的斜面上,水平放置一根20厘米长的铜棍,将其两端用软导线与电源联接,使其中有右图所示方向的2安培的电流,如空间存在有竖直向上的、磁感应强度为 0.4特斯拉的匀强磁场,则受的磁场力的大小为                 ,方向是         

试题详情

5.如图所示,原来静止的圆形线圈通以逆时针方向的电流I,

在其直径AB上靠近B点放一根垂直于线圈平面的、固定不动

的长直导线,通以垂直平面向里的电流I′,在磁场作用下圆

线圈将  [   ]

A.向左平动;

B.向右平动

C.以直线AB为轴转动;

D.静止不动

试题详情

4.将长1米的导线ac,从中点b折成图中所示形状,

放于B=0.08特的匀强磁场中,abc平面与磁场垂直.若在

导线abc中通入25安的直流电,则整个导线所受安培力的

大小为[   ]

A.2.0牛    B.1.0牛   C.  D.   

试题详情


同步练习册答案