相关习题
 0  60645  60653  60659  60663  60669  60671  60675  60681  60683  60689  60695  60699  60701  60705  60711  60713  60719  60723  60725  60729  60731  60735  60737  60739  60740  60741  60743  60744  60745  60747  60749  60753  60755  60759  60761  60765  60771  60773  60779  60783  60785  60789  60795  60801  60803  60809  60813  60815  60821  60825  60831  60839  211419 

科目: 来源:2011届江苏省南京市鼓楼区初三第一次模拟考试化学试卷 题型:推断题

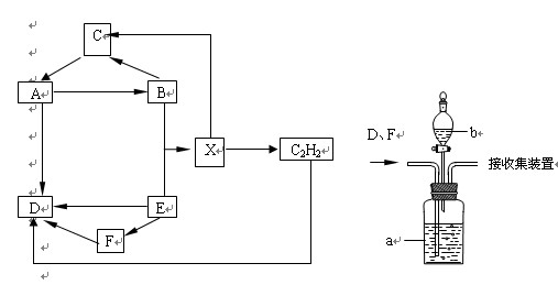
(4分)已知A、B、C三种固体含有同种金属元素,A难溶于水,B是一种氧化物,可作干燥剂。D、E、F含有同种非金属元素,E是常见的固体单质,D、F通常状况下为气体。它们的转化关系如下图(部分产物已略去)。(信息:X+2H2O =Ca(OH)2 + C2H2↑)

(1)写出X物质的化学式:             
(2)写出C→A的化学方程式: ____________________________________。
(3)实验室若分离由D和F组成的混合气体,如采用上图装置,则a中应盛有           
(填写试剂名称,下同),b中应盛有       ▲     

查看答案和解析>>

科目: 来源:2011届江苏省无锡市前洲中学初三下学期期中联考化学试卷 题型:推断题

下图是小刚同学提纯粗盐(含杂质泥沙),并配置NaCl溶液的过程,请回答:

(1)步骤①中称取10.0g粗盐,将该粗盐逐渐加入盛有20mL水的烧杯中,边加边用玻璃棒搅拌,到粗盐不再溶解为止,称得剩余粗盐为2.0g,该操作中玻璃棒的作用是                    
(2)步骤③中应该何时停止加热?                    
(3)计算产率:最终得到NaCl晶体5.6g,该实验精盐的产率是         
(4)另一组同学的产率比小刚低,其原因可能是     (填序号);

A.称量最终的产品时,砝码和药品放反了
B.过滤后滤液仍然浑浊就蒸发结晶
C.过滤时未用玻璃棒引流,液体飞溅
D.没有蒸发干,精盐中仍然有水分
(5)现有10g10%的NaCl溶液,要使它的质量分数变为原来的2倍,需加入上述提纯后的NaCl晶体      g。

查看答案和解析>>

科目: 来源:2011届江苏省镇江市市属学校初中毕业升学模拟考试化学试卷(一模) 题型:推断题

有一包粉末,可能由KCl、K2SO4、K2CO3、CuCl2、MgCl2中的一种或几种物质组成。现做如下实验:
实验一:取少量粉末,加水溶解后得到无色透明溶液①。
实验二:取①溶液少许,加入氢氧化钠溶液后看不到明显现象。
实验三:另取①溶液少许,加入适量氯化钡溶液后出现白色沉淀。过滤后得到滤液②,在沉淀中加入适量稀硝酸,沉淀全部溶解。
实验四:取滤液②少许,滴加少量硝酸银溶液出现白色沉淀,在沉淀中加入足量稀硝酸,沉淀不溶解。
根据以上实验,请回答:
(1)原粉末中一定没有______________________________,一定有__________________。
(2)原粉末中可能有_______________________,为了验证可能含有的成分是否存在,请你设计实验证明:

操   作
现     象
结  论
 
 
 
 

查看答案和解析>>

科目: 来源:2011届广东省佛山市盐步中学初三下学期第九周模拟考化学试卷 题型:推断题

A~J分别为九年级化学学过的不同纯净物,它们存在右下图所示的转化关系。已知A为铁锈的主要成分,E在常温下为无色液体,H的溶液呈蓝色,常温下B、D、F、J均为无色气体,其中J能使湿润的红色石蕊试纸变蓝。(反应②、④的个别生成物已略去)

(1)写出化学式:E__________,J__________。
(2)化合物W的组成元素是:___________________。
(3)写出反应①的化学方程式:______________________________________。

查看答案和解析>>

科目: 来源:2011届苏州市高新区初三上学期期末调研测试化学试卷 题型:推断题

A~H都是初中化学中的常见物质,它们之间的转化关系如图14所示。A是天然气的主要成分,E为固体,是一种常见的食品干燥剂。请回答:

(1) 写出A、B的化学式:A          ,B          
(2) 在物质的分类中,C属于           (填“酸”、“碱”、“盐”或“氧化物”)。
(3) 图中反应③的化学方程式为                                       
(4) 图中反应④的化学方程式为                                       

查看答案和解析>>

科目: 来源:2011届苏州市高新区初三上学期期末调研测试化学试卷 题型:推断题

A、B、C三种元素,A元素的单质是最清洁的燃料;B元素的单质能在C元素的单质中剧烈燃烧,火星四射,生成黑色固体;B元素的单质是目前世界上年产量最高的金属。写出A、B、C三种元素的名称 :A___________、B___________、C___________;写出B、C二种元素组成的一种化合物的化学式:____________。

查看答案和解析>>

科目: 来源:2011届江苏省泰州市初中毕业生学业考试化学模拟试卷(九) 题型:推断题

(6分)下图是初中化学中常见物质间的转化关系,其中,在通常情况下,F、G是组成元素相同的两种气体,B是可溶性碳酸盐,Q、R都是黑色固体(部分反应条件及部分产物略去),试回答下列问题:

(1)试推断D、G的化学式为:D______   G______.
(2)若E是生活中常用的调味品、防腐剂, 则C的化学式为_________,反应①的化学方程式为:
______________________________________
(3)反应⑤在工业上被广泛应用于金属的冶炼,若用氧化铁来冶炼铁,则发生的化学方程式为:
_____________________________________;
(4)反应①~⑤中没有涉及的基本反应类型是_______________________________.

查看答案和解析>>

科目: 来源:2011届江苏省泰州市初中毕业生学业考试化学模拟试卷(七) 题型:推断题

已知A~G七种物质都是初中化学课本中出现过的化合物,其中F是常用的建筑材料;H为常见的单质。各物质之间存在如下转化关系(反应条件如下图所示)。

(1)请写出物质A的化学式                    
上述蓝色溶液中的溶质有                                
(2)在①~⑥反应中属于化合反应的是                    (填序号)。
(3)上述转化过程中,有能够反映我国古代人民在化学方面对人类作出伟大贡献的变化。       请举出其中一例,用化学方程式表示                     

查看答案和解析>>

科目: 来源:2011届江苏省泰州市初中毕业生学业考试化学模拟试卷(五) 题型:推断题

A~J分别为初中化学学过的不同纯净物,它们存在下图所示的转化关系。已知A为赤铁矿的主要成分,E在常温下为无色液体,H的溶液呈蓝色,常温下B、D、F、J均为无色气体,其中J能使湿润的红色石蕊试纸变蓝。(反应②、④的个别生成物已略去)

(1)写出有关物质的化学式: J    ,W    ,I   
(2)写出反应①的化学方程式:   
(3)写出反应④的化学方程式:   

查看答案和解析>>

科目: 来源:2011届江苏省泰州市初中毕业生学业考试化学模拟试卷(四) 题型:推断题

下图是有关物质相互转化关系的示意图。其中A、C是氧化物,B能与氯化钡溶液反应生成难溶于硝酸的白色沉淀,E是Na2SO4溶液,F是一种红褐色沉淀,H是浅绿色溶液。

(1)A和甲的名称是                   
(2)D与丁的反应属于               (填反应类型)。
(3)写出下列反应的化学方程式:
①A与乙反应:                                        
②B与丙反应:                                        

查看答案和解析>>

同步练习册答案