相关习题
0 75291 75299 75305 75309 75315 75317 75321 75327 75329 75335 75341 75345 75347 75351 75357 75359 75365 75369 75371 75375 75377 75381 75383 75385 75386 75387 75389 75390 75391 75393 75395 75399 75401 75405 75407 75411 75417 75419 75425 75429 75431 75435 75441 75447 75449 75455 75459 75461 75467 75471 75477 75485 211419
科目:
来源:2009-2010学年江苏省无锡市北塘区九年级(上)期中化学试卷(解析版)
题型:填空题
熟练掌握化学用语是学好化学的基础.请用正确的数字和化学符号填空:
(1)氮元素
; (2)2个氧分子
; (3)3个氢氧根离子
;(4)由4个磷原子构成的分子
; (5)氧化铜中铜元素的化合价为+2价
;
(6)

与

两种离子形成的化合物的化学式是
.
查看答案和解析>>
科目:
来源:2009-2010学年江苏省无锡市北塘区九年级(上)期中化学试卷(解析版)
题型:填空题
水银是由 (填具体粒子的名称)构成的;保持水的化学性质的最小粒子是 ,在水通电分解反应中最小的粒子是 ;对于由分子构成的物质来说:发生物理变化和化学变化时的本质区别是 ,混合物和纯净物的本质区别是 .
查看答案和解析>>
科目:
来源:2009-2010学年江苏省无锡市北塘区九年级(上)期中化学试卷(解析版)
题型:填空题
选用合适物质的序号填空:①氧气 ②氮气 ③稀有气体 ④氢气 ⑤水
(1)可作火箭发射的燃料的是 ;(2)通电后会呈现不同颜色光的是 ;
(3)可用来炼钢的是 ;(4)属于氧化物的是 .
查看答案和解析>>
科目:
来源:2009-2010学年江苏省无锡市北塘区九年级(上)期中化学试卷(解析版)
题型:填空题
用化学反应符号表达式表示下列反应,并填空,反应类型指基本反应类型.
(1)硫在氧气中燃烧
,实验时常在集气瓶中放少量
以吸收生成的有害气体.
(2)水通电分解
,为检验正极产生的气体可用的方法是
,若正极产生气体的体积为x mL,则负极产生气体的体积为
mL.
(3)铁丝在氧气中燃烧
,实验前要将铁丝打磨光亮,目的是
.
(4)氢气在氯气中燃烧生成氯化氢
,该反应属
反应.
(5)实验室用氯酸钾和二氧化锰的混合物制取氧气
,该反应属
反应.该反应中,二氧化锰在固体混合物中的质量或质量分数符合下列图示的是
(填字母序号).

查看答案和解析>>
科目:
来源:2009-2010学年江苏省无锡市北塘区九年级(上)期中化学试卷(解析版)
题型:填空题
观察、比较与归纳是学习化学的重要方法,对于以下三个文字表达式:
①氢气+氧气

水 ②红磷+氧气

五氧化二磷
③石蜡+氧气

二氧化碳+水
(1)通过比较,发现它们有许多共同点;请你写出其中两点:
、
.
(2)以上化学反应也有一些不同之处,请你写出其中一个与另两个的一点不同之处:
.
查看答案和解析>>
科目:
来源:2009-2010学年江苏省无锡市北塘区九年级(上)期中化学试卷(解析版)
题型:解答题
有A、B、C、D四种元素,A元素的单质是一种淡黄色粉末,它在B元素的单质中燃烧发出蓝紫色火焰,C元素的单质是自然界最轻的气体,D元素的原子失去2个电子后与氖原子具有相同的电子层结构.试回答:A元素的名称______;B元素的符号______;D元素的离子符号______;由B、C两种元素组成化合物的化学式有______和______.
查看答案和解析>>
科目:
来源:2009-2010学年江苏省无锡市北塘区九年级(上)期中化学试卷(解析版)
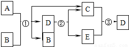
题型:解答题
A、B、C、D、E均为初中化学中的常见物质,其中A、D的组成元素相同,它们在一定条件下有如图所示的转化关系.

试写出反应①、③的化学反应符号表达式:
①______ O
2↑+2H
2O
查看答案和解析>>
科目:
来源:2009-2010学年江苏省无锡市北塘区九年级(上)期中化学试卷(解析版)
题型:解答题
请在下列①、②2小题中任选一题作答,若两题都作答则以第一题计分.
①日常生活中我们接触到的水有硬水和软水.请写出一种确定你某次使用的水是硬水还是软水的方法,要求有操作步骤、现象、结论.
②写出2种造成水污染的污染源,并写出一件你可以做到的、有利于防止水污染的事例.
查看答案和解析>>
科目:
来源:2009-2010学年江苏省无锡市北塘区九年级(上)期中化学试卷(解析版)
题型:解答题
根据下列装置图回答问题:

(1)写出标号仪器的名称:①______,②______,③______.
(2)若实验室用加热高锰酸钾来制取氧气,则该反应的符号表达式为______ K
2MnO
4+MnO
2+O
2↑
查看答案和解析>>
科目:
来源:2009-2010学年江苏省无锡市北塘区九年级(上)期中化学试卷(解析版)
题型:解答题
化学实验中,有很多实验操作步骤必须严格按要求进行,否则或实验失败或发生危险.例如,用酒精灯给试管中固体加热时,应该先对试管进行预热,过一会再固定在有药品部位加热,否则试管会因受热不均匀而炸裂.请你依照示例,填写下表中的空格:
| 必须遵循操作先后顺序的实验 | 先进行的操作 | 后进行的操作 |
| (1)制取氧气 | ______ | 再向容器中装药品 |
| (2)加热高锰酸钾制取氧气,并用排水法收集氧气结束时 | ______ | ______ |
| (3)______ | ______ | ______ |
查看答案和解析>>