精英家教网 > 初中物理 > 题目详情

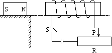
如图所示,当开关S闭合时,螺线管与左边始终静止的磁铁互相吸引.请在图中画出螺线管的绕线;当滑动变阻器的滑片P由左端向右端滑动时,左端磁铁所受的摩擦力将________(选填“变大”、“变小”或“不变”).

答案:
解析:

  如图所示

  变小


练习册系列答案
相关习题

科目:初中物理 来源: 题型:

(2013?达州)如图所示,电源电压保持12V不变,L是标有“12V 6W”的小灯泡,其电阻不随温度变化,R=20Ω.
(1)当S、S1闭合、S2断开,且P位于滑动变阻器R0的中点时,电流表示数为0.4A.求滑动变阻器R0的最大阻值.
(2)当S、S1、S2都闭合,且P位于a端时,求电流表的示数.
(3)要使电路中的总功率最小,请指出开关S、S1、S2的开闭情况和滑片P的位置,并求出此时的最小功率.

查看答案和解析>>

科目:初中物理 来源: 题型:

如图所示电路中,当开关S闭合后,灯泡L1和L2都不发光,若已经确定问题是由于其中某个灯泡断路引起的,在不允许拆开电路的情况下,请你利用一只电压表或一只导线接入电路中的a、b、c、d、e任意两点间,分别对故障进行分析判断,请把方法和判断结果填入下表中(每种限填写一种方法).
选用器材 方法(接在何处、开关开闭情况) 现象与结论
导线
用导线并联在b、c间
用导线并联在b、c间
如果灯L1发光,则灯L2断路,如果L1不发光,则灯L1断路
如果灯L1发光,则灯L2断路,如果L1不发光,则灯L1断路
电压表
把电压表并联在b、c间
把电压表并联在b、c间
如果电压表有示数,则灯L2断路,如果电压表没有示数,则灯L1断路
如果电压表有示数,则灯L2断路,如果电压表没有示数,则灯L1断路

查看答案和解析>>

科目:初中物理 来源:2013-2014学年广西北海市合浦县九年级上学期期中考试物理试卷(解析版) 题型:实验题

 在做“探究串联电路中的电压规律”实验时,有多个灯泡可供选择,小明把两只灯泡L1、L2串联起来接到电源上,如图所示。   

(1)当分别把电压表连接到图中AB两点、BC两点及AC两点时闭,闭合开关S后测得的数据是:UAB = 0,UBC = 12 V,UAC = 12 V,则该电路的故障可能是                   

(2)故障排除后,实验正常进行,通过测量得到了两组实验数据如下表:请分析两组数据,可得出结论为:

                                                                        

(3)本实验设计你认为有什么不合理或可以改进的地方吗?若有,请加以说明(若是电路改进则画出电路图)                                                                      

 

查看答案和解析>>

科目:初中物理 来源:2013年初中毕业升学考试(四川达州卷)物理(解析版) 题型:计算题

如图所示,电源电压保持12V不变,L是标有“12V 6W”的小灯泡,其电阻不随温度变化,R=20Ω.

(1)当S、S1闭合、S2断开,且P位于滑动变阻器R0的中点时,电流表示数为0.4A.求滑动变阻器R0的最大阻值.

(2)当S、S1、S2都闭合,且P位于a端时,求电流表的示数.

(3)要使电路中的总功率最小,请指出开关S、S1、S2的开闭情况和滑片P的位置,并求出此时的最小功率.

 

查看答案和解析>>

科目:初中物理 来源:2010-2011学年北师大附中上学期11月月考物理试题 题型:选择题

如图8所示的电路中,电源电压保持不变。当开关S断开,甲、乙两表为电流

表时,两表的示数之比I:I为3:5,则R1:R2=           ;为当开关S闭

合,甲、乙两表为电压表时,两表示数之比U:U=          

 

查看答案和解析>>

同步练习册答案