相关习题
0 75496 75504 75510 75514 75520 75522 75526 75532 75534 75540 75546 75550 75552 75556 75562 75564 75570 75574 75576 75580 75582 75586 75588 75590 75591 75592 75594 75595 75596 75598 75600 75604 75606 75610 75612 75616 75622 75624 75630 75634 75636 75640 75646 75652 75654 75660 75664 75666 75672 75676 75682 75690 235360
科目:
来源:新人教版九年级上册《第15章 电流和电路》2013年单元检测训练卷A(二)(解析版)
题型:选择题
某家庭有父母与子女共四人,他们想采用投票表决的方式决定周末是否要外出旅游.如果两个孩子都要去,而父母中只有一位要去,另一位愿留守在家中,那么他们就去旅游.为此他们设计了一架简易的投票机,由四个单刀双掷开关、一节电池、一只小灯泡组成一个电路,四人各操纵自己的开关,选择“是”或“否”,只要灯泡发光,就表示去旅游.则下列如图投票机电路正确的是( )
A.

B.

C.

D.

查看答案和解析>>
科目:
来源:新人教版九年级上册《第15章 电流和电路》2013年单元检测训练卷A(二)(解析版)
题型:填空题

2010年3月,国内最大的LED产业园落户芜湖,这是我市谋划“低碳发展”的重要举措.LED是一种发光二极管,因寿命长、光效高开始广泛用于照明,如图是LED灯的原理电路,请在图中标出电源的正极.一般单个LED亮度不能满足照明需要,常用数个LED
联组成LED灯,工作时灯内的数个LED彼此互不影响.
查看答案和解析>>
科目:
来源:新人教版九年级上册《第15章 电流和电路》2013年单元检测训练卷A(二)(解析版)
题型:填空题
夜幕降临,城镇道路两侧的树上和商店门前,彩灯五光十色,霓虹灯闪跃跳动,扮靓着城市,如图所示.
(1)多年前,当其中的一个彩灯损坏断路后,整串彩灯同时熄灭,说明彩灯间的连接是
联.
(2)用如图所示的小彩灯串联成串,一个彩灯熄灭后,其余依然明亮,但取走任一只灯,整串灯也会熄灭.原因是小彩灯正常发光时,电流从
通过,灯丝断裂时,电流能从
中通过(选填“灯丝”或“金属丝”).

查看答案和解析>>
科目:
来源:新人教版九年级上册《第15章 电流和电路》2013年单元检测训练卷A(二)(解析版)
题型:填空题

如图所示,是家用电冰箱及其部分电路图.冰箱压缩机由温控开关自动控制,冷藏室照明等由冰箱门联动开关控制.冰箱门关闭后,联动开关应该处于
状态,当冰箱里的温度升高到一定程度时,温控开关会自动
(选填“断开”或“闭合”).
查看答案和解析>>
科目:
来源:新人教版九年级上册《第15章 电流和电路》2013年单元检测训练卷A(二)(解析版)
题型:填空题

如图所示,若只需灯L
1发光,则需用导线只连接
接线柱;若只用导线连接B、C接线柱,则灯L
1、L
2 联;若使灯L
1、L
2并联,则接线柱A与B连接,接线柱C与
连接.
查看答案和解析>>
科目:
来源:新人教版九年级上册《第15章 电流和电路》2013年单元检测训练卷A(二)(解析版)
题型:填空题
如图所示,箭头表示接好电路时的电流方向,甲、乙、丙三处分别接有电源、电灯、电动机,根据电流方向判断,电源应接在
处.

查看答案和解析>>
科目:
来源:新人教版九年级上册《第15章 电流和电路》2013年单元检测训练卷A(二)(解析版)
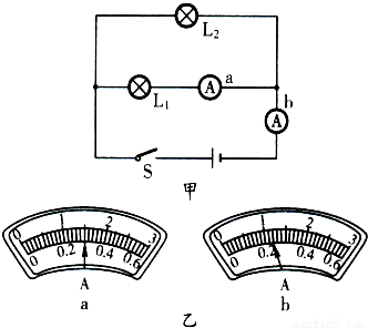
题型:填空题
如甲图电路,当开关s闭合后,电流表的指针偏转如乙图所示,其中a电流表测量的是通过
(选填“电源…”、“L
1”或“L
2”)的电流,b电流表的读数应为
安.

查看答案和解析>>
科目:
来源:新人教版九年级上册《第15章 电流和电路》2013年单元检测训练卷A(二)(解析版)
题型:填空题
如图所示,若闭合开关S,电路将
路(选填“开”、“短”或“通”).若要使电路中的两灯L
1和L
2串联,则应拆除导线
(选填“a”、“b”或“c”).若要使电路中的两灯L
1和L
2并联,则应改变导线
(选填“a”、“b”或“c”)的接法.

查看答案和解析>>
科目:
来源:新人教版九年级上册《第15章 电流和电路》2013年单元检测训练卷A(二)(解析版)
题型:填空题
如图所示,当开关S
1闭合,S
2断开时,电流表A的示数为0.24A,则通过灯L
1的电流是
A,通过灯L
2的电流是
A;当S
1和S
2都闭合时,电流表的示数为0.56A,则此时通过灯L
1电流为
A,通过灯L
2的电流为
A.

查看答案和解析>>
科目:
来源:新人教版九年级上册《第15章 电流和电路》2013年单元检测训练卷A(二)(解析版)
题型:解答题
根据图所示的电路图,用笔画线代替导线,连接实物电路(要求导线不能交叉).

查看答案和解析>>