相关习题
0 75638 75646 75652 75656 75662 75664 75668 75674 75676 75682 75688 75692 75694 75698 75704 75706 75712 75716 75718 75722 75724 75728 75730 75732 75733 75734 75736 75737 75738 75740 75742 75746 75748 75752 75754 75758 75764 75766 75772 75776 75778 75782 75788 75794 75796 75802 75806 75808 75814 75818 75824 75832 235360
科目:
来源:2010-2011学年江苏省苏州市立达中学九年级(上)期末物理试卷(解析版)
题型:选择题
如图所示,电路中打“×”处表示断路之处,若开关闭合后,用测电笔测试电路中a、b、c、d四点时,能使测电笔的氖管发光的点是( )

A.a
B.b
C.c
D.d
查看答案和解析>>
科目:
来源:2010-2011学年江苏省苏州市立达中学九年级(上)期末物理试卷(解析版)
题型:选择题
酒精测试仪可检测机动车驾驶员是否酒后驾车,如图是它的原理图.图中酒精气体传感器的电阻随酒精气体浓度的增大而减小,R
为定值电阻.如果测试时电压表示数越大,表明 ( )

A.传感器的电阻越大
B.通过传感器的电流越小
C.测试到的酒精气体浓度越小
D.测试到的酒精气体浓度越大
查看答案和解析>>
科目:
来源:2010-2011学年江苏省苏州市立达中学九年级(上)期末物理试卷(解析版)
题型:选择题
关于内能,下列说法中正确的是( )
A.温度低于0℃的物体不具有内能
B.物体具有内能,也可以同时具有机械能
C.具有机械能的物体不一定具有内能
D.温度相同的物体,其内能的大小也相等
查看答案和解析>>
科目:
来源:2010-2011学年江苏省苏州市立达中学九年级(上)期末物理试卷(解析版)
题型:选择题
为保证司乘人员的安全,轿车上设有安全带未系提示系统,当乘客坐在座椅上时,座椅F的开关S
1闭合,若未系安全带(安全带控制开关S
2断开)仪表盘上的指示灯将亮起,当系上安全带时,安全带控制开关S
2闭合,指示灯熄灭,下列电路图设计最合理的是( )
A.

B.

C.

D.

查看答案和解析>>
科目:
来源:2010-2011学年江苏省苏州市立达中学九年级(上)期末物理试卷(解析版)
题型:选择题
关于“探究电流跟电阻的关系”和“伏安法测量电阻”两个实验,下列说法中正确的是( )
A.两个实验所采用的研究方法是相同的
B.两个实验多次测量的目的是相同的
C.两个实验的电路在课本中是相同的
D.两个实验中使用滑动变阻器的目的都是为了控制电阻两端电压不变
查看答案和解析>>
科目:
来源:2010-2011学年江苏省苏州市立达中学九年级(上)期末物理试卷(解析版)
题型:选择题
小红在做“用滑动变阻器改变电流”的实验时,连好如图所示的电路,将滑动变阻器的滑片滑到最大阻值处,闭合开关s,发现小灯泡L不亮.接下来,以下做法最合理的是( )

A.观察电流表的示数是否为零,判断电路是否断路
B.断开开关s,更换额定功率更大的灯泡重新实验
C.断开开关S,增加电池的个数重新实验
D.断开开关S,拆掉导线重新连接电路
查看答案和解析>>
科目:
来源:2010-2011学年江苏省苏州市立达中学九年级(上)期末物理试卷(解析版)
题型:选择题
关于磁体、磁场和磁感线,以下说法中正确的是( )
A.铁和铝都能够被磁体所吸引
B.磁感线是磁场中真实存在的曲线
C.磁体之间的相互作用是通过磁场发生的
D.小磁针的北极不论在任何情况下都指向地理的南极
查看答案和解析>>
科目:
来源:2010-2011学年江苏省苏州市立达中学九年级(上)期末物理试卷(解析版)
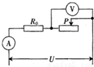
题型:选择题
如图所示,将滑动变阻器滑片P从某一位置移动到另一位置,则电压表的示数由8V变为6V,电流表示数相应由0.4A变为0.6A,那么定值电阻R
的电功率改变量为(不计温度对电阻的影响,电源电压保持不变)( )

A.12W
B.4W
C.8W
D.2W
查看答案和解析>>
科目:
来源:2010-2011学年江苏省苏州市立达中学九年级(上)期末物理试卷(解析版)
题型:填空题
汽车的发动机常用水做冷却剂,是因为水具有较大的 ,所以在相同条件下水能带走较多的热量,冷却效果好.发动机在工作时提供动力的是 冲程.
查看答案和解析>>
科目:
来源:2010-2011学年江苏省苏州市立达中学九年级(上)期末物理试卷(解析版)
题型:填空题
如图所示,用定滑轮和动滑轮分别将质量相同的甲、乙两物体匀速提升相同的高度,不计绳重与摩擦,且动滑轮重小于物重,使用甲图滑轮最大的优点是
;所用的拉力F
甲 F
乙(选填“>”、“<”或“=”).

查看答案和解析>>