相关习题
0 75795 75803 75809 75813 75819 75821 75825 75831 75833 75839 75845 75849 75851 75855 75861 75863 75869 75873 75875 75879 75881 75885 75887 75889 75890 75891 75893 75894 75895 75897 75899 75903 75905 75909 75911 75915 75921 75923 75929 75933 75935 75939 75945 75951 75953 75959 75963 75965 75971 75975 75981 75989 235360
科目:
来源:2012-2013学年重庆市渝中区巴蜀中学九年级(上)期末物理试卷(解析版)
题型:选择题
在探究串联电路和并联电路的电流、电压规律的实验中,在连接电路时,下列几点要求中没有必要的是( )
A.按照电路图连接电路的过程中,开关应该是断开的
B.必须从电池的正极开始依次连接开关S,灯泡L1和L2,最后连到电池负极
C.每处接线都必须接牢
D.连接完毕,对照电路图仔细检查电路,确认无误后再闭合开关
查看答案和解析>>
科目:
来源:2012-2013学年重庆市渝中区巴蜀中学九年级(上)期末物理试卷(解析版)
题型:选择题

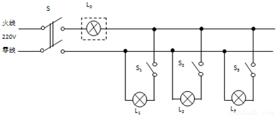
电工师傅常用一只标有“220V 40W”的灯泡L
(检验灯泡)取代保险丝来检查新安装的照明电路中每个支路的情况,如图所示.当只闭合S、S
1时L
不亮;当只闭合S、S
2时,L
和L
2都呈暗红色;当只闭合S、S
3时,L
正常发光.由此可以判断( )
A.L
1所在的支路短路
B.L
2所在的支路断路
C.L
3所在的支路短路
D.各支路均完好
查看答案和解析>>
科目:
来源:2012-2013学年重庆市渝中区巴蜀中学九年级(上)期末物理试卷(解析版)
题型:选择题
洋洋设计了一个自动测高仪,给出了四个电路,如图所示,R是定值电阻,R´是滑动变阻器.其中能够实现身高越低,电压表示数越小的电路是( )
A.

B.

C.

D.

查看答案和解析>>
科目:
来源:2012-2013学年重庆市渝中区巴蜀中学九年级(上)期末物理试卷(解析版)
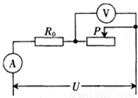
题型:选择题
如图所示,将滑动变阻器滑片P从某一位置移动到另一位置,则电压表的示数由8V变为6V,电流表示数相应由0.4A变为0.6A,那么定值电阻R
的电功率改变量为(不计温度对电阻的影响,电源电压保持不变)( )

A.12W
B.4W
C.8W
D.2W
查看答案和解析>>
科目:
来源:2012-2013学年重庆市渝中区巴蜀中学九年级(上)期末物理试卷(解析版)
题型:填空题
家庭电路触电事故有单线触电和双线触电两种,都是人体直接或间接跟 (选填“火线”或“零线”)接触造成的.对人体的安全电压是 V.
查看答案和解析>>
科目:
来源:2012-2013学年重庆市渝中区巴蜀中学九年级(上)期末物理试卷(解析版)
题型:填空题
我国上海市龙阳路至浦东机场的磁悬浮列车最高速度达431km/h.磁悬浮列车是利用 (选填“同名”或“异名”)磁极的相互排斥来实现列车悬浮的,信鸽具有卓越的航行本领,它能从2000Km以外的地方飞回家里,鸽子在飞行时是靠 来导航的.
查看答案和解析>>
科目:
来源:2012-2013学年重庆市渝中区巴蜀中学九年级(上)期末物理试卷(解析版)
题型:填空题
通电螺线管上方的小磁针静止时的指向如图所示,由此可知螺线管左端为
极,电源的左端为
极.

查看答案和解析>>
科目:
来源:2012-2013学年重庆市渝中区巴蜀中学九年级(上)期末物理试卷(解析版)
题型:填空题
我们在考试时许多学科要用到2B铅笔填涂机读卡,电脑可以直接读取机读卡上的答案,是因为2B铅笔中的石墨是 (选填“导体”或“绝缘体”),若使用了不合格的2B铅笔,由于铅笔芯的导电性变 (选填“强”或“弱”),这样可能使电脑无法识别.
查看答案和解析>>
科目:
来源:2012-2013学年重庆市渝中区巴蜀中学九年级(上)期末物理试卷(解析版)
题型:填空题
近年来有许多重大火灾都是因线路故障造成的.线路故障的一个原因是线路连接处接触不良.当线路连接处接触不良时,与连接完好相比该处的阻值将 ,在该处消耗的电功率将 ,会产生局部过热,引发火灾(选填“减小”或“增大”或“不变”)
查看答案和解析>>
科目:
来源:2012-2013学年重庆市渝中区巴蜀中学九年级(上)期末物理试卷(解析版)
题型:填空题
一只标有 3000R/kW?h的电能表测量一盏灯泡的功率值,该灯单独工作时发现在3分钟时间内电能表的转盘(盘的边缘有个红点)转了15圈,则这段时间内电流做功 kW?h,此时这盏灯的功率为 W.
查看答案和解析>>