相关习题
 0  75911  75919  75925  75929  75935  75937  75941  75947  75949  75955  75961  75965  75967  75971  75977  75979  75985  75989  75991  75995  75997  76001  76003  76005  76006  76007  76009  76010  76011  76013  76015  76019  76021  76025  76027  76031  76037  76039  76045  76049  76051  76055  76061  76067  76069  76075  76079  76081  76087  76091  76097  76105  235360 

科目: 来源:2011-2012学年福建省南平市建阳市九年级(上)期末物理试卷(解析版) 题型:填空题

如图是“伏安法”测电阻实验中通过导体的电流与其两端电压的关系.由图中信息可知:   
A.导体的电阻为1.5欧     
B.导体的电阻为6欧
C.导体的电阻随导体两端电压的增大而增大
D.导体两端电压为0时,导体的电阻也为0.

查看答案和解析>>

科目: 来源:2011-2012学年福建省南平市建阳市九年级(上)期末物理试卷(解析版) 题型:解答题

在学习“串联电路的总电阻与各串联电阻之间关系“的时候,小强和小刚利用滑动变阻器(铭牌上标有“50Ω 1A“),两个定值电阻(10Ω和5Ω)、电压表、电流表、电源等器材对此进行了探究.他们设计了如图甲所示的电路图.

(1)根据电路图,请你在图乙中用笔画线代替导线将没有连接完的实物电路连接好(导线不允许交叉且电流表的量程选取要适当).
R1=5Ω     R2=10Ω
次数123
电压U/V1.52.43
电流I/A0.10.160.2
(2)上表是小强和小刚在这次实验中所记录的数据.请你根据他们测量的三组数据进行分析,可以得出的结论是:______.
(3)在这次实验中,滑动变阻器的作用是______.

查看答案和解析>>

科目: 来源:2011-2012学年福建省南平市建阳市九年级(上)期末物理试卷(解析版) 题型:解答题

请在如图所示的家庭电路中,以笔画线代替导线,将一个两孔插座和一个带按钮开关的螺口灯泡接入电路.

查看答案和解析>>

科目: 来源:2011-2012学年福建省南平市建阳市九年级(上)期末物理试卷(解析版) 题型:解答题

在“测量小灯泡电功率”的实验中,已知电源电压为3V,小灯泡的额定电压为2.5V.
(1)连接电路时,开关应______.
(2)请你用笔画线代替导线,将图电路最后一根导线接上,使电路完整.
(3)闭合开关之前,应先将滑动变阻器的滑片移到______端(选填“A”或“B”).闭合开关后,发现小灯泡不亮,电流表指针偏转,电压表的示数为零,产生故障的原因可能是______.

(4)排除故障后,实验得到的部分数据如下表.在第1次实验中,小灯泡两端电压为2V时,电流表示数如图所示,请将下表补充完整.
            实验次数         电压示数(V)       电流表示数(A)     小灯泡电(W)
12.0
22.50.220.55
32.80.240.67
(5)由上表可知小灯泡的额定功率为______W;小灯泡的实际电功率随实际电压的增大而______(选填“增大”或“减小”).

查看答案和解析>>

科目: 来源:2011-2012学年福建省南平市建阳市九年级(上)期末物理试卷(解析版) 题型:填空题

太阳能是一种清洁能源.某太阳能热水器每天能使500kg的水温度升高30℃,那么这些水吸收的热量为    J,这些热量相当于完全燃烧    m3的天然气放出的热量.)

查看答案和解析>>

科目: 来源:2011-2012学年福建省南平市建阳市九年级(上)期末物理试卷(解析版) 题型:解答题

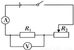
如图所示,R1=30Ω,R2=10Ω,闭合开关后,电流表的示数为0.2A.求:
(1)电源电压;
(2)电路总电流.

查看答案和解析>>

科目: 来源:2011-2012学年福建省南平市建阳市九年级(上)期末物理试卷(解析版) 题型:解答题

如图所示电路,滑动变阻器上标有“50Ω  1A”,电源电压恒为6V,闭合开关,移动滑动变阻器滑片到某一位置时,电流表示数为0.2A,电压表示数为2V.求:
(1)此时R1消耗的功率?
(2)在此状态下工作5s的时间,则电路做的总功为多少J?
(3)此时滑动变阻器R2消耗的功率?

查看答案和解析>>

科目: 来源:2007-2008学年北京市丰台区九年级(上)期末物理试卷(解析版) 题型:选择题

在国际单位制中,电功率的单位是( )
A.伏特(V)
B.欧姆(Ω)
C.安培(A)
D.瓦特(W)

查看答案和解析>>

科目: 来源:2007-2008学年北京市丰台区九年级(上)期末物理试卷(解析版) 题型:选择题

手电筒因为长期使用,后盖弹簧变松,造成后盖与干电池接触不好,小灯泡不能正常发光,为了使小灯泡正常发光,应在后盖与电池之间垫下列哪种物质( )
A.橡皮
B.铁片
C.硬纸片
D.塑料片

查看答案和解析>>

科目: 来源:2007-2008学年北京市丰台区九年级(上)期末物理试卷(解析版) 题型:选择题

在室温20℃下,比较两根镍铬合金丝电阻大小,下列说法正确的是( )
A.横截面积小的导线电阻比横截面积大的导线电阻小
B.长度较长的导线电阻比长度较短的导线电阻大
C.横截面积相等时,长度较长的导线电阻小
D.长度相同时,横截面积较小的导线电阻大

查看答案和解析>>

同步练习册答案