相关习题
 0  75932  75940  75946  75950  75956  75958  75962  75968  75970  75976  75982  75986  75988  75992  75998  76000  76006  76010  76012  76016  76018  76022  76024  76026  76027  76028  76030  76031  76032  76034  76036  76040  76042  76046  76048  76052  76058  76060  76066  76070  76072  76076  76082  76088  76090  76096  76100  76102  76108  76112  76118  76126  235360 

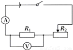
科目: 来源:2012-2013学年福建省南平市建阳市九年级(上)期末物理试卷(解析版) 题型:解答题

在“测量小灯泡电功率”的实验中,已知电源电压为3V,小灯泡的额定电压为2.5V.
(1)连接电路时,开关应______.
(2)请你用笔画线代替导线,将图电路最后一根导线接上,使电路完整.
(3)闭合开关之前,应先将滑动变阻器的滑片移到______端(选填“A”或“B”).闭合开关后,发现小灯泡不亮,电流表指针偏转,电压表的示数为零,产生故障的原因可能是______.

(4)排除故障后,实验得到的部分数据如下表.在第1次实验中,小灯泡两端电压为2V时,电流表示数如图所示,请将下表补充完整.
            实验次数         电压示数(V)       电流表示数(A)     小灯泡电(W)
12.0
22.50.220.55
32.80.240.67
(5)由上表可知小灯泡的额定功率为______W;小灯泡的实际电功率随实际电压的增大而______(选填“增大”或“减小”).

查看答案和解析>>

科目: 来源:2012-2013学年福建省南平市建阳市九年级(上)期末物理试卷(解析版) 题型:填空题

太阳能是一种清洁能源.某太阳能热水器每天能使500kg的水温度升高30℃,那么这些水吸收的热量为    J,这些热量相当于完全燃烧    m3的天然气放出的热量.)

查看答案和解析>>

科目: 来源:2012-2013学年福建省南平市建阳市九年级(上)期末物理试卷(解析版) 题型:解答题

如图所示,R1=30Ω,R2=10Ω,闭合开关后,电流表的示数为0.2A.求:
(1)电源电压;
(2)电路总电流.

查看答案和解析>>

科目: 来源:2012-2013学年福建省南平市建阳市九年级(上)期末物理试卷(解析版) 题型:解答题

如图所示电路,滑动变阻器上标有“50Ω  1A”,电源电压恒为6V,闭合开关,移动滑动变阻器滑片到某一位置时,电流表示数为0.2A,电压表示数为2V.求:
(1)此时R1消耗的功率?
(2)在此状态下工作5s的时间,则电路做的总功为多少J?
(3)此时滑动变阻器R2消耗的功率?

查看答案和解析>>

科目: 来源:2007-2008学年北京市东城区九年级(上)期末物理试卷(解析版) 题型:选择题

在国际单位制中,功率的单位是( )
A.千克
B.牛顿
C.瓦特
D.焦耳

查看答案和解析>>

科目: 来源:2007-2008学年北京市东城区九年级(上)期末物理试卷(解析版) 题型:选择题

下图中,能说明大气压强存在的是( )
A.
锅炉水位计
B.
拦河大坝
C.
下水管道
D.
用吸管喝饮料

查看答案和解析>>

科目: 来源:2007-2008学年北京市东城区九年级(上)期末物理试卷(解析版) 题型:选择题

学校国旗杆的顶端装有定滑轮,如图所示.定滑轮的作用是( )

A.省力
B.改变力的方向
C.省功
D.提高机械效率

查看答案和解析>>

科目: 来源:2007-2008学年北京市东城区九年级(上)期末物理试卷(解析版) 题型:选择题

如图所示,属于减小压强的是( )
A.
剪刀刃做的很薄
B.
坦克车的车轮装有宽大的履带
C.
用钢丝切蛋器切鸭蛋
D.
用刀切苹果

查看答案和解析>>

科目: 来源:2007-2008学年北京市东城区九年级(上)期末物理试卷(解析版) 题型:选择题

如图所示,其中利用做功的方法来改变物体内能的是( )
A.
食物在冰箱中冷藏
B.
钻木取火
C.
用温度计测量温度
D.
纸锅烧水

查看答案和解析>>

科目: 来源:2007-2008学年北京市东城区九年级(上)期末物理试卷(解析版) 题型:选择题

2007年4月18日零时起,中国铁路采用“和谐号”动车组开始了第六次大提速.高速列车经过时,若人离铁道太近很可能被吸进铁道,应特别注意安全.从物理学的角度看,这是因为( )
A.车与人之间的空气流速减小,压强增大
B.车与人之间的空气流速减小,压强减小
C.车与人之间的空气流速加大,压强减小
D.车与人之间的空气流速加大,压强增大

查看答案和解析>>

同步练习册答案