相关习题
 0  76126  76134  76140  76144  76150  76152  76156  76162  76164  76170  76176  76180  76182  76186  76192  76194  76200  76204  76206  76210  76212  76216  76218  76220  76221  76222  76224  76225  76226  76228  76230  76234  76236  76240  76242  76246  76252  76254  76260  76264  76266  76270  76276  76282  76284  76290  76294  76296  76302  76306  76312  76320  235360 

科目: 来源:北师大版九年级全一册《15.5串并联电路中电流的规律》2013年同步练习(一)(解析版) 题型:选择题

如图所示,断开开关S,电流表测( )电流;闭合开关,电流表测( )电流.

A.灯L1
B.灯L2
C.灯L1和灯L2中的总电流
D.无法判定

查看答案和解析>>

科目: 来源:北师大版九年级全一册《15.5串并联电路中电流的规律》2013年同步练习(一)(解析版) 题型:选择题

在如图所示电路中,电流表A1、A2、A3中的示数分别为I1、I2、I3,则它们之间的正确关系是( )

A.I1=I2=I3
B.I3=I1+I2
C.I1<I2<I3
D.I1>I2>I3

查看答案和解析>>

科目: 来源:北师大版九年级全一册《15.5串并联电路中电流的规律》2013年同步练习(一)(解析版) 题型:选择题

如图所示,当开关S闭合时,电流表A1,A2的示数分别为I1,I2,则  I1,I2的大小关系是( )

A.I1=I2
B.I1>I2
C.I1<I2
D.无法确定

查看答案和解析>>

科目: 来源:北师大版九年级全一册《15.5串并联电路中电流的规律》2013年同步练习(一)(解析版) 题型:填空题

有一种节日小彩灯串联着100个小灯泡,电源插头处的电流为200mA,则通过每一个小灯泡的电流为    A.

查看答案和解析>>

科目: 来源:北师大版九年级全一册《15.5串并联电路中电流的规律》2013年同步练习(一)(解析版) 题型:填空题

如图所示的电路中,当开关S闭合时,电流表A1的示数为 0.6A,则A2的示数为    A;通过灯L1的电流是    A,通过灯L2的电流是    A.

查看答案和解析>>

科目: 来源:北师大版九年级全一册《15.5串并联电路中电流的规律》2013年同步练习(一)(解析版) 题型:填空题

如图所示的电路中,三盏灯是串联的,电流方向如题图所示.若用电流表测 a点的电流,应将a点处的电路    ,把电流表的正接线柱与灯    相接,负接线柱与灯    相接.若测得a点的电流为0.2A,则b点的电流等于    A,I1    0.2A,I2    0.2A.

查看答案和解析>>

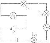
科目: 来源:北师大版九年级全一册《15.5串并联电路中电流的规律》2013年同步练习(一)(解析版) 题型:填空题

如图所示的电路中,灯L1、L2的连接方式是    联,电流表A1测量灯    的电流,电流表A2测量灯    的电流,电流表A3测量的是    电流.如果电流表A1的示数为I1,A2的示数为I2,A3的示数为I3则I1,I2、I3之间的关系一定是   

查看答案和解析>>

科目: 来源:北师大版九年级全一册《15.5串并联电路中电流的规律》2013年同步练习(一)(解析版) 题型:填空题

如图所示的电路中,当开关S闭合时,电流表A1和A2的示数为0.6A和0.4A,则通过灯L1的电流是    A.通过灯L2的电流是    A.

查看答案和解析>>

科目: 来源:北师大版九年级全一册《15.5串并联电路中电流的规律》2013年同步练习(一)(解析版) 题型:填空题

某剧场内有78盏照明灯,每盏照明灯的工作电流都是0.1A,这些照明灯同时使用时,电源总开关处的电流是    A.

查看答案和解析>>

科目: 来源:北师大版九年级全一册《15.5串并联电路中电流的规律》2013年同步练习(一)(解析版) 题型:填空题

如图所示电路中,电流表A的示数为0.8A.电流表A1的示数为0.5A,则通过灯泡L1的电流为    ,通过电源的电流为   

查看答案和解析>>

同步练习册答案