相关习题
 0  76149  76157  76163  76167  76173  76175  76179  76185  76187  76193  76199  76203  76205  76209  76215  76217  76223  76227  76229  76233  76235  76239  76241  76243  76244  76245  76247  76248  76249  76251  76253  76257  76259  76263  76265  76269  76275  76277  76283  76287  76289  76293  76299  76305  76307  76313  76317  76319  76325  76329  76335  76343  235360 

科目: 来源:2012-2013学年福建省三明市尤溪县文公中学九年级(上)第一次月考物理试卷(解析版) 题型:选择题

水的比热容较大,下列做法中不是利用这一特性的是( )
A.炎热的夏天,在室内地上洒水感到凉爽
B.用水做内燃机的冷却液
C.在城市里修建人工湖,除了美化环境外,还能调节周围的气温
D.供暖系统使用热水循环供暖

查看答案和解析>>

科目: 来源:2012-2013学年福建省三明市尤溪县文公中学九年级(上)第一次月考物理试卷(解析版) 题型:选择题

质量相同的甲、乙两球,已知比热容之比为2:1,吸收的热量之比为2:1,那么甲球升高的温度与乙球升高的温度之比为
( )
A.1:2
B.1:1
C.2:1
D.1:4

查看答案和解析>>

科目: 来源:2012-2013学年福建省三明市尤溪县文公中学九年级(上)第一次月考物理试卷(解析版) 题型:选择题

用铁锅能熔化锡,而不能用锡锅熔化铁,这是因为( )
A.铁的密度比锡小
B.铁比锡硬
C.铁传热比锡快
D.铁的熔点比锡高

查看答案和解析>>

科目: 来源:2012-2013学年福建省三明市尤溪县文公中学九年级(上)第一次月考物理试卷(解析版) 题型:选择题

现代建筑出现一种新设计:在墙面装饰材料中均匀混入小颗粒状的小球,球内充入一种非晶体材料,当温度升高时,球内材料熔化吸热,当温度降低时,球内材料凝固放热,使建筑内温度基本保持不变 图的四个图象中,表示球内材料的凝固图象的是
( )
A.
B.
C.
D.

查看答案和解析>>

科目: 来源:2012-2013学年福建省三明市尤溪县文公中学九年级(上)第一次月考物理试卷(解析版) 题型:选择题

关于内能下面说法正确的是( )
A.热水的内能比冷水多
B.0℃的冰没有内能
C.一切物体都有内能
D.物体的温度不变,其内能就不变

查看答案和解析>>

科目: 来源:2012-2013学年福建省三明市尤溪县文公中学九年级(上)第一次月考物理试卷(解析版) 题型:选择题

用毛皮摩擦过的橡胶棒,靠近用细线吊起的轻小通草球产生互相吸引的现象,则这个通草球( )
A.一定带正电
B.一定带负电
C.有可能带正电,有可能不带电
D.一定不带电

查看答案和解析>>

科目: 来源:2012-2013学年福建省三明市尤溪县文公中学九年级(上)第一次月考物理试卷(解析版) 题型:选择题

下列四个电路图中与实物图相对应的是( )

A.
B.
C.
D.

查看答案和解析>>

科目: 来源:2012-2013学年福建省三明市尤溪县文公中学九年级(上)第一次月考物理试卷(解析版) 题型:选择题

用两只灯泡L1和L2以及电池组、开关和导线组成串联电路.闭合开关后,发现只有L1发光,则电路可能出现的故障是( )
A.L2断路
B.L2的灯座短路
C.开关断路
D.电源短路

查看答案和解析>>

科目: 来源:2012-2013学年福建省三明市尤溪县文公中学九年级(上)第一次月考物理试卷(解析版) 题型:选择题

在测量某段电路中的电流时,若表盘的读数如图所示,则此时正确的示数是( )

A.1.6安
B.1.7安
C.0.32安
D.0.34安

查看答案和解析>>

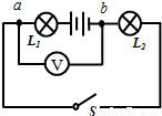
科目: 来源:2012-2013学年福建省三明市尤溪县文公中学九年级(上)第一次月考物理试卷(解析版) 题型:选择题

如图所示,电源电压是5V并保持不变,开关S闭合后电压表的示数为3V,则( )
A.L1两端的电压为3V
B.L2两端的电压为3V
C.L2两端的电压为2V
D.L1两端的电压为5V

查看答案和解析>>

同步练习册答案