相关习题
 0  76320  76328  76334  76338  76344  76346  76350  76356  76358  76364  76370  76374  76376  76380  76386  76388  76394  76398  76400  76404  76406  76410  76412  76414  76415  76416  76418  76419  76420  76422  76424  76428  76430  76434  76436  76440  76446  76448  76454  76458  76460  76464  76470  76476  76478  76484  76488  76490  76496  76500  76506  76514  235360 

科目: 来源:2012-2013学年江苏省扬州市江都市宜陵中学九年级(上)期末物理试卷(解析版) 题型:解答题

图a是某同学为学校办公楼空调设计的自动控制装置,R是热敏电阻,其阻值随温度变化关系如下表格所示.已知继电器的线圈电阻R为10Ω,左边电源电压为6V恒定不变.电流表O~30mA量程接入电路,图b是电流表表盘.当继电器线圈中的电流大于或等于15mA时,继电器的衔铁被吸合,右边空调电路正常工作.
温度t/℃510152025303540
电阻R/Ω600550500450420390360330300

(a)该同学将电流表改成了温度表,通过计算并在图中标出表盘上25℃的位置.
(b)为了节省电能,使温度达到30℃时空调才能启动制冷,电路中要串联多大电阻?
(c)为了给空调设定不同的启动温度,请你提出一种可行的、调节方便的措施.(改变电阻除外)

查看答案和解析>>

科目: 来源:2012-2013学年江苏省扬州市江都市宜陵中学九年级(上)期末物理试卷(解析版) 题型:解答题

学习了燃料的热值后,小王自己设计实验来探究酒精和碎纸片的热值大小.
(1)实验装置如图所示,你认为图中器件的安装顺序是______(由下而上/由上而下).
(2)为保证实验结论的可靠,以及方便比较,小王同学在实验中应保持______、______、以及两个烧杯都应相同.
(3)实验数据记录如表,根据表中数据,计算出碎纸片的热值是______J/Kg.
(4)通过实验得到的燃料热值与实际相比是偏______(大/小),出现这样情况的主要原因是______.(写出一点)
燃料加热前水温℃燃料燃尽时水温℃燃料的热值J/Kg
酒精15352.4×106
碎纸片1525


查看答案和解析>>

科目: 来源:2012-2013学年江苏省扬州市江都市宜陵中学九年级(上)期末物理试卷(解析版) 题型:填空题

小明用如图所示的装置探究“动能大小与什么因素有关?”的实验步骤如下:

A.质量为m的小球从A处释放,将木块在水平面上推动一段距离,如图甲所示.
B.质量为m的小球从B处释放,将木块在水平面上推动一段距离,如图乙所示.
C.质量为2m的小球从B处释放,将木块在水平面上推动一段距离,如图丙所示.
(1)实验中小球动能的大小是通过观察比较    反映出来的,这里用到了物理学研究问题的一种    (直接测量/放大/转换)方法;
(2)为了探究动能的大小与物体运动速度的关系,应选用    两个图来分析,并由此得出的实验结论是   
(3)若水平面绝对光滑,该实验    (能/不能)得出探究结论.

查看答案和解析>>

科目: 来源:2012-2013学年江苏省扬州市江都市宜陵中学九年级(上)期末物理试卷(解析版) 题型:填空题

遵循实事求是做物理实验的原则,彬彬同学按图所示装置对动滑轮特点进行了探究,记录的数据如下表:
实验次数物重G/N弹簧测力计示数F/N
11.00.7
22.01.2
33.01.7
通过分析数据,她觉得与“使用动滑轮能省一半的力”的结论偏差较大,回想你的实验经历,回答下列问题:
(1)面对这一事实,下列做法中最不可取的是   
A.与同学分析可能原因           B.改进实验条件,重新实验
C.实验失败,停止实验           D.查阅资料,了解结论的适用条件
(2)该实验中出现这样结果的主要原因是    .为了减小偏差,我们可以改进的方法是    .(写出一点)
(3)进行实验时,弹簧测力计应沿    方向做    运动.若方向稍微偏离一点,则机械效率将    (变大/变小/不变).

查看答案和解析>>

科目: 来源:2012-2013学年江苏省扬州市江都市宜陵中学九年级(上)期末物理试卷(解析版) 题型:解答题

小明想测定额定电压是6V(正常工作时通过的电流约为0.3A)的小灯泡的额定功率,于是借来了电源(电压为12V)、电流表、电压表、开关、三个规格为甲:“10Ω  1A”、乙:“50Ω  0.5A”和丙:“lkΩ  1A”的滑动变阻器,导线若干.

(1)小明设计了如图甲所示电路图,你认为小明应选用______(甲/乙/丙)滑动变阻器;
(2)小明已连接了部分电路如图乙所示,请用笔画线代替导线,将电路连接完整;
(3)小明将电路补充连接后,闭合开关,发现灯泡发光较暗,电流表有示数.任意移动滑动变阻器的滑片,电压表示数不变(示数不为零)且小于6V,具体原因是______;
(4)小明排除故障后继续实验,实验中眼睛应观察______(电压表/电流表/小灯泡)满足______时,记下此时电流表的示数算出小灯泡的额定功率.

查看答案和解析>>

科目: 来源:2012-2013学年江苏省扬州市江都市宜陵中学九年级(上)期末物理试卷(解析版) 题型:填空题

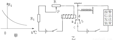
在物联网中,传感器担负着信息采集的重要任务,可以实现“提醒”和“报警”功能.其中热敏传感器主要运用了热敏电阻来测量温度的变化.热敏电阻主要是由    材料制成的(选填“导体”、“半导体”、“超导体”或“绝缘体”).热敏电阻阻值随温度变化的曲线如下图甲所示,图乙是由热敏电阻R1作为传感器制作的简单自动报警线路图,图中a、b为两个固定的金属片,d为铁片.为了使温度过高时发送报警信息,开关c应该接在    处(选填“a”或“b”).若使报警的最低温度提高些,应将P点向    移动(选填“左”或“右”).

查看答案和解析>>

科目: 来源:2012-2013学年江苏省扬州市邗江中学九年级(上)期末物理试卷(解析版) 题型:选择题

图中的几种用电器正常工作时的电流接近4A的是( )
A.家庭电扇
B.笔记本电脑
C.台灯
D.电饭锅

查看答案和解析>>

科目: 来源:2012-2013学年江苏省扬州市邗江中学九年级(上)期末物理试卷(解析版) 题型:选择题

下列所示工具中,使用时不能省力但能省距离的是( )
A.
动滑轮
B.
订书机
C.
羊角锤
D.
镊子

查看答案和解析>>

科目: 来源:2012-2013学年江苏省扬州市邗江中学九年级(上)期末物理试卷(解析版) 题型:选择题

四个同学在石峰公园进行登山比赛.如果规定功率最大者获胜,那么最后胜出者一定是( )
A.体重最大的一个
B.时间最短的一个
C.速度最大的一个
D.做功最快的一个

查看答案和解析>>

科目: 来源:2012-2013学年江苏省扬州市邗江中学九年级(上)期末物理试卷(解析版) 题型:选择题

水是生命之源,节约用水,从点滴做起.下列关于水的理解正确的是( )
A.0℃的水内能为零
B.水温升高,内能一定增大
C.水变成冰后,体积变大、密度变大
D.30℃的水比20℃的水所含的热量多

查看答案和解析>>

同步练习册答案