相关习题
0 76477 76485 76491 76495 76501 76503 76507 76513 76515 76521 76527 76531 76533 76537 76543 76545 76551 76555 76557 76561 76563 76567 76569 76571 76572 76573 76575 76576 76577 76579 76581 76585 76587 76591 76593 76597 76603 76605 76611 76615 76617 76621 76627 76633 76635 76641 76645 76647 76653 76657 76663 76671 235360
科目:
来源:2012-2013学年湖北省荆门市钟祥市兰台中学九年级物理培优训练试卷(二)(解析版)
题型:填空题
如图甲所示电路,当变阻器的滑片从一端滑动到另一端的过程中,两只电压表的示数U
l、U
2跟电流表示数I的变化情况如图乙所示.电源电压不变,不考虑电表电阻对电路的影响,则图线A表示
的变化情况;当变阻器的滑片向左滑动时,两端电压与电流的变化量之比即

=
.

查看答案和解析>>
科目:
来源:2012-2013学年湖北省荆门市钟祥市兰台中学九年级物理培优训练试卷(二)(解析版)
题型:填空题
小明同学实验时连接了如图电路,实验操作正确,他闭合开关后将会发现电压表示数
,电流表示数
(“变大”、“变小”、“不变”).

查看答案和解析>>
科目:
来源:2012-2013学年湖北省荆门市钟祥市兰台中学九年级物理培优训练试卷(二)(解析版)
题型:填空题
如图所示的电路中,电源电压恒定,当滑动变阻器的滑动触头P向D端移动时,电流表的示数
,电压表的示数
(填“变大”、“变小”或“不变”).

查看答案和解析>>
科目:
来源:2012-2013学年湖北省荆门市钟祥市兰台中学九年级物理培优训练试卷(二)(解析版)
题型:填空题
如图所示,R
1=R
2=R
3=5Ω,某同学误将一电流表并联在R
2两端,发现示数为1.5A,据此可推知U=
V;若用一只电压表代替电流表并联在R
2的两端,则电压表的示数为
V.

查看答案和解析>>
科目:
来源:2012-2013学年湖北省荆门市钟祥市兰台中学九年级物理培优训练试卷(二)(解析版)
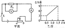
题型:填空题

如图甲的电路中,电源电压保持不变,闭合开关后,滑片P由b端滑到a端,电压表示数与电流表示数的变化关系如图乙,则可判断电源电压是
V,定值电阻R的阻值是
Ω,定值电阻能达到的最大功率为
W.
查看答案和解析>>
科目:
来源:2012-2013学年湖北省荆门市钟祥市兰台中学九年级物理培优训练试卷(二)(解析版)
题型:解答题
小盟想利用一块电流表和阻值已知的电阻R
测量电阻R
X的阻值.小盟选择了满足实验要求的电源、电流表A,并连接了实验电路,如图所示.小盟的实验步骤没有写完整,请你帮助小盟完成实验步骤,并写出电阻R
x的表达式.
(1)闭合开关s
1,断开s
2,读出电流表的示数为I
2;______,
(2)读出电流表的示数为I
2请用,I
1,I
2和R
表示如R
X.R
X=______.

查看答案和解析>>
科目:
来源:2012-2013学年湖北省荆门市钟祥市兰台中学九年级物理培优训练试卷(二)(解析版)
题型:解答题
用电流表和电压表测电流和电压时,通常并不考虑仪表本身电阻对待测电路的影响,而将其视为“理想仪表”即认为电流表的内阻为零,电压表的内电阻为无限大.实际上,电流表和电压表都有一定的电阻值,因而我们可以把电流表看成一个能显示通过自身电流大小的其阻值很小的电阻;可以把电压表看成一个能显示自身两端电压大小,的其阻值很大的电阻.所以,把电流表或电压表接入待测电路时,就相当于在待测电路中串联一个电阻,或并联一个电阻.这样,电流表两端就要有一定的电压,电压表中就要通过一定的电流,因此实际上很难同时精确地测出待测电阻两端的电压和通过待测电阻的电流.
1,现有一个是量程为0.6A,内电阻为0.13欧的电流表,能否用它测量某电路两商量的电压?若不能,请说明理由,若能,请说明用它能测量的最大电压值.
2,现要精确测量一个阻值约为8欧的电阻Rx,实验室提供下列器材.
电流表A1:量程100mA,内电阻r1=4欧
电流表A2:量程500μΑ,内电阻r2=750欧
电压表V:量程10V,内电阻r3=10k欧,
变阻器R0:阻值约为10欧
定值电阻R1:阻值约10k欧
电池E:两端电压约1.5V,开关S,导线若干
(1)选出你测量时所需的适当器材,并画出电路图
(2)需要测量哪些物理量?根据所测物理量,写出被测电阻Rx的表达式.
查看答案和解析>>
科目:
来源:2011-2012学年辽宁省大连市普兰店27中九年级(上)物理寒假作业(九)(解析版)
题型:选择题
有一种电子牙刷,它能发出超声波,直达牙刷棕毛刷不到的地方,这样刷牙既干净又舒服.关于电子牙刷,正确的说法是( )
A.刷牙时,人听不到超声波,是因为超声波不能在空气中传播
B.超声波的音调很低,所以人听不到
C.超声波不是由物体振动产生的
D.超声波能传递能量
查看答案和解析>>
科目:
来源:2011-2012学年辽宁省大连市普兰店27中九年级(上)物理寒假作业(九)(解析版)
题型:选择题
如图是张敏同学拍摄的西湖大酒店风景相片,下面说法正确的是( )

A.要想使大楼的像更大些,张敏应向大楼靠近些,再拍摄
B.大楼在湖中的倒影是由于光的直线传播形成的
C.大楼在湖中的倒影是由于光的折射形成的
D.拍摄时底片上的像是倒立放大的虚像
查看答案和解析>>
科目:
来源:2011-2012学年辽宁省大连市普兰店27中九年级(上)物理寒假作业(九)(解析版)
题型:选择题
下图中,属于费力杠杆的是( )
A.

开啤酒瓶盖的开瓶
B.

剥核桃壳的核桃
C.

钩鱼者手中的鱼
D.

撬钉子的钉
查看答案和解析>>