相关习题
 0  76486  76494  76500  76504  76510  76512  76516  76522  76524  76530  76536  76540  76542  76546  76552  76554  76560  76564  76566  76570  76572  76576  76578  76580  76581  76582  76584  76585  76586  76588  76590  76594  76596  76600  76602  76606  76612  76614  76620  76624  76626  76630  76636  76642  76644  76650  76654  76656  76662  76666  76672  76680  235360 

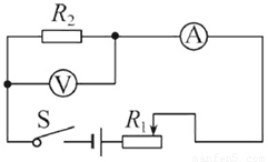
科目: 来源:2012-2013学年江苏省宿迁市九年级(上)期末物理试卷(解析版) 题型:解答题

从2011年5月11日起,执行酒驾重罚新规定.交警使用的某型号酒精测试仪的工作原理相当于右图所示.电源电压恒为9V,传感器电阻R2的电阻值随酒精气体浓度的增大而减小,当酒精气体的浓度为0时,R2的电阻为80Ω.使用前要通过调零旋钮(即滑动变阻器R1的滑片)对测试仪进行调零,此时电压表的示数为8V.求:
(1)电压表的示数为8V时,电流表的示数为多少?
(2)电压表的示数为8V时,滑动变阻器R1的电阻值为多少?
(3)调零后,R1的电阻保持不变.某驾驶员对着测试仪吹气10s,若电流表的示数达到0.3A,表明驾驶员醉驾,此时电压表的示数为多少?

查看答案和解析>>

科目: 来源:2012-2013学年江苏省宿迁市九年级(上)期末物理试卷(解析版) 题型:解答题

小明同学探究“杠杆的平衡条件”.
(1)实验前,杠杆停在图甲所示的位置,为使杠杆在水平位置平衡,应该将右端平衡螺母向______(选填“左”或“右”)调节;
(2)调节杠杆水平平衡后,小明进行的三次实验如图乙所示.根据实验,他得出杠杆的平衡条件为“动力×支点到动力作用点的距离=阻力×支点到阻力作用点的距离”,你认为这个结论是______(选填“正确”或“错误”)的,实验过程中使杠杆水平平衡的目的是______;
(3)在图乙(b)装置的左右两边各取下一个钩码后,杠杆______(选填“左”或“右”)端下沉,为使杠杆恢复水平平衡,只需将右侧钩码移至第______格;
(4)用绳子拴住一根粗细不同的大树某处,静止后大树水平平衡,如图丙所示.现将大树从拴绳处沿竖直方向切成A、B两段,根据图乙可判断GA______GB(选填“>”、“=”或“<”).

查看答案和解析>>

科目: 来源:2012-2013学年江苏省宿迁市九年级(上)期末物理试卷(解析版) 题型:解答题

在“探究哪些因素影响滑轮组的机械效率”的实验中,某小组利用如图所示装置匀速提升钩码,测得四组数据,所下表所示.
实验次数两个钩码共重G(N)钩码上高度h(cm)测力计F(N)测力计移动的距离S(cm)
1341.212
2361.218
3381.227
43101.230
(1)前三次实验中,第______次实验数据明显出现错误,应当删除,
(2)第四次实验中,有用功是______J,总功是______J,滑轮组的机械效率为______.若仅增加钩码的个数,该滑轮组的机械效率将______(将“增大”“减小”“不变”).
(3)根据以上信息,可以判断出该小组设计这四次实验的目的是为了探究滑轮组的机械效率与______是否有关.

查看答案和解析>>

科目: 来源:2012-2013学年江苏省宿迁市九年级(上)期末物理试卷(解析版) 题型:解答题

在做“研究导体的电阻跟哪些因素有关”的实验时,为了便于研究而采用控制变量的方法,即每次需挑选两根合适的导线,测出它的电阻,然后进行比较,最后得出结论(数据见表格).
导线代号ABCDEFG
长度(m)1、00、51、51、02、00、51、5
横截面(mm23、00、81、20、83、01、21、2
材料镍铬丝镍铬丝
(1)为了研究导体的电阻与导体长度的关系,应选用导线C和______(填写代号即可).
(2)为了研究电阻与导体材料的关系,应选用______两根导线进行比较.
(3)如选用了A和D两根导线进行测试,则是为了研究导体的电阻与______的关系.

查看答案和解析>>

科目: 来源:2012-2013学年江苏省宿迁市九年级(上)期末物理试卷(解析版) 题型:解答题

为探究并联电路中电压的规律,实验室提供的器材有:干电池组(电压为3V)、电压表、多个小灯泡、开关、导线若干.
(1)请用笔画线代替导线,在图甲中把电路连接完整,要求电压表测量灯L1两端的电压.
(2)电路连接正确后进行实验,某小组分别测出灯L1、L2两端的电压和并联电路的总电压,电压表示数相同,如图乙所示,其值为______V.根据这组数据,该小组得出并联电路中电压的规律.你认为实验的疏漏之处是______.纠正后得到并联电路中的电压规律为______.

查看答案和解析>>

科目: 来源:2012-2013学年江苏省宿迁市九年级(上)期末物理试卷(解析版) 题型:解答题

为了用电流表、电压表测定值电阻Rx的阻值,实验小组设计了如图甲所示的电路.

请你回答下列问题:
(1)连接电路时,开关应处于______状态,滑动变阻器的滑片应位于______端.
(2)实验中当滑动变阻器的滑片置于某位置时,电流表和电压表的示数如图乙所示,则此时电阻的测量值Rx=______Ω.
(3)滑动变阻器在实验中的作用是:
①______.
②______.

查看答案和解析>>

科目: 来源:2012-2013学年陕西省西安市周至七中九年级(上)期末物理试卷(解析版) 题型:选择题

自从汤姆逊发现了电子,人们开始研究原子内部结构.科学家提出了许多原子结构的模型,在20世纪上半叶,最为大家接受的原子结构是下图中的( )
A.
西红柿
B.
西瓜
C.
面包
D.
太阳系

查看答案和解析>>

科目: 来源:2012-2013学年陕西省西安市周至七中九年级(上)期末物理试卷(解析版) 题型:选择题

一个最多能盛2kg水的瓶子,它也能盛下2kg的( )
A.煤油
B.酱油
C.花生油
D.酒精

查看答案和解析>>

科目: 来源:2012-2013学年陕西省西安市周至七中九年级(上)期末物理试卷(解析版) 题型:选择题

小宇同学进行“体质与健康测试”的部分结果如下,其中单位不符合物理学规定的是( )
A.质量58kg
B.身高170cm
C.握力40kg
D.“50m跑速度”8m/s

查看答案和解析>>

科目: 来源:2012-2013学年陕西省西安市周至七中九年级(上)期末物理试卷(解析版) 题型:选择题

在实验和生活实际中,经常要进行“估测”.下面是小明估测的一些数据,你认为其中不正确的是( )
A.教室里的课桌高约90cm
B.一个中学生的体重约500N
C.人正常步行的速度约1.2m/s
D.一个鸡蛋的质量约为200g

查看答案和解析>>

同步练习册答案