相关习题
0 76551 76559 76565 76569 76575 76577 76581 76587 76589 76595 76601 76605 76607 76611 76617 76619 76625 76629 76631 76635 76637 76641 76643 76645 76646 76647 76649 76650 76651 76653 76655 76659 76661 76665 76667 76671 76677 76679 76685 76689 76691 76695 76701 76707 76709 76715 76719 76721 76727 76731 76737 76745 235360
科目:
来源:2012-2013学年江苏省南京市旭东中学九年级(上)第二次段考物理试卷(A卷)(解析版)
题型:解答题
在做“决定电阻大小的因素”实验时,为了便于研究而采用控制变量法,即每次需挑选两根合适的导线,测出流过它们的电流,然后进行比较,得出结论.
| 导线代号 | A | B | C | D | E | F | G |
| 长度cm | 1.0 | 0.5 | 1.5 | 1.0 | 1.2 | 1.5 | 0.5 |
| 横截面积cm2 | 3.2 | 0.8 | 1.2 | 0.8 | 1.2 | 1.2 | 1.2 |
| 材料 | 锰铜 | 钨 | 镍铬 | 锰铜 | 钨 | 锰铜 | 镍铬 |
(1)为了研究电阻与材料的关系,应选用的两根导线是______;
(2)为了研究电阻与长度的关系,应选用导线C和______;
(3)为了研究电阻与______的关系,应选用导线A和______.
查看答案和解析>>
科目:
来源:2012-2013学年江苏省南京市旭东中学九年级(上)第二次段考物理试卷(A卷)(解析版)
题型:填空题
2011年5月1日开始实施的《刑法修正案(八)》,对“饮酒驾车“和“醉酒驾车“制定了严格的界定标准,如下表所示.
| 饮酒驾车 | 20mg/100mL≤血液中的酒精含量<80mg/100mL |
| 醉酒驾车 | 血液中的酒精含量≥80mg/100mL |
①内江交警在某次安全行车检查中,检测到某驾驶员100mL的血液中酒精含量为66mg,那么,该驾驶员属于
.
②如图甲所示,是酒精检测仪的简化电路.其中,定值电阻R
=10Ω,电源电压为3V;R为气敏电阻,它的阻值与酒精气体含量的关系如图乙所示.如果通过检测仪检测到驾驶员的血液中酒精含量为12%时,电流表的示数为
A.

查看答案和解析>>
科目:
来源:2012-2013学年江苏省南京市旭东中学九年级(上)第二次段考物理试卷(A卷)(解析版)
题型:解答题
如图是“伏安法测电阻”的实验电路图.
(1)在图中的圆圈内填入电流表、电压表的符号.
(2)某同学规范操作,正确测量,测得三组实验数据分别是:U
1=2.4V,I
1=0.20A; U
2=4.5V,I
2=0.38A;U
3=6.0V,I
3=0.50A.请你在方框内为他设计一个表格,并把这些数据正确填写在你设计的表格内.
(3)根据表格中的数据,请你算出待测电阻R
X≈______Ω
(4)分析表格中的数据,你能得出的一个结论是______.

查看答案和解析>>
科目:
来源:2012-2013学年江苏省南京市旭东中学九年级(上)第二次段考物理试卷(A卷)(解析版)
题型:填空题
一个灯泡的灯丝的电阻是4Ω,当它两端的电压是2.8V时,求通过灯泡的电流是 .
查看答案和解析>>
科目:
来源:2012-2013学年江苏省南京市旭东中学九年级(上)第二次段考物理试卷(A卷)(解析版)
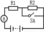
题型:解答题
如图所示,电阻R
1=12欧.电键S
A断开时,通过的电流为0.3安;电键S
A闭合时,电流表的示数为 0.5安.问:电源电压为多大?电阻R
2的阻值为多大?

查看答案和解析>>
科目:
来源:2012-2013学年江苏省南京市旭东中学九年级(上)第二次段考物理试卷(A卷)(解析版)
题型:解答题
如图所示电路中,已知R
1=40Ω,R
2=10Ω.当开关闭合后,通过电流表示数为0.3A.
求:(1)电阻R
1两端电压;(2)通过电路的总电流;(3)电路的总电阻.

查看答案和解析>>
科目:
来源:2011-2012学年河南省安阳市梅园中学九年级(上)月考物理试卷(9月份)(解析版)
题型:选择题
下列物态变化现象中,属于液化现象的是( )
A.初春,冰雪消融汇成溪流
B.盛夏,刚从冰箱中拿出的饮料瓶外壁出现水滴
C.金秋,清晨的雾在太阳出来后散去
D.寒冬,晾在室外冰冻的衣服也会干
查看答案和解析>>
科目:
来源:2011-2012学年河南省安阳市梅园中学九年级(上)月考物理试卷(9月份)(解析版)
题型:选择题
魔术师把手伸进一锅沸腾的“油”,1分钟,2分钟…再把手拿出来--没事,对这一现象的分析正确的是( )
A.魔术师有特异功能
B.是因为“油”的沸点低
C.“油”在沸腾时的温度不断升高
D.是因为手上沾有有水吸收了“油”中的热
查看答案和解析>>
科目:
来源:2011-2012学年河南省安阳市梅园中学九年级(上)月考物理试卷(9月份)(解析版)
题型:选择题
如图所示,能正确的描述冰的熔化过程的图象是( )
A.

B.

C.

D.

查看答案和解析>>
科目:
来源:2011-2012学年河南省安阳市梅园中学九年级(上)月考物理试卷(9月份)(解析版)
题型:选择题
下列说法正确的是( )
A.0摄氏度的冰变成0摄氏度的水内能不变
B.固体清新剂在使用时发生了升华
C.烧开水时壶嘴冒出的“白气”是水蒸气
D.固体、液体很难被压缩是因为分子间存在引力
查看答案和解析>>