相关习题
0 76739 76747 76753 76757 76763 76765 76769 76775 76777 76783 76789 76793 76795 76799 76805 76807 76813 76817 76819 76823 76825 76829 76831 76833 76834 76835 76837 76838 76839 76841 76843 76847 76849 76853 76855 76859 76865 76867 76873 76877 76879 76883 76889 76895 76897 76903 76907 76909 76915 76919 76925 76933 235360
科目:
来源:2011-2012学年新疆乌鲁木齐市达坂城中学九年级(上)期中物理试卷(解析版)
题型:解答题
一辆满载货物的卡车总重为6×104 N,沿水平路面做匀速直线运动,如果阻力是车重的0.3倍,则卡车发动机的牵引力是多少?
查看答案和解析>>
科目:
来源:2011-2012学年新疆乌鲁木齐市达坂城中学九年级(上)期中物理试卷(解析版)
题型:解答题
一个体积是40cm3的铁球,质量是156g,则:
(1)这个铁球是空心的还是实心的?(ρ铁=7.8×103kg/m3)
(2)若是空心的,空心部分的体积多大?
查看答案和解析>>
科目:
来源:2012-2013学年安徽省马鞍山市物理博望中学九年级(上)第一次统考物理试卷(解析版)
题型:填空题
在干燥的天气里,用塑料梳子梳头发时,头发会随着梳子飘起来,这是因为梳子和头发摩擦时分别带上 电荷,互相 的缘故.
查看答案和解析>>
科目:
来源:2012-2013学年安徽省马鞍山市物理博望中学九年级(上)第一次统考物理试卷(解析版)
题型:填空题
对人体安全的电压是:不高于 V;家庭电路的电压是 V;家里的电灯、电视、电冰箱等家用电器的连接方式是 的(填“串联”或“并联”).
查看答案和解析>>
科目:
来源:2012-2013学年安徽省马鞍山市物理博望中学九年级(上)第一次统考物理试卷(解析版)
题型:填空题
两个灯泡和电压表组成的电路如图甲所示,电源由三节干电池串联组成,开关S闭合后电压表示数如图乙所示,则L
1两端的电压是
V,L
2两端的电压是
V.若灯L
1的电阻为10Ω,则灯L
2的电阻为
Ω.

查看答案和解析>>
科目:
来源:2012-2013学年安徽省马鞍山市物理博望中学九年级(上)第一次统考物理试卷(解析版)
题型:填空题
在某一温度下,两个电路元件甲和乙中的电流与电压的关系如图所示.由图可知,元件甲的电阻是
Ω,将元件甲、乙并联后接在电压为2V的电源两端,则流过元件甲的电流是
A,流过元件乙的电流是
A.

查看答案和解析>>
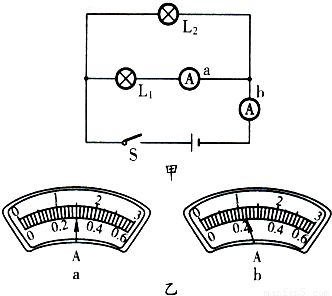
科目:
来源:2012-2013学年安徽省马鞍山市物理博望中学九年级(上)第一次统考物理试卷(解析版)
题型:填空题
如甲图电路,当开关s闭合后,电流表的指针偏转如乙图所示,其中a电流表测量的是通过
(选填“电源…”、“L
1”或“L
2”)的电流,b电流表的读数应为
安.

查看答案和解析>>
科目:
来源:2012-2013学年安徽省马鞍山市物理博望中学九年级(上)第一次统考物理试卷(解析版)
题型:填空题
如图是大型电子地磅的电路图.当称重物时,在压力作用下滑片P向下端滑动,变阻器连入电路的电阻
,电流表的示数
.(选填“变大”“变小”或“不变”).这样把电流对应的重量刻在电流表的刻度盘上,就可以读出被称物体的重量.

查看答案和解析>>
科目:
来源:2012-2013学年安徽省马鞍山市物理博望中学九年级(上)第一次统考物理试卷(解析版)
题型:填空题
如图,电源电压恒定,当开关S
1闭合、S
2断开时,电压表的示数为4V;当S
1断开、S
2闭合时,电压表的示数为6V,则灯L
1两端电压为
V,灯L
2两端电压为
V.

查看答案和解析>>
科目:
来源:2012-2013学年安徽省马鞍山市物理博望中学九年级(上)第一次统考物理试卷(解析版)
题型:填空题
四节干电池联成电池组,现有R1、R2两个电阻,R1=10Ω,R2=15Ω.将它们并联后接入电池组的两端,则电路总电阻是 Ω,R1、R2两端的电压之比是 ,通过R1、R2的电流之比是 .
查看答案和解析>>