相关习题
0 76834 76842 76848 76852 76858 76860 76864 76870 76872 76878 76884 76888 76890 76894 76900 76902 76908 76912 76914 76918 76920 76924 76926 76928 76929 76930 76932 76933 76934 76936 76938 76942 76944 76948 76950 76954 76960 76962 76968 76972 76974 76978 76984 76990 76992 76998 77002 77004 77010 77014 77020 77028 235360
科目:
来源:2011-2012学年辽宁省大连市普兰店27中九年级(上)物理寒假作业(六)(解析版)
题型:选择题
“十次车祸九次快,还有喝酒和超载”.汽车在水平公路行驶过程中,超速、超载容易引发交通事故,以下说法正确的是( )
A.汽车的速度越大,动能越小
B.汽车的速度越大,惯性越大
C.汽车的质量越大,惯性越大
D.汽车的质量越大,势能越大
查看答案和解析>>
科目:
来源:2011-2012学年辽宁省大连市普兰店27中九年级(上)物理寒假作业(六)(解析版)
题型:选择题
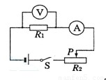
如图所示,电源电压不变,滑动变阻器的滑片P从左 端滑到右端的过程中( )

A.电流表、电压表示数都减小
B.电流表、电压表示数都增大
C.电流表示数增大、电压表示数减小
D.电流表示数减小、电压表示数增大
查看答案和解析>>
科目:
来源:2011-2012学年辽宁省大连市普兰店27中九年级(上)物理寒假作业(六)(解析版)
题型:填空题
小提琴和大提琴都属于弦乐器,都是靠琴弦的 而发声的;但当它们以相同的音调及响度演奏时,我们还能将它们的声音区分开来,这是因为声音的 不同.
查看答案和解析>>
科目:
来源:2011-2012学年辽宁省大连市普兰店27中九年级(上)物理寒假作业(六)(解析版)
题型:填空题

汽油机是热机中的一种,如图所示,是汽油机的
冲程,此过程是将内能转化为
能.热机的发展和应用推动了社会的快速发展,但同时又对环境造成了一定程度的污染,还要消耗大量的不可再生能源,对此请你写出一条合理建议:
.
查看答案和解析>>
科目:
来源:2011-2012学年辽宁省大连市普兰店27中九年级(上)物理寒假作业(六)(解析版)
题型:填空题
“削铁如泥”通常用来形容某种刀具品质优良,从科学的角度来讲,说明制作刀具的材料 比铁大.
查看答案和解析>>
科目:
来源:2011-2012学年辽宁省大连市普兰店27中九年级(上)物理寒假作业(六)(解析版)
题型:填空题
现代通信主要由卫星通信和
通信两种方式组成;通信卫星转发信号是通过
来实现的;如图是通信卫星在赤道上空3.6×10
4km高的运行轨道上的图片,它与地球同步转动,则卫星相对地面是
的.

查看答案和解析>>
科目:
来源:2011-2012学年辽宁省大连市普兰店27中九年级(上)物理寒假作业(六)(解析版)
题型:填空题
电动机在生产、生活中应用十分广泛,请你列举出两种装有电动机的家用电器或生产设备的名称: 、 .
查看答案和解析>>
科目:
来源:2011-2012学年辽宁省大连市普兰店27中九年级(上)物理寒假作业(六)(解析版)
题型:填空题
2006年9月我国成功研制出7000米载人潜水器,这是世界上下潜最深的载人潜水器,可达世界99.8%的洋底.如果潜水器在海面下7000m处作业,则受到来自海水的压强为 Pa. (取ρ海水=1.0×103kg/m3,g=10N/kg)
查看答案和解析>>
科目:
来源:2011-2012学年辽宁省大连市普兰店27中九年级(上)物理寒假作业(六)(解析版)
题型:填空题
用弹簧测力计在空气中称得一石块重1N,将石块完全浸没水中后,弹簧测力计示数为0.6N,则石块在水中受到的浮力为 N;石块的体积为 cm3.(取g=10N/kg)
查看答案和解析>>
科目:
来源:2011-2012学年辽宁省大连市普兰店27中九年级(上)物理寒假作业(六)(解析版)
题型:填空题
我省许多城市都修建了人工湖,这是利用了水的比热容较 的性质来调节气候.若一人工湖湖水的质量为1×107kg,水温升高2℃,则湖水吸收的热量是 J.[水的比热容为4.2x 103J/].
查看答案和解析>>