相关习题
 0  76875  76883  76889  76893  76899  76901  76905  76911  76913  76919  76925  76929  76931  76935  76941  76943  76949  76953  76955  76959  76961  76965  76967  76969  76970  76971  76973  76974  76975  76977  76979  76983  76985  76989  76991  76995  77001  77003  77009  77013  77015  77019  77025  77031  77033  77039  77043  77045  77051  77055  77061  77069  235360 

科目: 来源:2012-2013学年福建省南平市建瓯二中九年级(上)期中物理试卷(解析版) 题型:解答题

夏天教室里的电风扇在给大家带来凉爽的同时,叶片上也特别容易沾染灰尘,请你解释吹电风扇时感觉凉爽,及叶片上容易沾染灰尘的原因.

查看答案和解析>>

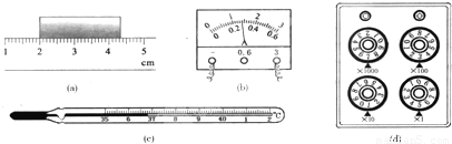
科目: 来源:2012-2013学年福建省南平市建瓯二中九年级(上)期中物理试卷(解析版) 题型:解答题

请你将图所示的测量结果记录在相应空格中.
(a)物体的长度为______ cm;(b)电流表的示数为______A;(C)体温计的示数为______℃;(d)电阻箱的示数为______Ω.

查看答案和解析>>

科目: 来源:2012-2013学年福建省南平市建瓯二中九年级(上)期中物理试卷(解析版) 题型:解答题

按安全用电的要求,把图中家庭电路中的各个元件连接完整.

查看答案和解析>>

科目: 来源:2012-2013学年福建省南平市建瓯二中九年级(上)期中物理试卷(解析版) 题型:解答题

小明在做一种物质熔化的实验时,数据记录如下表:
时间(min)12345678
温度(℃)424446484848484950
(1)根据实验数据在图中画出温度随时间变化的曲线;
(2)物质熔化过程中不断吸收热量,温度______,该物质的熔点是______℃;
(3)该物质属于______(填“晶体”或“非晶体”)

查看答案和解析>>

科目: 来源:2012-2013学年福建省南平市建瓯二中九年级(上)期中物理试卷(解析版) 题型:解答题

在“探究导体的电阻跟哪些因素有关”的实验中:
(1)甲同学的猜想是:①电阻可能与导体的材料有关.
乙同学的猜想是:②电阻可能与导体的温度有关.
丙同学的猜想是:③电阻可能与导体的横截面积有关.
根据你掌握的电学知识,你认为:④电阻还与______有关.
(2)现有金属材料甲和金属材料乙制成的各种不同规格的金属丝,规格如表.
金属丝代号 材料 长度/m  横截面积/mm2
  A 金属甲 10.2 
 B金属甲  10.1 
 C金属乙 1 0.1
 D金属乙 0.5 0.1
选用导线A和B进行实验,可以探究______(选填“甲”“乙”或“丙”)同学的猜想.要想探究猜想①应该选用______(选上面表格中导线的字母代号)两根导线进行实验.

查看答案和解析>>

科目: 来源:2012-2013学年福建省南平市建瓯二中九年级(上)期中物理试卷(解析版) 题型:解答题

在测定“小灯泡电功率”的实验中,电源电压为4.5V,小灯泡额定电压为2.5V、电阻约为10Ω.
(1)连接电路时开关应______,电流表的量程应选0~______A.
(2)请你用笔画线代替导线,将图1中的实物电路连接完整.
(3)闭合开关前,图2中滑动变阻器的滑片P应位于______选填“A”或“B”)端.
(4)小叶同学闭合开关,移动滑片P到某一点时,电压表示数(如图2所示)为______V,若他想测量小灯泡的额定功率,应将图1中滑片P向______选填“A”或“B”)端移动,使电压表的示数为2.5V.
(5)小向同学移动滑片P,记下多组对应的电压表和电流表的示数,并绘制成图3所示的I-U图象,根据图象信息,可计算出小灯泡的额定功率是______W.

(6)小勇同学在实验中连接好电路,闭合开关,移动变阻器滑片P,发现小灯泡始终不亮,电压表有示数,电流表无示数,原因可能是______(写出一种即可).

查看答案和解析>>

科目: 来源:2012-2013学年福建省南平市建瓯二中九年级(上)期中物理试卷(解析版) 题型:解答题

如图电路中,R1=10Ω,R2=20Ω,闭合开关后,电流表的示数为0.3A.
(1)电阻R1两端的电压是多少?
(2)通过R2的电流是多少?
(3)电路的总电阻是多少?

查看答案和解析>>

科目: 来源:2012-2013学年福建省南平市建瓯二中九年级(上)期中物理试卷(解析版) 题型:解答题

如表是小强家里的中华牌电热水器的技术参数表,根据表中的参数完成下列计算.
(1)该热水器正常工作时的电流是多大?
(2)该热水器的电阻是多大?
(3)该热水器正常工作1h消耗的电能是多少?
(4)某天测得该热水器工作时的实际电流是8A,试求此时热水器的实际电功率是多大?
型号XCD50A
额定电压220V
额定功率2.2kW
温度设定范围35-85摄氏度
内胆压力0.6Mpa
容量50L
加热方式电加热管
整机外形尺寸930*480mm

查看答案和解析>>

科目: 来源:2012-2013学年湖北省孝感市文昌中学九年级(上)期中物理试卷(解析版) 题型:选择题

目前我国许多城市开始进行PM2.5的环境监测,PM2.5是指大气中直径小于或等于2.5的颗粒物,也称之为可入肺颗粒物.2.5单位是( )
A.厘米(cm )
B.毫米(mm)
C.微米(um)
D.纳米(nm)

查看答案和解析>>

科目: 来源:2012-2013学年湖北省孝感市文昌中学九年级(上)期中物理试卷(解析版) 题型:选择题

小明同学阅读了下表后,归纳了一些结论,其中正确的是( )
0℃、1标准大气压下部分物质的密度(千克/米3
1.0×1030.9×103
水银13.6×103干松木0.4×103
酒精0.8×1038.9×103
煤油0.8×1032.7×103

A.不同物质的密度一定不同
B.固体物质的密度一定比液体物质大
C.同种物质的密度一定相同
D.质量相同的实心铜块和铝块,铜块的体积较小

查看答案和解析>>

同步练习册答案