相关习题
 0  76940  76948  76954  76958  76964  76966  76970  76976  76978  76984  76990  76994  76996  77000  77006  77008  77014  77018  77020  77024  77026  77030  77032  77034  77035  77036  77038  77039  77040  77042  77044  77048  77050  77054  77056  77060  77066  77068  77074  77078  77080  77084  77090  77096  77098  77104  77108  77110  77116  77120  77126  77134  235360 

科目: 来源:2012-2013学年河北省秦皇岛市九年级(上)期中物理试卷(解析版) 题型:填空题

指明下列事物中内能改变的方法:
(1)一盆热水放在室内,一会儿就凉了   
(2)高温高压的气体,迅速膨胀,对外做功,温度降低   
(3)铁块在火炉中加热,一会热得发红   
(4)电烙铁通电后,温度升高   
(5)用打气筒给车胎打气,过一会儿筒壁变热   
(6)两手互相摩擦取暖   

查看答案和解析>>

科目: 来源:2012-2013学年河北省秦皇岛市九年级(上)期中物理试卷(解析版) 题型:填空题

用火炉加热水,水的初温是20℃,质量为1kg,加热后温度升高了50℃,水吸收的热量为    J.在四冲程汽油机工作过程中,将内能转化为机械能的是    冲程.[c=4.2×103J/].

查看答案和解析>>

科目: 来源:2012-2013学年河北省秦皇岛市九年级(上)期中物理试卷(解析版) 题型:解答题

秋天夜晚,同学们在野外宿营,围坐在熊熊燃烧的篝火旁会感到暖和,是因为干木柴燃烧放出了______,使周围空气内能______,从能的转化角度看是干木柴的______能转化为______能.

查看答案和解析>>

科目: 来源:2012-2013学年河北省秦皇岛市九年级(上)期中物理试卷(解析版) 题型:填空题

放在水平桌上的小磁针,静止时指北的一端是小磁针的     极.地球本身是一个巨大的磁体,在地磁场的磁感线从地理的     极附近出来,回到地理的     极附近.

查看答案和解析>>

科目: 来源:2012-2013学年河北省秦皇岛市九年级(上)期中物理试卷(解析版) 题型:填空题

甲乙两个物体相互摩擦后都带了电,若物体甲与带正电的丙物体相互排斥,则物体乙一定带    电,物体丙与物体乙必定   

查看答案和解析>>

科目: 来源:2012-2013学年河北省秦皇岛市九年级(上)期中物理试卷(解析版) 题型:填空题

一个完整的电路是由提供电能的    、消耗电能的    、控制电路通断的    和提供电的流动路径的    四部分组成的.

查看答案和解析>>

科目: 来源:2012-2013学年河北省秦皇岛市九年级(上)期中物理试卷(解析版) 题型:填空题

小张在听音乐时,耳机中的乐曲声是由耳机膜片    产生的.一次他不小心把一边耳机的线扯断了,而另一边耳机仍有声音,根据此现象可判断两边耳机是    的(选填“串联”或“并联”).

查看答案和解析>>

科目: 来源:2012-2013学年河北省秦皇岛市九年级(上)期中物理试卷(解析版) 题型:填空题

在某电路中,一灯泡的灯丝断了,另一灯泡也不能工作,则该电路是    电路,该电路至少需    个开关控制这二个灯泡.

查看答案和解析>>

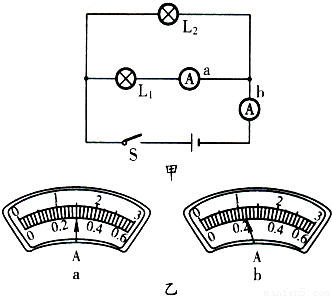
科目: 来源:2012-2013学年河北省秦皇岛市九年级(上)期中物理试卷(解析版) 题型:填空题

如甲图电路,当开关s闭合后,电流表的指针偏转如乙图所示,其中a电流表测量的是通过     (选填“电源…”、“L1”或“L2”)的电流,b电流表的读数应为    安.

查看答案和解析>>

科目: 来源:2012-2013学年河北省秦皇岛市九年级(上)期中物理试卷(解析版) 题型:填空题

在图六中,标出通电螺线管周围的磁感线方向及小磁针静止时的N、S极.

查看答案和解析>>

同步练习册答案