相关习题
 0  77031  77039  77045  77049  77055  77057  77061  77067  77069  77075  77081  77085  77087  77091  77097  77099  77105  77109  77111  77115  77117  77121  77123  77125  77126  77127  77129  77130  77131  77133  77135  77139  77141  77145  77147  77151  77157  77159  77165  77169  77171  77175  77181  77187  77189  77195  77199  77201  77207  77211  77217  77225  235360 

科目: 来源:2012-2013学年重庆市万州区岩口复兴学校九年级(上)期中物理试卷(解析版) 题型:解答题

小明同学用如图甲所示的装置对冰加热.
(1)根据实验记录他绘制了冰熔化时温度随时间变化的图象,如图乙所示.由图象可知冰是______(填“晶体”或“非晶体”);在10min末这一时刻,杯里的物质处于______(填“固态”、“液态”或“固液混合态”); 冰熔化过程需要______min,从AB段和CD段的比较可知,冰的比热容比水的比热容要______(填“大”或“小”).
(2)继续加热到水沸腾,此时温度计的示数如图丙所示,则水的沸点是______℃,这说明当时水面上方的大气压______(填“高于”、“低于”或“等于”)一个标准大气压,继续加热水的温度会______(填“升高”、“下降”或“不变”).
(3)实验中看到有“白气”不断从烧杯中冒出,这些“白气”是由于______ 形成的.

查看答案和解析>>

科目: 来源:2012-2013学年重庆市万州区岩口复兴学校九年级(上)期中物理试卷(解析版) 题型:解答题

瑞瑞同学准备对串联电路的电压规律进行探究.主要步骤如下:a、按图甲所示的电路图连接电路;b、闭合开关,用电压表测出L两端的电压;c、在测滑动变阻器R两端的电压时,瑞瑞同学为了节省实验时间,采用以下方法:电压表所接的B接点不动,只断开A接点,并改接到滑片P上的C点;d、测出AC间的电压.
(1)请你用笔画线代替导线,按照图甲所示电路图,帮助瑞瑞同学将乙图中的实物电路图连接完整.(电源电压不超过3V,连线不能交叉)
(2)在按电路图连接电路时,应先将开关______填“断开”或“闭合”),再滑动变阻器的滑片p移到______的位置.(填“左端”或“右端”)
(3)瑞瑞同学用上面的方法能否测出滑动变阻器R两端的电压?答:______,原因是______.
(4)方法改正后,所测出AB、BC、AC间的电压记录在下右表格中;
UAB/VUBC/VUAC/V
1.41.52.9
(5)分析瑞瑞同学的实验数据得出的结论是:______.
(6)这个实验在设计方案上还存在的不足之处是:______.弥补瑞瑞同学设计不足下一步如何操作______.

查看答案和解析>>

科目: 来源:2012-2013学年重庆市万州区岩口复兴学校九年级(上)期中物理试卷(解析版) 题型:解答题

全世界石油、煤炭消耗量的迅速增长,导致全球能源危机加剧.因此,开发和利用新能源,成为全世界最为关注的问题之一.张浩家的太阳能热水器内装有50kg、20℃的水,经过一天照射后,温度升高了60℃.他们利用煤气灶烧水,需燃烧0.8kg煤气..求:
(1)50kg、20℃的水加热到60℃需吸收的热量;
(2)完全燃烧0.8kg煤气放出的热量;
(3)煤气灶烧水的效率.

查看答案和解析>>

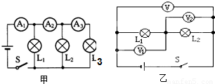
科目: 来源:2012-2013学年重庆市万州区岩口复兴学校九年级(上)期中物理试卷(解析版) 题型:解答题

(1)如图甲所示,当开关S闭合后,电流表A1、A2、A3的示数分别为1.5A、1A、0.8A,则通过L1、L2、L3的电流分别是多大?
(2)如图乙所示的电路中,开关S闭合后,电压表V 1、V 2的示数之比为3:1,电压表V的示数为12V.L 1、L 2两端电压分别是多少?

查看答案和解析>>

科目: 来源:2012-2013学年青海省西宁市城西区湟川中学第二分校九年级(上)期中物理试卷(解析版) 题型:选择题

物质是由分子组成,分子由原子组成,那么原子是由下面哪两部分组成( )
A.原子核、质子
B.原子核、中子
C.原子核、夸克
D.原子核、电子

查看答案和解析>>

科目: 来源:2012-2013学年青海省西宁市城西区湟川中学第二分校九年级(上)期中物理试卷(解析版) 题型:选择题

地球距离太阳的位置适宜,才有了人类的生存与繁衍,那么,地球位于靠近太阳的(第几轨道就表示离太阳有多远)( )
A.第一轨道上
B.第八轨道上
C.第三轨道上
D.第九轨道上

查看答案和解析>>

科目: 来源:2012-2013学年青海省西宁市城西区湟川中学第二分校九年级(上)期中物理试卷(解析版) 题型:选择题

下列说法正确的是( )
A.登月舱从地球到月球质量变小
B.1kg铁比1kg棉花的质量大
C.玻璃打碎后,形状发生了变化,但质量不变
D.一杯水凝固成冰后体积变大,质量也变大

查看答案和解析>>

科目: 来源:2012-2013学年青海省西宁市城西区湟川中学第二分校九年级(上)期中物理试卷(解析版) 题型:选择题

以下球类中质量接近1千克的是( )
A.足球
B.羽毛球
C.铅球
D.乒乓球

查看答案和解析>>

科目: 来源:2012-2013学年青海省西宁市城西区湟川中学第二分校九年级(上)期中物理试卷(解析版) 题型:选择题

托盘天平横梁上都有标尺和游码,调节游码的在标尺上的位置的作用是( )
A.相当于向左调节平衡螺母
B.代替指针用来指示平衡
C.相当于向右盘中加减小砝码
D.相当于向左盘里加砝码

查看答案和解析>>

科目: 来源:2012-2013学年青海省西宁市城西区湟川中学第二分校九年级(上)期中物理试卷(解析版) 题型:选择题

一个学生调节天平,使横梁平衡后,发现游码恰好在标尺中央,游码标尺的最大刻度为1g,他用这个天平测量一物体的质量,把物体放在左盘,右盘放27g砝码,又把游码拨到最左端,天平平衡,则被测物体的质量是( )
A.26.5g
B.27.5g
C.26g
D.28g

查看答案和解析>>

同步练习册答案