相关习题
 0  77437  77445  77451  77455  77461  77463  77467  77473  77475  77481  77487  77491  77493  77497  77503  77505  77511  77515  77517  77521  77523  77527  77529  77531  77532  77533  77535  77536  77537  77539  77541  77545  77547  77551  77553  77557  77563  77565  77571  77575  77577  77581  77587  77593  77595  77601  77605  77607  77613  77617  77623  77631  235360 

科目: 来源:2012-2013学年江苏省无锡市前洲中学九年级(上)月考物理试卷(12月份)(解析版) 题型:填空题

在解决物理问题的过程中,我们常常会用到一些隐含的已知条件.
(1)在1标准大气压下,把水烧开,隐含条件:水的末温为   
(2)给遥控器换上两节新的干电池,隐含条件:电源电压为   

查看答案和解析>>

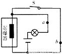
科目: 来源:2012-2013学年江苏省无锡市前洲中学九年级(上)月考物理试卷(12月份)(解析版) 题型:填空题

恐怖分子在公共场所安装了定时炸弹,其引爆装置如图所示,起爆前定时开关S是闭合的,当设定起爆时间一到,定时开关S会自动断开.为使引爆装置停止工作,拆弹专家应在图中    (填“a”或“b”)处剪断导线.拆除前起爆器上    (填“有”或“没有”)电流通过.

查看答案和解析>>

科目: 来源:2012-2013学年江苏省无锡市前洲中学九年级(上)月考物理试卷(12月份)(解析版) 题型:填空题

图甲是安装在木板正面的部分电路,其中a、b、c、d是穿越木板的接线柱,两个灯座的两端分别接在两个接线柱上,安装两个相同的小灯泡Ll、L2.木板背面的部分接线柱之间有导线相连着,从而使木板正背两面的电路组成一个完整的电路.闭合开关通电后,两灯都能正常发光.
(1)小明说出了判断两灯是串联还是并联的正确方法:用手将其中一个小灯泡取掉,若另一灯泡仍发光,则说明两灯的连接方式是    ,否则是另一种连接方式.
(2)小丽在电源和开关之间串联接入电流表,闭合开关,两灯亮,电流表示数如图乙所示,可初步判断通过灯L的电流可能是    A,也可能是    A、若电流大小是后一填空的值,则表明两灯的连接方式是   

查看答案和解析>>

科目: 来源:2012-2013学年江苏省无锡市前洲中学九年级(上)月考物理试卷(12月份)(解析版) 题型:填空题

小娟在探究“电阻上的电流跟两端电压的关系”时,将记录整理的实验数据绘制成如图所示I-U关系图象.由如图可得甲的电阻为    Ω,这两个电阻串联后接在电压为9V的电源上,电路中的电流为     A;这两个电阻并联后接在9V电源上,乙中的电流为    A,干路中的电流为    A.

查看答案和解析>>

科目: 来源:2012-2013学年江苏省无锡市前洲中学九年级(上)月考物理试卷(12月份)(解析版) 题型:填空题

小军家4月份抄表时电能表的示数为4 2 5 3 0,5月份抄表时电能表示数如图所示.已知1kW?h电费为0.52元,则小君家该月应付电费    元.小军想利用电能表测出一只电炉的功率,于是,他将这只电炉接入家庭电路中,关闭其它用电器,测出10min内电能表表盘转过50 r,则该电炉的功率是    W,电炉发热时的电阻是    Ω.

查看答案和解析>>

科目: 来源:2012-2013学年江苏省无锡市前洲中学九年级(上)月考物理试卷(12月份)(解析版) 题型:解答题

(1)如图1所示,用螺丝刀撬起图钉.请在图上画出螺丝刀受到图钉阻力F2的力臂;并画出作用在螺丝刀柄上A点的最小动力F1的示意图.
(2)小奕同学在“测量小灯泡电阻”实验中,选择二节新的干电池做电源,小灯泡的额定电压2.5V,灯泡的电阻约为10Ω,滑动变阻器上标有“20Ω 1A”字样.图2是小奕连接的不完整的实验电路,请你用笔画线代替导线把实物图连接完整,要求:滑动变阻器的滑片向右移动时小灯泡变亮.

查看答案和解析>>

科目: 来源:2012-2013学年江苏省无锡市前洲中学九年级(上)月考物理试卷(12月份)(解析版) 题型:解答题

在探究影响导体电阻大小的因素时,小兵、小红两位同学作出了如下猜想:
①导体的电阻与导体的长度有关
②导体的电阻与导体的横截面积有关.
③导体的电阻与导体的材料有关.
实验室提供了4根电阻丝,规格、材料如表
编号材料长度/m横截面积/mm2
A镍铬合金0.50.5
B镍铬合金1.00.5
C镍铬合金0.51.0
D锰铜合金0.50.5
(1)为了验证上述猜想①,应该选用编号为______两根电阻丝进行实验;如果选用编号为A、C两根电阻丝进行实验,是为了验证猜想______(填序号);


(2)有同学认为,可以根据灯泡亮度的变化来判断接入的电阻丝阻值的变化情况.老师指出:此实验中这种方法不可取.这是因为电源电压一定时,所选电阻丝的阻值相差太小,灯泡亮度变化______(选填“明显”或“不明显”).
(3)在最近几年,我国城乡许多地区进行了输电线路的改造,将原来细的铝质输电线换成较粗的铝质输电线,这样就______了输电线的电阻,从而可以______输电线上的电能损失(选填“增大”或“减小”).

查看答案和解析>>

科目: 来源:2012-2013学年江苏省无锡市前洲中学九年级(上)月考物理试卷(12月份)(解析版) 题型:解答题

小明确按如图所示的电路图探究“通过导体的电流跟导体两端电压和导体电阻的关系”.
(1)在连接电路时,滑动变阻器的滑片应处于______位置,其目的是______.
(2)在连接电路时,当连完最后一根导线后就发现两个表的指针发生偏转,并且指针总在晃动,造成上述现象的原因分别是______、______.
(3)排除故障后,首先探究“通过导体的电流跟导体两端电压的关系”,调节滑动变阻器,测出通过电阻R的电流和对应的电压值如下表
U(V)0.51.01.52.02.53.0
I(A)0.10.20.30.40.50.6
根据表中数据得到的结论是______.
通过计算可知,此次实验所用的电阻为______Ω
(4)接着探究“通过导体的电流跟导体电阻的关系”.首先将5Ω的电阻接入电路,移动滑动变阻器的滑片,使电压表的示数为2V,读出并记下电流值;然后将5Ω的电阻改接成10Ω的电阻,他下一步的操作应该是:闭合开关,______,并记下电流值;再改接20Ω的电阻,重复上述实验.

查看答案和解析>>

科目: 来源:2012-2013学年江苏省无锡市前洲中学九年级(上)月考物理试卷(12月份)(解析版) 题型:解答题

小明和同学在打扫实验室时,发现实验桌上有一个灯泡,灯泡上标明额定电压为4V,额定功率看不清楚.小明很想知道它的额定功率,刚好桌上还有电阻箱、电流表、开关、12V的稳压电源各一个,小明用它们连成了如图所示的电路,其中R为电阻箱,小明测出了电流表示数随电阻箱阻值变化的几组值,并将其记录在如下的表格中.
电流/A O.90 0.80 0.50 O.36 0.28 0.22
电阻/Q    8    10    20    30    40    50
(1)当电流为0.50A时,电阻箱两端的电压是______V,灯泡的电阻为______Ω.
(2)根据表中数据,请求出小灯泡的额定功率.
(3)小明的同学发现小明记录的数据中有一个电流值有错误,这个错误数据是______A.
(4)小明的同学认为利用图示器材还能进行下列实验,其中无法完成的是______.
A.测量小灯泡正常工作时的电阻    B.探究小灯泡的亮度与灯泡功率的关系
C.探究导体中的电流与电压的关系    D.探究串联电路中电流的特点.

查看答案和解析>>

科目: 来源:2012-2013学年江苏省无锡市前洲中学九年级(上)月考物理试卷(12月份)(解析版) 题型:填空题

小明同学设计的“风力测试仪”在校科技节上备受师生们的青睐,“风力测试仪”的原理如图所示.电源电压6V,R为保护电阻,AB为长20厘米、阻值为50Ω的均匀电阻丝.OP为质量、电阻均不计的金属细杆,下端连接一个球P.闭合开关S,无风时,OP下垂并与电阻丝的B端接触;有风时,球P受风力的作用,使金属细杆OP绕悬挂点O偏转,当偏转到离电阻丝A端5厘米时,电流表示数为0.3A.已知悬挂点O与电阻丝B端的距离为10cm,金属细杆OP始终与电阻丝AB接触良好且无摩擦,则R的阻值为    ,无风时电流表示数    .(结果保留一位小数)

查看答案和解析>>

同步练习册答案