相关习题
0 77497 77505 77511 77515 77521 77523 77527 77533 77535 77541 77547 77551 77553 77557 77563 77565 77571 77575 77577 77581 77583 77587 77589 77591 77592 77593 77595 77596 77597 77599 77601 77605 77607 77611 77613 77617 77623 77625 77631 77635 77637 77641 77647 77653 77655 77661 77665 77667 77673 77677 77683 77691 235360
科目:
来源:2012-2013学年广东省惠州市平潭中学九年级(上)第一次月考物理试卷(解析版)
题型:解答题

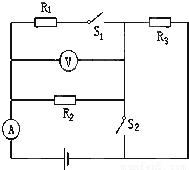
如图所示的电路中,电源电压是12V且保持不变,R
1=R
3=4Ω,R
2=6Ω.试求:
(1)当开关S
1、S
2断开时,电流表和电压表示数各是多少?
(2)当开关S
1、S
2均闭合时,电流表和电压表示数各是多少?
查看答案和解析>>
科目:
来源:2012-2013学年广东省惠州市平潭中学九年级(上)第一次月考物理试卷(解析版)
题型:解答题
如图所示是常用手电筒的剖面图,请观察它的结构,回答下列问题.
(1)由金属外壳构成的手电筒内,干电池是电路中的______,小灯泡是电路中的______,按钮是电路中的______,外壳是电路中的______.
(2)画出与其对应的电路图.

(3)在野营时,若你的手电筒不亮了,其原因可能是:______或______.
查看答案和解析>>
科目:
来源:2012-2013学年广东省惠州市平潭中学九年级(上)第一次月考物理试卷(解析版)
题型:解答题
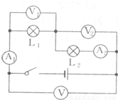
某同学按如图所示的电路进行实验得到的数据如表所示.
| V示数(V) | A1示数(A) | A2示数(A) | V1示数(V) | V2示数(V) |
| 12 | 0.5 | 0.5 | 7.5 | 4.5 |
(1)由图可知L
1与L
2,的连接方式为______.
(2)由表中的数据(A
1,A
2示数)可得出的结论是:______.
(3)分析电压表V,V
1,V
2的示数,可归纳出的结论是:______.
(4)若L
1的电阻为R
1,L
2的电阻为R
2,你猜想R
1与R
2的关系是:______.

查看答案和解析>>
科目:
来源:2012-2013学年广东省惠州市平潭中学九年级(上)第一次月考物理试卷(解析版)
题型:解答题
在用电压表和电流表测电阻的实验中:
(1)这个实验根据______定律,用电压表测电阻两端电压,用电流表测通过电阻的电流,从而求出电阻,这种方法叫______.在实验前要选好器材,并了解电压表和电流表的______.
(2)连接电路后,闭合开关,电流表指针偏转如图所示,原因是______.
(3)纠正错误后,测得的数据如下表,请在下表的空白处填上正确的数值.
| 实验次数 | 电压U/V | 电流I/A | 电阻R/Ω | 电阻R平均值/Ω |
| 1 | 4.8 | | 6.0 | |
| 2 | 5.5 | 0.9 | 6.1 |
| 3 | 6.4 | 1.1 | 5.8 |

查看答案和解析>>
科目:
来源:2012-2013学年江苏省泰州市姜堰市张甸中学九年级(上)月考物理试卷(12月份)(解析版)
题型:选择题
标有“220V 40W”的字样的电视机、电风扇、电热毯和日光灯四种电器,都在额定电压下工作相同的时间,则产生的热量最多的是( )
A.电热毯
B.电风扇
C.电视机
D.日光灯
查看答案和解析>>
科目:
来源:2012-2013学年江苏省泰州市姜堰市张甸中学九年级(上)月考物理试卷(12月份)(解析版)
题型:选择题
火箭点火后,载着神八加速上升过程中,神八的机械能变化情况是( )
A.动能减小,重力势能增大
B.动能减小,重力势能减小
C.动能增大,重力势能减小
D.动能增大,重力势能增大
查看答案和解析>>
科目:
来源:2012-2013学年江苏省泰州市姜堰市张甸中学九年级(上)月考物理试卷(12月份)(解析版)
题型:选择题
以下杠杆中,属于费力杠杆的是( )
A.

撬棒
B.

羊角锤
C.

核桃夹
D.

食品夹
查看答案和解析>>
科目:
来源:2012-2013学年江苏省泰州市姜堰市张甸中学九年级(上)月考物理试卷(12月份)(解析版)
题型:选择题
登楼梯比赛中,小明同学从一楼登上五楼用了12s,则他登楼的功率最接近于( )
A.5W
B.50W
C.500W
D.5000W
查看答案和解析>>
科目:
来源:2012-2013学年江苏省泰州市姜堰市张甸中学九年级(上)月考物理试卷(12月份)(解析版)
题型:选择题
下列有关热的说法正确的是( )
A.晶体在熔化过程中温度不变,内能也不变
B.内燃机的压缩冲程,主要是用热传递的方法增加了气缸内的物质的内能
C.用水作汽车冷却液,是因为水的比热容大
D.柴油机的效率比汽油机的效率高,是因为柴油的热值比汽油的热值大
查看答案和解析>>
科目:
来源:2012-2013学年江苏省泰州市姜堰市张甸中学九年级(上)月考物理试卷(12月份)(解析版)
题型:选择题
某用电器正常工作时,15min内消耗的电能是0.3KW?h,这个用电器可能是( )
A.空调器
B.电冰箱
C.电视机
D.收音机
查看答案和解析>>