相关习题
0 77543 77551 77557 77561 77567 77569 77573 77579 77581 77587 77593 77597 77599 77603 77609 77611 77617 77621 77623 77627 77629 77633 77635 77637 77638 77639 77641 77642 77643 77645 77647 77651 77653 77657 77659 77663 77669 77671 77677 77681 77683 77687 77693 77699 77701 77707 77711 77713 77719 77723 77729 77737 235360
科目:
来源:2012-2013学年福建省南平市建瓯市徐墩中学九年级(上)第二次联考物理试卷(解析版)
题型:选择题
用毛皮摩擦过的橡胶棒去靠近甲和乙两个轻小物体,结果与甲相排斥、跟乙相吸引.于是可以判定( )
A.甲带正电,乙带负电
B.甲带负电,乙带正电
C.甲带负电,乙不带电或带正电
D.甲带正电,乙不带电或带负电
查看答案和解析>>
科目:
来源:2012-2013学年福建省南平市建瓯市徐墩中学九年级(上)第二次联考物理试卷(解析版)
题型:选择题

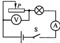
如图所示的电路,电源电压保持不变,闭合开关S后,当滑动变阻器的滑片P向左移动时,关于电表说法正确的是( )
A.电流表示数变大,电压表示数变小
B.电流表示数变大,电压表示数变大
C.电流表示数变小,电压表示数变大
D.电流表示数变小,电压表示数变小
查看答案和解析>>
科目:
来源:2012-2013学年福建省南平市建瓯市徐墩中学九年级(上)第二次联考物理试卷(解析版)
题型:填空题
“嫦娥一号”卫星在绕月飞行的1年时间里,可能会遭遇两次月食,月食期间没有太阳光照射,卫星表面的温度会急剧下降,内能 (选填“增大”、“减小”或“不变”),这是通过 的方式改变物体的内能.
查看答案和解析>>
科目:
来源:2012-2013学年福建省南平市建瓯市徐墩中学九年级(上)第二次联考物理试卷(解析版)
题型:解答题
汽油机的一个工作循环由四个冲程组成,其中在______冲程中,将内能转化为机械能.
查看答案和解析>>
科目:
来源:2012-2013学年福建省南平市建瓯市徐墩中学九年级(上)第二次联考物理试卷(解析版)
题型:填空题
在串联电路中,开关的位置改变了,它对电路的控制作用 (填“改变”或“不变”),在并联电路中可以控制整个电路的开关一定连在 上.
查看答案和解析>>
科目:
来源:2012-2013学年福建省南平市建瓯市徐墩中学九年级(上)第二次联考物理试卷(解析版)
题型:填空题
测得某段导体两端的电压是6V,通过的电流是0.3A,则这段导体的电阻是 Ω,若将电阻两端的电压增加到24V,则通过的电流是 A,导体的电阻是 Ω.
查看答案和解析>>
科目:
来源:2012-2013学年福建省南平市建瓯市徐墩中学九年级(上)第二次联考物理试卷(解析版)
题型:解答题
干木柴的热值是1.2×107 J/kg,它表示1kg的干木柴完全燃烧能释放出______J 的能量.燃烧过程由化学能转化______能.
查看答案和解析>>
科目:
来源:2012-2013学年福建省南平市建瓯市徐墩中学九年级(上)第二次联考物理试卷(解析版)
题型:填空题
将一根镍铬合金丝均匀拉长接入电路,其电阻将 ;若将这根镍铬合金丝对折后接入电路,其电阻将 .(填“增大”、“减小”或“不变”)
查看答案和解析>>
科目:
来源:2012-2013学年福建省南平市建瓯市徐墩中学九年级(上)第二次联考物理试卷(解析版)
题型:解答题
滑动变阻器铭牌上标有“100Ω 2A”字样,其中100Ω表示的意思是______,将此滑动变阻器连入电路中,当滑片P分别为下列情况时,确定滑动变阻器连入电路中的电阻值R
AB(如图所示).
(1)滑片P在中点时,R
AB=______Ω;
(2)滑片P在最右端时,R
AB=______Ω.

查看答案和解析>>
科目:
来源:2012-2013学年福建省南平市建瓯市徐墩中学九年级(上)第二次联考物理试卷(解析版)
题型:填空题
如图所示电路,开关S闭合后,电流表的示数
( 填“变大”、“变小”或“不变”);若电流表示数变化了0.1A,则电阻R=
Ω.(电源电压保持不变)

查看答案和解析>>