相关习题
0 77870 77878 77884 77888 77894 77896 77900 77906 77908 77914 77920 77924 77926 77930 77936 77938 77944 77948 77950 77954 77956 77960 77962 77964 77965 77966 77968 77969 77970 77972 77974 77978 77980 77984 77986 77990 77996 77998 78004 78008 78010 78014 78020 78026 78028 78034 78038 78040 78046 78050 78056 78064 235360
科目:
来源:2012-2013学年湖南省衡阳23中九年级(上)期中物理复习试卷(解析版)
题型:选择题
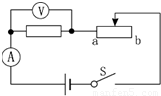
在如图所示的电路中,电源电压不变,当S闭合,滑动变阻器的滑片P从左向右移动时,三个电表示数的变化情况是( )

A.A变大,V
1不变,V
2变大
B.A变大,V
1变小,V
2不变
C.A不变,V
1变小,V
2变大
D.A变小,V
1变大,V
2变大
查看答案和解析>>
科目:
来源:2012-2013学年湖南省衡阳23中九年级(上)期中物理复习试卷(解析版)
题型:选择题
如图所示的电路中,电源电压为6V,定值电阻的阻值为10Ω,滑动变阻器的最大阻值为20Ω.在开关闭合,滑片由b端向a端移动的过程中,以下说法正确的是( )

A.电压表的示数减小
B.电压表示数与电流表示数的比值不变
C.当滑片移到中点时,电压表示数为2V
D.当滑片移到a端时,电流表示数为0.2A
查看答案和解析>>
科目:
来源:2012-2013学年湖南省衡阳23中九年级(上)期中物理复习试卷(解析版)
题型:选择题
使用杠杆、定滑轮、动滑轮等简单机械,将同一物体匀速提升相同的高度,若机械的摩擦和自重可以忽略不计,则下列说法中正确的是( )
A.因为使用定滑轮不省力,所以使用定滑轮比使用杠杆做功多
B.因为使用动滑轮要费距离,所以使用动滑轮比使用定滑轮做功多
C.因为使用动滑轮要费距离,所以使用动滑轮比使用杠杆做功多
D.使用每一种机械所做的功一样多
查看答案和解析>>
科目:
来源:2012-2013学年湖南省衡阳23中九年级(上)期中物理复习试卷(解析版)
题型:选择题
两辆汽车均在水平公路上匀速行驶,在相等的时间内通过的距离之比为2:1.若两车的发动机的输出功率相等,则在相等的时间内( )
A.两车的牵引力之比为2:1.
B.两车的牵引力之比为1:1
C.两车做功之比是1:2
D.两车做功之比为1:1
查看答案和解析>>
科目:
来源:2012-2013学年湖南省衡阳23中九年级(上)期中物理复习试卷(解析版)
题型:选择题
如图所示的两个滑轮组,每个滑轮的质量都相同.用它们提升等质量的物体时,作用在两个滑轮组上的动力分别为F
1、F
2,两个滑轮组的机械效率分别为η
1和η
2.不计摩擦,则下列判断正确的是( )

A.F
1>F
2B.F
1<F
2C.η
1>η
2D.η
2>η
1
查看答案和解析>>
科目:
来源:2012-2013学年湖南省衡阳23中九年级(上)期中物理复习试卷(解析版)
题型:选择题
一颗子弹射向空中,在上升到最高点以前,它的( )
A.动能增大,重力势能增大
B.动能减小,重力势能减小
C.动能减小,重力势能增大
D.动能增大,重力势能减小
查看答案和解析>>
科目:
来源:2012-2013学年湖南省衡阳23中九年级(上)期中物理复习试卷(解析版)
题型:选择题
如图所示,人造卫星在大气层以外的空间绕地球做椭圆轨道运动,卫星离地球最远的地方叫远地点,离地球最近的地方叫近地点.卫星在由远地点向近地点运动的过程中( )

A.机械能在减小
B.机械能不变,动能增大,势能减小
C.机械能在增大
D.机械能不变,动能减小,势能增大
查看答案和解析>>
科目:
来源:2012-2013学年湖南省衡阳23中九年级(上)期中物理复习试卷(解析版)
题型:选择题
下列说法不正确的是( )
A.相同时间内做功越多,功率越大
B.功率大的机械做功一定快
C.机械效率越大,功率一定越大
D.做功相同时,功率大的所用时间少
查看答案和解析>>
科目:
来源:2012-2013学年湖南省衡阳23中九年级(上)期中物理复习试卷(解析版)
题型:选择题
关于功与能间的关系,以下说法中正确的是( )
A.橡皮筋一定具有弹性势能
B.一个物体的能量越大,它具有的功就越多
C.能量之间的转化可以通过做功来实现
D.能量反映物体对外做功的本领,所以能量就是功
查看答案和解析>>
科目:
来源:2012-2013学年湖南省衡阳23中九年级(上)期中物理复习试卷(解析版)
题型:选择题
下列机械能增大的是( )
A.自由下落的苹果
B.在平直的公路上匀速行驶的汽车
C.静止在桌面上的书
D.匀速上升的飞机
查看答案和解析>>