相关习题
0 78332 78340 78346 78350 78356 78358 78362 78368 78370 78376 78382 78386 78388 78392 78398 78400 78406 78410 78412 78416 78418 78422 78424 78426 78427 78428 78430 78431 78432 78434 78436 78440 78442 78446 78448 78452 78458 78460 78466 78470 78472 78476 78482 78488 78490 78496 78500 78502 78508 78512 78518 78526 235360
科目:
来源:2012-2013学年江苏省南通市海门市正余中学九年级(上)期中物理试卷(解析版)
题型:填空题

如图所示电路中,当
闭合时,L
1、L
2并联;当
闭合时,电路会发生短路,损坏电源.
查看答案和解析>>
科目:
来源:2012-2013学年江苏省南通市海门市正余中学九年级(上)期中物理试卷(解析版)
题型:填空题
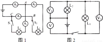
在如图1所示的电路中,闭合S
1和S
2,A
1的示数为0.32A,A
2的示数是0.56A,则A
4的示数是
A.如图2所示,已知电源为四节新的干电池串联而成,电压表V
1的读数为3.8V,那电压表V
2的读数是
V.

查看答案和解析>>
科目:
来源:2012-2013学年江苏省南通市海门市正余中学九年级(上)期中物理试卷(解析版)
题型:填空题

如图所示,大李和小李用一根均匀的木棒抬重物.大李为了减轻小李的负担,他可以(写出一种合理的做法)
;假如大李要承担3/5的力,那么,小李的肩头到重物挂点O的距离与大李的肩头到重物挂点O的距离之比是
.
查看答案和解析>>
科目:
来源:2012-2013学年江苏省南通市海门市正余中学九年级(上)期中物理试卷(解析版)
题型:解答题

小丽要自制滑动变阻器,老师向她提供了下表所示的几种材料及相关数据,她应选取______材料做电阻丝,因为在相同条件下,这种材料的电阻______(选填“较大”或“较小”).图中AB和CD是她选取的这种材料制成的两根粗细一样的电阻丝,用图示的装置可以研究导体电阻的大小跟______的关系.
| 几种长1m的横截面积为1mm2的金属导体在20℃时的电阻值 |
| 导体 | 电阻R/Ω |
| 铜 | 0.017 |
| 铝 | 0.027 |
| 铁 | 0.096 |
| 镍铬合金 | 1.1 |
查看答案和解析>>
科目:
来源:2012-2013学年江苏省南通市海门市正余中学九年级(上)期中物理试卷(解析版)
题型:填空题
电阻箱这种变阻器虽然不能在阻值范围内连续不间断地改变电阻的大小,但它比滑动变阻器优越的地方是能读出电阻值,如图1,电阻箱的示数是
Ω.如图2所示,用灵敏度好、量程合适的电流表和电阻箱R可以粗略地测出未知电阻R
x的阻值,请完成下面的操作步骤:
A.断开开关,连接好实物图,将电阻箱的阻值调到最大;
B.先闭合开关
,读出电流表的示数I;
C.
.

查看答案和解析>>
科目:
来源:2012-2013学年江苏省南通市海门市正余中学九年级(上)期中物理试卷(解析版)
题型:解答题
按图所示的电路图,把图中的实物元件连接起来.

查看答案和解析>>
科目:
来源:2012-2013学年江苏省南通市海门市正余中学九年级(上)期中物理试卷(解析版)
题型:填空题
在图中A点画出使杠杆OA平衡时最小动力F
1的方向和阻力F
2的力臂l
2.

查看答案和解析>>
科目:
来源:2012-2013学年江苏省南通市海门市正余中学九年级(上)期中物理试卷(解析版)
题型:填空题
楼道里,夜间只是偶尔有人经过,电灯总是亮着会浪费电能.科研人员利用光敏材料制成“光控开关”,天黑时自动闭合;天亮时自动断开.利用声敏材料制成“声控开关”,当有人走动发出声音时,自动闭合;无人走动时,自动断开.若将这两个开关配合使用(如下图),就可以使楼道灯变得“智能化”.请把图中的器材连接成符合要求的电路.

查看答案和解析>>
科目:
来源:2012-2013学年江苏省南通市海门市正余中学九年级(上)期中物理试卷(解析版)
题型:填空题

如图所示,是研究“物体动能的大小与哪些因素有关”的实验装置,实验中让同一钢球从斜面上不同的高度由静止滚下,碰到同一木块上.请回答以下问题:
(1)设计实验的目的是研究
(钢球/木块)动能的大小与
的关系.
(2)实验是通过观察
,说明钢球对木块做功的多少,从而得出结论的.
(3)若水平面光滑,该实验还能得出结论吗?
,理由是:
.
查看答案和解析>>
科目:
来源:2012-2013学年江苏省南通市海门市正余中学九年级(上)期中物理试卷(解析版)
题型:填空题
如图所示,将一个薄壁金属筒固定在桌面上,筒里放一些乙醚,用塞子将筒口塞紧.拿一根绳子在筒外绕几圈并迅速来回拉动,将会看到塞子跳离筒口.这个现象说明
能和内能可以相互转化,
可以改变物体的内能;改变物体内能的方式还有
.

查看答案和解析>>