相关习题
 0  78608  78616  78622  78626  78632  78634  78638  78644  78646  78652  78658  78662  78664  78668  78674  78676  78682  78686  78688  78692  78694  78698  78700  78702  78703  78704  78706  78707  78708  78710  78712  78716  78718  78722  78724  78728  78734  78736  78742  78746  78748  78752  78758  78764  78766  78772  78776  78778  78784  78788  78794  78802  235360 

科目: 来源:2012-2013学年四川省成都市双流黄冈学校九年级(上)期中物理试卷(解析版) 题型:选择题

如图所示,闭合开关S后,则( )

A.如果条形磁体被吸引,则a一定是电源正极
B.如果条形磁体被吸引,则b一定是电源负极
C.如果条形磁体被排斥,则a一定是电源正极
D.如果条形磁体被排斥,则b一定是电源正极

查看答案和解析>>

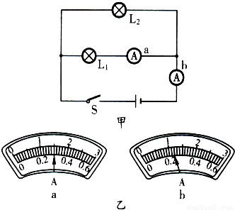
科目: 来源:2012-2013学年四川省成都市双流黄冈学校九年级(上)期中物理试卷(解析版) 题型:选择题

如图所示,两只电流表都有0.6A和3A两个量程,当开关S闭合后,两电流表指针偏转角度相同,则通过L1、L2两灯的电流之比为( )

A.I1:I2=4:1
B.I1:I2=1:4
C.I1:I2=5:1
D.I1:I2=1:5

查看答案和解析>>

科目: 来源:2012-2013学年四川省成都市双流黄冈学校九年级(上)期中物理试卷(解析版) 题型:填空题

内燃机对外做功是    冲程,在这个冲程中    能转化为    能.

查看答案和解析>>

科目: 来源:2012-2013学年四川省成都市双流黄冈学校九年级(上)期中物理试卷(解析版) 题型:填空题

检验物体是否带电的仪器叫    .带电体之间的相互作用是通过电荷周围的    实现的.

查看答案和解析>>

科目: 来源:2012-2013学年四川省成都市双流黄冈学校九年级(上)期中物理试卷(解析版) 题型:填空题

磁感线可以形象而又方便地表示磁体周围各点的    方向,磁体周围的磁感线都是从磁体的    极出来,回到磁体的    极.

查看答案和解析>>

科目: 来源:2012-2013学年四川省成都市双流黄冈学校九年级(上)期中物理试卷(解析版) 题型:填空题

由同种物质组成的甲、乙两个物体,它们的质量之比为3:2,吸收相同的热量后,它们升高的温度之比为    ;比热容之比为   

查看答案和解析>>

科目: 来源:2012-2013学年四川省成都市双流黄冈学校九年级(上)期中物理试卷(解析版) 题型:填空题

酒精的热值是3.0×107J/Kg,酒精炉中装有100g酒精,若燃烧掉一半,放出的热量是    J,则剩余部分的酒精的热值是   

查看答案和解析>>

科目: 来源:2012-2013学年四川省成都市双流黄冈学校九年级(上)期中物理试卷(解析版) 题型:填空题

2005年我国“神舟”六号载人飞船飞行成功,当飞船发射进入一段40km的“黑障区”时,飞船表面与大气层剧烈摩擦,其表面温度可达800℃以上,这是因为    能转化为    能的原因.

查看答案和解析>>

科目: 来源:2012-2013学年四川省成都市双流黄冈学校九年级(上)期中物理试卷(解析版) 题型:填空题

某反恐小组的拆弹专家在拆除恐怖分子设置在飞机上的爆炸装置,如图所示,为使爆炸装置停止工作,应拆除的线为    

查看答案和解析>>

科目: 来源:2012-2013学年四川省成都市双流黄冈学校九年级(上)期中物理试卷(解析版) 题型:填空题

如甲图电路,当开关s闭合后,电流表的指针偏转如乙图所示,其中a电流表测量的是通过     (选填“电源…”、“L1”或“L2”)的电流,b电流表的读数应为    安.

查看答案和解析>>

同步练习册答案