相关习题
0 78758 78766 78772 78776 78782 78784 78788 78794 78796 78802 78808 78812 78814 78818 78824 78826 78832 78836 78838 78842 78844 78848 78850 78852 78853 78854 78856 78857 78858 78860 78862 78866 78868 78872 78874 78878 78884 78886 78892 78896 78898 78902 78908 78914 78916 78922 78926 78928 78934 78938 78944 78952 235360
科目:
来源:2011-2012学年上海版九年级(上)期末物理试卷(解析版)
题型:选择题
如图所示,同一个金属球,分别浸在容器a、b、c的液体中,其中a、c为纯水,b为浓盐水,金属球所受的浮力分别为F
a、F
b、F
c,则三种情况下金属球所受的浮力大小关系(已知ρ
盐水>ρ
水)( )

A.F
a=F
b=F
cB.F
b>F
c>F
aC.F
b>F
a>F
cD.F
c>F
b>F
a
查看答案和解析>>
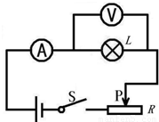
科目:
来源:2011-2012学年上海版九年级(上)期末物理试卷(解析版)
题型:选择题
在右图所示的电路中,电源电压保持不变.闭合电键S,当滑动变阻器的滑片P向右移动时,电流表A和电压表V示数的变化情况为( )

A.电流表A的示数变大
B.电流表A的示数变小
C.电压表V的示数变小
D.电压表V的示数不变
查看答案和解析>>
科目:
来源:2011-2012学年上海版九年级(上)期末物理试卷(解析版)
题型:选择题
家用A、B两只白炽灯泡,A灯的灯丝比B灯的粗些、短些,则它们正常工作时,( )
A.A灯的电功率较大
B.B灯的电功率较大
C.两灯的电功率一样大
D.条件不足,无法判断
查看答案和解析>>
科目:
来源:2011-2012学年上海版九年级(上)期末物理试卷(解析版)
题型:选择题
两个盛有不同液体的圆柱形容器A和B,底面积不同(S
A<S
B),有一个小球甲浸没在容器A的液体中,另一个小球乙浸没在容器B的液体中,两容器中的液面高度相等,这时液体对容器底部的压力相等.若将两个小球分别从液体中取出后,两容器中液体对容器底部的压强相等,则下列选项中一定正确的是( )

A.甲球的质量小于乙球的质量
B.甲球的质量大于乙球的质量
C.甲球的体积小于乙球的体积
D.甲球的体积大于乙球的体积
查看答案和解析>>
科目:
来源:2011-2012学年上海版九年级(上)期末物理试卷(解析版)
题型:选择题
在右图所示的电路中,闭合电键S,发现一只电表的示数明显变小,而另一只电表的示数明显变大,则( )

A.可能是灯L断路
B.一定是灯L短路
C.可能是滑动变阻器R断路
D.一定是滑动变阻器R短路
查看答案和解析>>
科目:
来源:2011-2012学年上海版九年级(上)期末物理试卷(解析版)
题型:填空题
将一铁球放在炉火上加热,在此过程中铁球的体积 ,质量 ,密度 .(均选填“变大”、“不变”或“变小”)
查看答案和解析>>
科目:
来源:2011-2012学年上海版九年级(上)期末物理试卷(解析版)
题型:填空题
一金属块所受的重力为26.5牛,当用弹簧测力计吊着金属块浸没在盛满水的溢水杯中时,测力计的示数为16.7牛,该金属块受到水对它的浮力为 牛;金属块排开水的重力为 牛;从溢水杯中溢出水的重力为 牛.
查看答案和解析>>
科目:
来源:2011-2012学年上海版九年级(上)期末物理试卷(解析版)
题型:填空题
以前人们并不知道大气压强的存在,17世纪中期,德国马德堡市的市长公开演示了著名的 实验,才使人们确信大气压强的存在.1644年,科学家 首先用实验测定了大气压强的值.通常把相当于760毫米水银柱所产生的压强(1.01×105帕)叫做 标准大气压.
查看答案和解析>>
科目:
来源:2011-2012学年上海版九年级(上)期末物理试卷(解析版)
题型:填空题
长为50米、宽为30米的长方体游泳池,水的深度为5米,池底所受水的压强为 帕,约为 个标准大气压,池底所受水的压力为 牛.
查看答案和解析>>
科目:
来源:2011-2012学年上海版九年级(上)期末物理试卷(解析版)
题型:填空题
某段导体两端的电压为3伏时,通过它的电流为0.6安,该导体的电阻为 欧;当导体两端电压减小到一半时,该导体的电阻为 欧;当电路断开,导体的电阻为 欧.
查看答案和解析>>