相关习题
 0  79105  79113  79119  79123  79129  79131  79135  79141  79143  79149  79155  79159  79161  79165  79171  79173  79179  79183  79185  79189  79191  79195  79197  79199  79200  79201  79203  79204  79205  79207  79209  79213  79215  79219  79221  79225  79231  79233  79239  79243  79245  79249  79255  79261  79263  79269  79273  79275  79281  79285  79291  79299  235360 

科目: 来源:2010-2011学年山东省烟台市招远市九年级(上)期末物理试卷(解析版) 题型:解答题

若用图所示的电路来测未知电阻可不可以?为什么?

查看答案和解析>>

科目: 来源:2010-2011学年山东省烟台市招远市九年级(上)期末物理试卷(解析版) 题型:解答题

为了探究电流与电压的关系,小张设计了图左所示的实验电路图.
(1)实验选用的器材如图右所示,其中电源电压为3V,定值电阻R2=5Ω,滑动变阻器标有“50Ω 1.2A”字样.实验时,小张同学选用电压表的3V量程,电流表的0.6A量程.他选择的电流表量程正确吗?答:______.理由是:______.

(2)小张同学根据电路图用笔画线代替导线,将图中的元件连成电路,但他少画了一条线,请你在图中帮他补上这条线.
(3)在实验中.为了增大R1两端的电压,小张同学应该将滑动编组器的滑片向______端滑动
(4)下表是小张同学探究电流与电压关系时记录的几组实验数据.通过对表中数据的分析,可得到的初步结论是:______.
实验次数12345
电压/V0.51.01.52.02.5
电流/A0.100.200.300.400.50

查看答案和解析>>

科目: 来源:2010-2011学年山东省烟台市招远市九年级(上)期末物理试卷(解析版) 题型:解答题

要测量小灯泡的电功率,提供的器材包括:小灯泡(2.5V,0.5A),电源(电压为3V),电流表,电压表,滑动变阻器,开关,导线若干.

(1)请用笔画线将图a中的电路连接完整.
(2)要测量小灯泡的额定功率,闭合开关后,正确的操作为:______最后利用公式求出额定功率.
(3)某次实验时电压表和电流表的示数如图b所示,则此时小灯泡的实际功率为______W.
(4)实验要求改变小灯泡两端的电压进行多次测量,这样做是为了______.

查看答案和解析>>

科目: 来源:2010-2011学年山东省烟台市招远市九年级(上)期末物理试卷(解析版) 题型:解答题

某同学用如图所示的装置研究“通电导体产生的热量跟哪些因素有关”的实验.图中两个烧瓶内盛有质量和温度都相同的煤油,温度计显示煤油的温度,两瓶煤油中都浸泡着一段金属丝,铜丝的电阻比镍铬合金的电阻小.实验中导体产生的热量的多少是通过______反映出来的.
(1)闭合开关后,通过两段金属丝中的电流是______(选填“相等”或“不相等”)的;
(2)一段时间后,可以观察到甲瓶中温度计的示数______(选填“大于”、“等于”或“小于”)乙瓶中温度计的示数;
(3)由上述实验可知:______.
(4)如果要研究通电导体放出的热量跟电流大小的关系,应该如何完成实验?

查看答案和解析>>

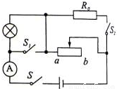
科目: 来源:2010-2011学年山东省烟台市招远市九年级(上)期末物理试卷(解析版) 题型:解答题

如图所示,电源电压为12V,且保持不变,已知滑动变阻器的最大值为18Ω,定值电阻R为24Ω,小灯泡上标有“6V  3W”字样.求
(1)灯泡的电阻和正常工作时的电流各是多少?
(2)S闭合,S1、S2都断开时,要使灯泡正常发光,滑动变阻器接入电路中的阻值为多大?
(3)S、S1、S2都闭合时,调节滑动变阻器滑片到何处时,整个电路消耗的总功率最小?这个最小功率是多少?

查看答案和解析>>

科目: 来源:2010-2011学年山东省烟台市招远市九年级(上)期末物理试卷(解析版) 题型:解答题

如图为供电设备向居民楼输电的示意图.若居民楼用户用电器两端的实际电压必须保证为220V,当居民楼内用户用电器消耗的总功率为22kW时,求:
(1)通过输电线的电流是多大?
(2)若输电线的总电阻为0.2Ω,则供电设备的输出电压为多大?
(3)输电线上损失的电功率为多大?
(4)为了减少输电线上损失的电功率,用学过的物理知识说明可采取的改进方法(答出一种方法即可)

查看答案和解析>>

科目: 来源:2012-2013学年江苏省泰州市泰兴实验初中九年级(上)段考物理试卷(10月份)(解析版) 题型:选择题

“给我一个支点和一根足够长的棍,我就能翘起整个地球.”下列生产和生活中的杠杆与阿基米德设想的杠杆属于同一类型的是( )
A.
天平
B.
铁锹
C.
钓鱼竿
D.
铡刀

查看答案和解析>>

科目: 来源:2012-2013学年江苏省泰州市泰兴实验初中九年级(上)段考物理试卷(10月份)(解析版) 题型:选择题

如图所示,日常生活或生产实践中使用的机械,能抽象为斜面的是( )
A.
汽车方向盘
B.
桔槔
C.
盘山公路
D.门把手

查看答案和解析>>

科目: 来源:2012-2013学年江苏省泰州市泰兴实验初中九年级(上)段考物理试卷(10月份)(解析版) 题型:选择题

如图钩码与装水的试管在定滑轮的两边处于静止(不计摩擦、绳重和空气阻力),用手指向上轻弹一下试管底部,试管离开手指后到与定滑轮接触前,试管将 ( )

A.向上加速运动
B.向上减速运动
C.向上匀速运动
D.以上说法都不对

查看答案和解析>>

科目: 来源:2012-2013学年江苏省泰州市泰兴实验初中九年级(上)段考物理试卷(10月份)(解析版) 题型:选择题

如图所示,杠杆上分别放着质量不相等的两个球,杠杆在水平位置平衡,如果两球以相同速度同时匀速向支点移动,则杠杆( )

A.仍能平衡
B.不能平衡,大球那端下沉
C.不能平衡,小球那端下沉
D.无法判断

查看答案和解析>>

同步练习册答案