相关习题
 0  79277  79285  79291  79295  79301  79303  79307  79313  79315  79321  79327  79331  79333  79337  79343  79345  79351  79355  79357  79361  79363  79367  79369  79371  79372  79373  79375  79376  79377  79379  79381  79385  79387  79391  79393  79397  79403  79405  79411  79415  79417  79421  79427  79433  79435  79441  79445  79447  79453  79457  79463  79471  235360 

科目: 来源:《第5章 探究电流》2012年单元测试卷(资中县马鞍中学)(解析版) 题型:填空题

(1)白炽灯的灯丝断了一截,若搭上仍能使用,则灯丝的电阻将   
(2)用久的白炽灯发光变暗,原因是灯丝的电阻    ;导致通过灯丝的电流    .(填“变大”“变小”或“不变”)

查看答案和解析>>

科目: 来源:《第5章 探究电流》2012年单元测试卷(资中县马鞍中学)(解析版) 题型:填空题

某滑动变阻器标有“50Ω、2.5A”的字样,其中2.5A表示    该滑动变阻器连入电路中的最大阻值为   

查看答案和解析>>

科目: 来源:《第5章 探究电流》2012年单元测试卷(资中县马鞍中学)(解析版) 题型:解答题

如图所示,将同种材料制成的长度相同、横截面积不同的两段导体AB和BC连接在一起,如果在A、C两端加上一定的电压U,则通过两段导体中的电流______(填“大于”、“小于”或“相等”).

查看答案和解析>>

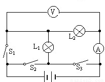
科目: 来源:《第5章 探究电流》2012年单元测试卷(资中县马鞍中学)(解析版) 题型:填空题

如图所示电路中:
①只闭合开关S3,而开关S1、S2断开时,L1、L2    联;
②只闭合开关S1、S2,而开关S3断开时,L1、L2    联;
③只闭合开关S1,而开关S2、S3断开时,L1    路,L2    路.
④当开关S1断开,而开关S2、S3闭合时,L1    路,L2    路.
⑤当开关S1、S2、S3均闭合时,电路中发生    现象.

查看答案和解析>>

科目: 来源:《第5章 探究电流》2012年单元测试卷(资中县马鞍中学)(解析版) 题型:填空题

一节干电池的电压    V,家庭电路的电压    V,人体的安全电压    V.

查看答案和解析>>

科目: 来源:《第5章 探究电流》2012年单元测试卷(资中县马鞍中学)(解析版) 题型:填空题

为了研究导体的电阻与导体横截面积的关系,应选用同种材料    相同,而    不同的一组导体进行实验.

查看答案和解析>>

科目: 来源:《第5章 探究电流》2012年单元测试卷(资中县马鞍中学)(解析版) 题型:填空题

如图所示的电路中,要使灯L1和L2组成串联电路,应只闭合开关    ,此时电压表测的是    的电压;要使灯L1和L2组成并联电路,应闭合开关    ,此时电流表测的是    的电流.

查看答案和解析>>

科目: 来源:《第5章 探究电流》2012年单元测试卷(资中县马鞍中学)(解析版) 题型:填空题

城市中的路灯是    联在一起的;家庭中的用电器都是    联在一起的;圣诞树上使用的“满天星”小彩灯是    联的.

查看答案和解析>>

科目: 来源:《第5章 探究电流》2012年单元测试卷(资中县马鞍中学)(解析版) 题型:解答题

试设计一个电路,二个灯泡并联,用电流表测量通过L1的电流,用电压表测量通过L2两端的电压.先连接实物图,再在右边的方框里画出相应的电路图.

查看答案和解析>>

科目: 来源:《第5章 探究电流》2012年单元测试卷(资中县马鞍中学)(解析版) 题型:解答题

根据实物图画出电路图

查看答案和解析>>

同步练习册答案