相关习题
0 79385 79393 79399 79403 79409 79411 79415 79421 79423 79429 79435 79439 79441 79445 79451 79453 79459 79463 79465 79469 79471 79475 79477 79479 79480 79481 79483 79484 79485 79487 79489 79493 79495 79499 79501 79505 79511 79513 79519 79523 79525 79529 79535 79541 79543 79549 79553 79555 79561 79565 79571 79579 235360
科目:
来源:2011-2012学年江苏省扬州市仪征三中九年级(上)期中物理试卷(解析版)
题型:填空题
如图甲所示装置,在透明塑料盒的底部钻一个孔,把电子式火花发生器的放电针紧紧地塞进孔中,打开塑料盒盖,向盒内滴入数滴酒精,再将盒盖盖紧,然后揿动电火花发生器的按钮,随着“呯”的一声响,看到盒盖弹出,在此过程中,酒精燃烧后的燃气的
能转化为塞子的
能.图
中(选填“乙”或“丙”)汽油机的工作过程与这一实验过程中能量的转化是一致的.如果该汽油机飞轮转速是1800r/min,则它每秒钟内对外做功
次.

查看答案和解析>>
科目:
来源:2011-2012学年江苏省扬州市仪征三中九年级(上)期中物理试卷(解析版)
题型:填空题
在图所示的电路中,①、②是两个电表(一个电压表、一个电流表).闭合开关S,灯L
1与L
2串联,则电路中
是电流表,
是电压表.

查看答案和解析>>
科目:
来源:2011-2012学年江苏省扬州市仪征三中九年级(上)期中物理试卷(解析版)
题型:填空题
建筑工人用如图所示的装置把重400N的物体匀速提升3m.所用的手拉力为300N.则该工人所做的有用功为
J,总功为
J,该滑轮组的机械效率是
(保留三位有效数字).若用该装置提升500N的重物,此时滑轮组的机械教率将
(填“变大”、“变小”或“不变”)

查看答案和解析>>
科目:
来源:2011-2012学年江苏省扬州市仪征三中九年级(上)期中物理试卷(解析版)
题型:填空题
嫦娥二号卫星是嫦娥一号卫星的姐妹星,由长三丙火箭发射.但是嫦娥二号所探测到的有关月球的数据将更加详实.“嫦娥二号”于2010年10月1日18时59分57秒在西昌发射基地发射,并获得了圆满成功.现在请回答下列问题:
(1)火箭的燃料主要使用液态氢是因为它的 大.
(2)火箭在加速上升过程中机械能 (选填“增大”、“减小”或“不变”),这个能量是由 能转化过来的.
(3)卫星在轨道上从远地点到近地点运行的过程中,飞船的势能 ,速度 .(选填“增大”、“减小”或“不变”)
查看答案和解析>>
科目:
来源:2011-2012学年江苏省扬州市仪征三中九年级(上)期中物理试卷(解析版)
题型:填空题
汽油的热值是4.6×107 J/kg,完全燃烧210g汽油能放出 J的热量;若这些热量全部被水吸收,可使 kg的水从20℃升高到66℃.[水的比热容为4.2×103 J/].
查看答案和解析>>
科目:
来源:2011-2012学年江苏省扬州市仪征三中九年级(上)期中物理试卷(解析版)
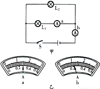
题型:填空题
如甲图电路,当开关s闭合后,电流表的指针偏转如乙图所示,其中a电流表测量的是通过
(选填“电源…”、“L
1”或“L
2”)的电流,b电流表的读数应为
安.

查看答案和解析>>
科目:
来源:2011-2012学年江苏省扬州市仪征三中九年级(上)期中物理试卷(解析版)
题型:解答题
如图所示,甲图是小华同学连接的电路,闭合开关后小灯泡能亮吗?______.若不能发光,请你帮她在乙图中连接正确的电路并在旁边的方框内画出电路图.

查看答案和解析>>
科目:
来源:2011-2012学年江苏省扬州市仪征三中九年级(上)期中物理试卷(解析版)
题型:解答题
如图是用钓鱼竿钓鱼的示意图,O为支点,F
2为鱼线对钓鱼竿的拉力,请画出:F
2的力臂l
2与A处所用最小力F
1的方向.

查看答案和解析>>
科目:
来源:2011-2012学年江苏省扬州市仪征三中九年级(上)期中物理试卷(解析版)
题型:解答题
如图所示,某人站在A处用一根绳子和两个滑轮提起物体B,画出最省力的绕线.

查看答案和解析>>
科目:
来源:2011-2012学年江苏省扬州市仪征三中九年级(上)期中物理试卷(解析版)
题型:解答题
根据图所示的电路图,用笔画线代替导线,连接实物电路(要求导线不能交叉).

查看答案和解析>>