相关习题
0 79617 79625 79631 79635 79641 79643 79647 79653 79655 79661 79667 79671 79673 79677 79683 79685 79691 79695 79697 79701 79703 79707 79709 79711 79712 79713 79715 79716 79717 79719 79721 79725 79727 79731 79733 79737 79743 79745 79751 79755 79757 79761 79767 79773 79775 79781 79785 79787 79793 79797 79803 79811 235360
科目:
来源:2011-2012学年安徽省合肥市四十井中学九年级(上)期中物理试卷(解析版)
题型:填空题
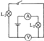
如图所示电路中,两盏灯的连接方式是
,若两盏灯完全相同,电源电压为9V,闭合开关后电流表的示数为0.3A,则电压表的示数为
V.

查看答案和解析>>
科目:
来源:2011-2012学年安徽省合肥市四十井中学九年级(上)期中物理试卷(解析版)
题型:填空题

如图所示,电源电压保持不变,开关S
1已闭合.若再闭合开关S
2,则
的示数变大,小灯泡L
1的亮度
(填“增强”、“减弱”或“不变”).
查看答案和解析>>
科目:
来源:2011-2012学年安徽省合肥市四十井中学九年级(上)期中物理试卷(解析版)
题型:填空题

如图是简化了的电冰箱的电路图.图中M是压缩机的电动机,L是电冰箱内部的照明灯.当电冰箱接入电路后,关闭了电冰箱的门时,开关S
1与S
2的状态是
;当又打开正在工作的电冰箱门时,开关S
1与S
2的状态是
.
查看答案和解析>>
科目:
来源:2011-2012学年安徽省合肥市四十井中学九年级(上)期中物理试卷(解析版)
题型:填空题
质监部门对玩具市场进行专项检查时发现,有些玩具仿真手枪发射出的硬塑料子弹能在1m内打穿三层牛皮纸,这说明硬塑子弹的 能较大,存在安全隐患.
查看答案和解析>>
科目:
来源:2011-2012学年安徽省合肥市四十井中学九年级(上)期中物理试卷(解析版)
题型:填空题
用一只动滑轮把400N的重物匀速提高10m,所用拉力为250N,则有用功为 J,该动滑轮的机械效率为 .
查看答案和解析>>
科目:
来源:2011-2012学年安徽省合肥市四十井中学九年级(上)期中物理试卷(解析版)
题型:填空题
同种材料制成的三根电阻,R1=5Ω,R2=8Ω,R3=16Ω,若它们的长度相等,那么电阻的截面积最大的是 ;若它们的截面积相同,那么电阻的长度最短的是 .
查看答案和解析>>
科目:
来源:2011-2012学年安徽省合肥市四十井中学九年级(上)期中物理试卷(解析版)
题型:选择题
研究金属丝电阻大小与材料关系的实验中,正确的做法是( )
A.选用长度不同、粗细相同的镍铬合金丝
B.选用粗细不同、长度相同的镍铬合金丝
C.选用粗细、长度都不同的镍铬合金丝和铝丝
D.选用粗细、长度都相同的镍铬合金丝和铝丝
查看答案和解析>>
科目:
来源:2011-2012学年安徽省合肥市四十井中学九年级(上)期中物理试卷(解析版)
题型:选择题
某同学在做“用滑动变阻器改变小灯泡亮度”的实验时,连接了如图所示的电路,闭合开关后,移动滑动变阻器的滑片,使小灯泡的亮度逐渐变亮,在此过程中,下列说法中错误的是( )

A.电路总电阻减小
B.滑片逐渐向右移动
C.电流表的示数变小
D.电压表的示数变小
查看答案和解析>>
科目:
来源:2011-2012学年安徽省合肥市四十井中学九年级(上)期中物理试卷(解析版)
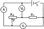
题型:选择题
如图所示的电路图中,电源电压保持不变,闭合开关S后,将滑动变阻器R
2的滑片P向左滑动,下列说法正确的是( )

A.电流表A的示数变小,电压表V
1的示数变大
B.电流表A的示数变小,电压表V
1的示数不变
C.电压表V
1与电压表V
2的示数之和不变
D.电压表V
2与电流表A的示数之比不变
查看答案和解析>>
科目:
来源:2011-2012学年安徽省合肥市四十井中学九年级(上)期中物理试卷(解析版)
题型:选择题
利用电源、开关、导线及下列所给的器材不能测出未知电阻Rx的阻值的是( )
A.电压表、电流表、滑动变阻器
B.电压表、定值电阻R
C.电流表、定值电阻R
D.滑动变阻器、定值电阻R
查看答案和解析>>