相关习题
 0  79926  79934  79940  79944  79950  79952  79956  79962  79964  79970  79976  79980  79982  79986  79992  79994  80000  80004  80006  80010  80012  80016  80018  80020  80021  80022  80024  80025  80026  80028  80030  80034  80036  80040  80042  80046  80052  80054  80060  80064  80066  80070  80076  80082  80084  80090  80094  80096  80102  80106  80112  80120  235360 

科目: 来源:2011-2012学年九年级(上)第二次月考物理试卷(解析版) 题型:解答题

如图示,已知电阻R1=5Ω,电流表A1的示数为I1=1A,电流表A的示数为I=1.5A,求:
(1)R1两端的电压U1
(2)R2的阻值.

查看答案和解析>>

科目: 来源:2011-2012学年九年级(上)第二次月考物理试卷(解析版) 题型:解答题

如图为高温高压蒸汽消毒锅自动测定锅内温度的电路原理图.其中R为定值电阻,阻值为5Ω.A为温度指示表(实质是一只量程为0~0.6A的电流表),Rx(测温探头)为热敏电阻(其电阻值随锅内温度的变化而变化).关于热敏电阻的阻值与温度的对应关系如下表所示:
锅内的温度值/℃2537.55062.57587.5100112.5125
Rx对应的电阻值/Ω1508050302015107
(1)若锅内温度为75℃时电流表的示数为0.24A.求电源的电压U.
(2)若锅内温度为125℃时电流表的示数为0.6A.求此时热敏电阻Rx的阻值.

查看答案和解析>>

科目: 来源:2011-2012学年广东省茂名市九年级(上)月考物理试卷(解析版) 题型:选择题

如图所示,甲、乙两个通草球用丝线悬挂着,当乙球靠近甲球时,两球互相吸引,则下列说法正确的是( )

A.甲球一定带正电,乙球一定带负电
B.甲球一定带负电,乙球一定带正电
C.甲球可能带正电,乙球可能不带电
D.甲、乙两球一定带上异种电荷

查看答案和解析>>

科目: 来源:2011-2012学年广东省茂名市九年级(上)月考物理试卷(解析版) 题型:选择题

如图所示中属于完整电路的是( )
A.
B.
C.
D.

查看答案和解析>>

科目: 来源:2011-2012学年广东省茂名市九年级(上)月考物理试卷(解析版) 题型:选择题

街上的路灯总是同时亮,同时熄灭,有时损坏了一盏,其它路灯也会亮,由此可以判断路灯之间的连接方式是( )
A.串联
B.并联
C.串联或并联的
D.不能确定

查看答案和解析>>

科目: 来源:2011-2012学年广东省茂名市九年级(上)月考物理试卷(解析版) 题型:选择题

保密室有两把不同的钥匙,分别由两个人保管.只有当两把钥匙都插入匙孔(相当于闭合开关)电动门才会打开,单独使用某一把钥匙不能使门打开.图中符合要求的电路是( )
A.
B.
C.
D.

查看答案和解析>>

科目: 来源:2011-2012学年广东省茂名市九年级(上)月考物理试卷(解析版) 题型:选择题

如图所示的电路,属于并联电路的是( )
A.
B.
C.
D.

查看答案和解析>>

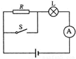
科目: 来源:2011-2012学年广东省茂名市九年级(上)月考物理试卷(解析版) 题型:选择题

在图所示的电路中,电源电压保持不变.由于电阻R、灯L可能出现了故障.电键S闭合前后,电流表指针所在的位置不变,下列判断中正确的是( )

A.若灯L不发光,则只有电阻R短路
B.若灯L不发光,则只有电阻R断路
C.若灯L发光,则只有电阻R短路
D.若灯L发光,则只有电阻R断路

查看答案和解析>>

科目: 来源:2011-2012学年广东省茂名市九年级(上)月考物理试卷(解析版) 题型:选择题

下列四个电路中,电流表能测量通过灯L1电流的是( )
A.
B.
C.
D.

查看答案和解析>>

科目: 来源:2011-2012学年广东省茂名市九年级(上)月考物理试卷(解析版) 题型:选择题

如图,开关S闭合后,电流表A1的示数为0.4A,电流表A2的示数为1.2A,则通过L1和L2的电流分别为( )

A.0.4A,0.8A
B.0.4A,1.2A
C.0.8A,0.4A
D.1.2A,0.4A

查看答案和解析>>

同步练习册答案