相关习题
 0  80196  80204  80210  80214  80220  80222  80226  80232  80234  80240  80246  80250  80252  80256  80262  80264  80270  80274  80276  80280  80282  80286  80288  80290  80291  80292  80294  80295  80296  80298  80300  80304  80306  80310  80312  80316  80322  80324  80330  80334  80336  80340  80346  80352  80354  80360  80364  80366  80372  80376  80382  80390  235360 

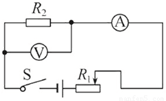
科目: 来源:2011-2012学年江苏省泰州市靖江外国语学校九年级(上)期末物理试卷(解析版) 题型:解答题

如图14所示是某实验小组在“测量小灯泡的电阻”实验中设计的电路图,所用小灯泡标有“2.5V”字样.
(1)该实验的原理是______.
(2)该组同学连接好电路的最后一根导线时,小灯泡立刻发出微弱的光亮.导致上述现象的不规范操作是______.
(3)若某次测量时电压表的示数为2V,电流表的示数如图所示,则电流表的示数为______A,此时灯泡的电阻为______Ω.接着用这个电路测小灯泡的额定功率,滑片应向______(选填“左”或“右”)移动.
(4)该组同学分别记录三组电压和电流值,通过计算发现灯丝电阻是不同的,他们还了解到其他组同学也得到类似的结果.出现这种结果的原因是______.

查看答案和解析>>

科目: 来源:2011-2012学年江苏省泰州市靖江外国语学校九年级(上)期末物理试卷(解析版) 题型:解答题

肥胖是人类健康的大敌,跳绳是减肥的方法之一.某人的质量为80千克,跳起时重心升高的平均高度约为5厘米.在晨练中,他在10分钟内跳了800次,请问在10分钟时间内:
(1)人克服重力所做的功是多少?
(2)人克服重力做功的平均功率是多少?
(3)假如人克服重力做功而消耗的能量只由脂肪提供,在理论上可以消耗多少脂肪?(每千克脂肪提供的能量是1.6×107J,可用q=1.6×107J/kg表示,g=10N/kg)

查看答案和解析>>

科目: 来源:2011-2012学年江苏省泰州市靖江外国语学校九年级(上)期末物理试卷(解析版) 题型:解答题

如图所示的电路中,电阻R1的阻值为20Ω,电源电压不变.当S1、S2断开,S3闭合时,电流表的示数为0.45A;S1断开,S2、S3闭合时,电流表的示数为0.75A.求:
(1)电源电压为多少?
(2)R2的阻值为多少?
(3)S2、S3断开,S1闭合时,加在电阻R1两端的电压为多少?

查看答案和解析>>

科目: 来源:2011-2012学年江苏省泰州市靖江外国语学校九年级(上)期末物理试卷(解析版) 题型:解答题

从2011年5月11日起,执行酒驾重罚新规定.交警使用的某型号酒精测试仪的工作原理相当于右图所示.电源电压恒为9V,传感器电阻R2的电阻值随酒精气体浓度的增大而减小,当酒精气体的浓度为0时,R2的电阻为80Ω.使用前要通过调零旋钮(即滑动变阻器R1的滑片)对测试仪进行调零,此时电压表的示数为8V.求:
(1)电压表的示数为8V时,电流表的示数为多少?
(2)电压表的示数为8V时,滑动变阻器R1的电阻值为多少?
(3)调零后,R1的电阻保持不变.某驾驶员对着测试仪吹气10s,若电流表的示数达到0.3A,表明驾驶员醉驾,此时电压表的示数为多少?

查看答案和解析>>

科目: 来源:2011-2012学年云南省曲靖市师宗县民族中学九年级(上)期中物理试卷(解析版) 题型:选择题

观光电梯从一楼上升到十楼的过程中,下列说法正确的是( )
A.相对于电梯来说,乘客是运动的
B.相对于乘客来说,楼房的窗户是向上运动的
C.以电梯为参照物,乘客是静止的
D.以电梯为参照物,楼房的窗户是静止的

查看答案和解析>>

科目: 来源:2011-2012学年云南省曲靖市师宗县民族中学九年级(上)期中物理试卷(解析版) 题型:选择题

今年,全球爆发甲型H1N1流感,病菌感染人体引起了人们的高度关注.关于原子、电子、病菌(直径为微米级)的大小,按由小到大的顺序排列的是( )
A.原子、电子、病菌
B.电子、原子、病菌
C.电子、病菌、原子
D.原子、病菌、电子

查看答案和解析>>

科目: 来源:2011-2012学年云南省曲靖市师宗县民族中学九年级(上)期中物理试卷(解析版) 题型:选择题

人类发射的探测器已飞出太阳系,若发射的探测器所受外力全部消失,则探测器( )
A.沿原路径返回地球
B.沿原方向做减速直线运动
C.沿原方向做匀速直线运动
D.沿原方向做加速直线运动

查看答案和解析>>

科目: 来源:2011-2012学年云南省曲靖市师宗县民族中学九年级(上)期中物理试卷(解析版) 题型:选择题

下列关于力的说法中,正确的是( )
A.两个接触物体间的作用力是相互,不接触的两个物体间的作用力不是相互的
B.手拿起杯子时,手与杯子间有弹力、摩擦力,即使没有摩擦力我们也能拿起杯子
C.大小相等的两个力一定是一对相互作用力或平衡力
D.地球上所有的物体都受到重力的作用,其方向一定是竖直向下的

查看答案和解析>>

科目: 来源:2011-2012学年云南省曲靖市师宗县民族中学九年级(上)期中物理试卷(解析版) 题型:选择题

如图所示的几种杠杆类工具,在使用时属于省力杠杆的是( )
A.用鱼杆钓鱼
B.用羊角锤拔钉子
C.用筷子夹取食物
D.用笤帚扫地

查看答案和解析>>

科目: 来源:2011-2012学年云南省曲靖市师宗县民族中学九年级(上)期中物理试卷(解析版) 题型:选择题

根据密度公式ρ=,下列说法中正确的是( )
A.物体的密度与物体的质量成正比
B.物体的密度与物体的体积成反比
C.物体的密度与质量成正比,同时与体积成反比
D.密度是物质的一种特性与质量、体积无关

查看答案和解析>>

同步练习册答案