相关习题
 0  80612  80620  80626  80630  80636  80638  80642  80648  80650  80656  80662  80666  80668  80672  80678  80680  80686  80690  80692  80696  80698  80702  80704  80706  80707  80708  80710  80711  80712  80714  80716  80720  80722  80726  80728  80732  80738  80740  80746  80750  80752  80756  80762  80768  80770  80776  80780  80782  80788  80792  80798  80806  235360 

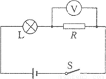
科目: 来源:2011-2012学年安徽省巢湖市无为县九年级(上)期中物理试卷(解析版) 题型:填空题

在如图所示的电路中,闭合开关S,灯L不亮,电压表有示数.已知电路中各处均接触良好.
(1)请写出发生上述现象的三个可能原因:           
(2)为进一步确定原因,小华同学将一个电流表正确串联在该电路中,闭合开关S,观察电流表的示数情况.著电流表有示数,说明上述现象产生的原因是    (写出一个可能原因);若电流表无示数,说明上述现象产生的原因是   
(3)小明同学准备用一根导线并联接在电阻R两端,根据灯泡能否发光进一步确定原因.此操作方案是否可行,请说明理由   

查看答案和解析>>

科目: 来源:2011-2012学年安徽省巢湖市无为县九年级(上)期中物理试卷(解析版) 题型:解答题

试推证:串联电路中,各导体两端的电压之比等于它们的电阻之比.

查看答案和解析>>

科目: 来源:2011-2012学年安徽省巢湖市无为县九年级(上)期中物理试卷(解析版) 题型:解答题

在如图所示的电路中,电源的电压是14V,当开关S闭合时,电压表V1的示数时10V,,电压表V2的示数是6V,则三只灯泡L1、L2、L3两端的电压分别是多少?

查看答案和解析>>

科目: 来源:2011-2012学年安徽省巢湖市无为县九年级(上)期中物理试卷(解析版) 题型:解答题

如图,重为3.2×104N的卡车,经过一段水平路面,再以9.6×104W的功率沿与水平地面成30°角的斜坡匀速向上爬行.已知车轮与地面接触的总面积为0.5m2,斜坡的机械效率为80%.求卡车:
(1)对水平路面的压强;
(2)爬坡时的牵引力;
(3)爬坡时的速度.

查看答案和解析>>

科目: 来源:2011-2012学年广东省珠海市紫荆中学九年级(上)期中物理试卷(解析版) 题型:选择题

小明同学从如图所示的物体中选了一物体,用托盘天平测出其质量为100g,该物体可能是( )
A.一支水笔
B.一瓶550ml矿泉水
C.一根香蕉
D.一个铅球

查看答案和解析>>

科目: 来源:2011-2012学年广东省珠海市紫荆中学九年级(上)期中物理试卷(解析版) 题型:选择题

观察图,下列结论不正确的是( )

A.甲、乙都在做匀速直线运动
B.甲物体比乙物体运动得快
C.甲物体速度是20m/s
D.甲物体1s通过的路程,乙物体需要10s才能通过

查看答案和解析>>

科目: 来源:2011-2012学年广东省珠海市紫荆中学九年级(上)期中物理试卷(解析版) 题型:选择题

如图为某同学拉着一盛水的器具在水平桌面上运动的瞬间所发生的现象示意图,对此现象下列判断正确的是( )

A.都是在小车突然停止时发生
B.都是在小车突然起动时发生
C.图(a)所示的现象是在小车突然停止或在运动中突然加速时发生
D.图(b)所示的现象是在小车突然停止或在运动中突然减速时发生

查看答案和解析>>

科目: 来源:2011-2012学年广东省珠海市紫荆中学九年级(上)期中物理试卷(解析版) 题型:选择题

如图所示,下列各项措施中,目的是用来减小有害摩擦的是( )
A.
北方冬天下雪后,在汽车轮胎上装上防滑链
B.
黑板上的字不容易擦干净时,双手用力按黑板擦
C.
给平板小车底部装上小轮
D.
清理铁锅上的污渍时用粗糙的钢丝球

查看答案和解析>>

科目: 来源:2011-2012学年广东省珠海市紫荆中学九年级(上)期中物理试卷(解析版) 题型:选择题

如图所示是我们日常工作生活中所使用到的机械,按图中所示的情景使用过程中没有省力的是( )
A.
抛石机
B.
方向盘
C.
辘轳
D.
斜面

查看答案和解析>>

同步练习册答案