相关习题
 0  80623  80631  80637  80641  80647  80649  80653  80659  80661  80667  80673  80677  80679  80683  80689  80691  80697  80701  80703  80707  80709  80713  80715  80717  80718  80719  80721  80722  80723  80725  80727  80731  80733  80737  80739  80743  80749  80751  80757  80761  80763  80767  80773  80779  80781  80787  80791  80793  80799  80803  80809  80817  235360 

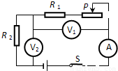
科目: 来源:2011-2012学年北京市密云县九年级(上)期末物理试卷(解析版) 题型:选择题

如图所示,电源两端电压不变.当滑动变阻器滑片P向左滑动的过程中,下列说法正确的是( )

A.总电阻变小
B.电压表V1的示数变小
C.电压表V2的示数变小
D.电流表A示数变小

查看答案和解析>>

科目: 来源:2011-2012学年北京市密云县九年级(上)期末物理试卷(解析版) 题型:选择题

关于电流的形成,下列说法正确的是( )
A.正离子定向移动可形成电流
B.负离子定向移动不能形成电流
C.电子定向移动不能形成电流
D.自由电子定向移动可形成电流

查看答案和解析>>

科目: 来源:2011-2012学年北京市密云县九年级(上)期末物理试卷(解析版) 题型:选择题

关于电源,下列说法正确的是( )
A.在闭合电路中,持续电流是电源提供的
B.电源是储存电能的装置
C.电源是将机械能转化为电能的装置
D.干电池对电路供电的过程中,将化学能转化为电能

查看答案和解析>>

科目: 来源:2011-2012学年北京市密云县九年级(上)期末物理试卷(解析版) 题型:选择题

关于磁体,下列说法正确的是( )
A.磁体的两个磁极是N极和S极
B.磁体周围存在着磁场
C.磁体周围存在着真实磁感线
D.磁极间的相互作用是:同名磁极互相排斥,异名磁极互相吸引

查看答案和解析>>

科目: 来源:2011-2012学年北京市密云县九年级(上)期末物理试卷(解析版) 题型:选择题

关于家庭电路,下列说法正确的是( )
A.家庭电路的电压是220V
B.家庭电路中,几盏发光的灯泡是串联的
C.家庭电路中,工作的用电器越多,总电流越大
D.家庭电路中,保险丝熔断(或空气开关跳闸),一定出现了短路

查看答案和解析>>

科目: 来源:2011-2012学年北京市密云县九年级(上)期末物理试卷(解析版) 题型:填空题

我们学习了三种电路状态,分别通路、断路和   

查看答案和解析>>

科目: 来源:2011-2012学年北京市密云县九年级(上)期末物理试卷(解析版) 题型:填空题

对人体来讲,安全电压应不高于    伏.

查看答案和解析>>

科目: 来源:2011-2012学年北京市密云县九年级(上)期末物理试卷(解析版) 题型:填空题

电磁铁磁性强弱,除了与线圈匝数有关外,还与    有关.

查看答案和解析>>

科目: 来源:2011-2012学年北京市密云县九年级(上)期末物理试卷(解析版) 题型:填空题

固体和液体很难被压缩,这是由于分子间存在着   

查看答案和解析>>

科目: 来源:2011-2012学年北京市密云县九年级(上)期末物理试卷(解析版) 题型:填空题

焦炭的热值是3×107J/kg,完全燃烧1kg的焦炭放出的热量为    J.

查看答案和解析>>

同步练习册答案