相关习题
0 80664 80672 80678 80682 80688 80690 80694 80700 80702 80708 80714 80718 80720 80724 80730 80732 80738 80742 80744 80748 80750 80754 80756 80758 80759 80760 80762 80763 80764 80766 80768 80772 80774 80778 80780 80784 80790 80792 80798 80802 80804 80808 80814 80820 80822 80828 80832 80834 80840 80844 80850 80858 235360
科目:
来源:2011-2012学年北京66中九年级(上)期中物理试卷(解析版)
题型:解答题
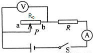
测定小灯泡电阻的实验器材如图甲所示.

(1)请你用笔画线代替导线,把图甲中的器材连入组成实验电路.(要求:滑片P向右滑时,电流表示数变大.)
(2)正确连接电路闭合开关后,发现灯不亮,但是电压表有读数,则故障原因可能是灯泡______(选填“短路”或“断路”).
(3)排除故障后此时乙所示,实验时小灯泡的电压为______V,电流为______A.该小灯泡电阻为______Ω.
查看答案和解析>>
科目:
来源:2011-2012学年北京66中九年级(上)期中物理试卷(解析版)
题型:解答题
在研究电流跟电压、电阻之间关系的实验中,通过改变电路中电压和电阻,分别测得如下两组数据:
| 表一: |
| 实验次序 | 电阻R=100Ω |
| 电压/V | 电流/A |
| 1 | 1 | 0.1 |
| 2 | 2 | 0.2 |
| 3 | 3 | 0.3 |
| 表二: |
| 实验次序 | 电压U=3V |
| 电阻/Ω | 电流/A |
| 1 | 5 | 0.6 |
| 2 | 10 | 0.3 |
| 3 | 15 | 0.2 |
分析表一的数据可得到的结论:______.
分析表二的数据可得到的结论:______.
查看答案和解析>>
科目:
来源:2011-2012学年北京66中九年级(上)期中物理试卷(解析版)
题型:解答题
某同学选好电流表和电压表的量程,按如图所示电路图连接后,闭合开关S,电流表指针几乎未偏转,电压表的指针有明显的偏转,则该电路的故障可能是:______
A.从a点经灯L
1到b点的电路出现了断路
B.电流表断路或未接好
C.灯泡L
2的灯丝断了.
D.电流表和灯L
1及L
2都坏了.

查看答案和解析>>
科目:
来源:2011-2012学年北京66中九年级(上)期中物理试卷(解析版)
题型:解答题
根据给定的器材,设计实验测定未知电阻R
X的电阻值.
器材:电压未知的稳压电源一台;已知电阻值的电阻R
一个;符合要求的电流表一块;单刀单掷开关两个;待测电阻R
X以及导线若干.
要求:实验过程中不得拆改电路;
(1)请在方框内画出电路图;
(2)简述实验步骤;
①按照电路图连接电路;并检查无错误、无故障;
②______;
③______;
(3)测量计算式R
X=______.

查看答案和解析>>
科目:
来源:2011-2012学年北京66中九年级(上)期中物理试卷(解析版)
题型:解答题
如图所示的电路中,R
1的阻值为10Ω,只闭合开关S
1时电流表的示数为0.3A,再闭合开关S
2后,电流表的示数为0.45A,求:
(1)电源电压;
(2)R
2的阻值.

查看答案和解析>>
科目:
来源:2011-2012学年北京66中九年级(上)期中物理试卷(解析版)
题型:解答题
如图所示电路,电源电压不变,已知R
1=5Ω,R
2=10Ω,电源电压30V.求:
(1)电阻R
1两端电压;
(2)通过R
2的电流;
(3)5秒内电流通过R
2做了多少功?
(4)R
2的电功率是多大?

查看答案和解析>>
科目:
来源:2011-2012学年北京66中九年级(上)期中物理试卷(解析版)
题型:解答题
如图所示电路中,电源电压不变,电阻R
1=20Ω,当滑片P从中点C移至B端时,电压表示数之比为4:5,求滑动变阻器最大阻值.

查看答案和解析>>
科目:
来源:2011-2012学年北京66中九年级(上)期中物理试卷(解析版)
题型:解答题
如图所示,电源电压保持不变.闭合开关S后,滑动变阻器R
的滑片P在移动过程中,电压表的示数变化范围为0---4伏,电流表的示数变化范围为0.5-1安.求:
(1)R的阻值;
(2)R
的最大阻值;
(3)电源电压.

查看答案和解析>>
科目:
来源:2011-2012学年四川省雅安市汉源一中九年级(上)期中物理试卷(解析版)
题型:选择题
能比较方便地用来表示银河系大小的长度单位是( )
A.光年
B.m
C.nm
D.km
查看答案和解析>>
科目:
来源:2011-2012学年四川省雅安市汉源一中九年级(上)期中物理试卷(解析版)
题型:选择题
下列方法中,能使铁块质量发生改变的是( )
A.放在火上烤
B.熔成铁水
C.带到月球上去
D.砂轮上磨过之后
查看答案和解析>>