相关习题
 0  80748  80756  80762  80766  80772  80774  80778  80784  80786  80792  80798  80802  80804  80808  80814  80816  80822  80826  80828  80832  80834  80838  80840  80842  80843  80844  80846  80847  80848  80850  80852  80856  80858  80862  80864  80868  80874  80876  80882  80886  80888  80892  80898  80904  80906  80912  80916  80918  80924  80928  80934  80942  235360 

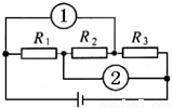
科目: 来源:2011-2012学年北京101中九年级(上)第二次月考物理试卷(解析版) 题型:选择题

如图所示电路中,若使电阻R1与R2并联,图中的电表分别是( )

A.①是电压表,②是电压表,③是电流表
B.①是电压表,②是电流表,③是电压表
C.①是电流表,②是电压表,③是电流表
D.①是电流表,②是电流表,③是电压表

查看答案和解析>>

科目: 来源:2011-2012学年北京101中九年级(上)第二次月考物理试卷(解析版) 题型:选择题

如图所示,电源电压保持不变.当开关S1闭合、S2断开时,电流表的示数为0.2A;当开关S1、S2都闭合时,电流表的示数为O.8A.则电阻R1与R2的比值为( )
A.1:3
B.3:l
C.2:3
D.3:2

查看答案和解析>>

科目: 来源:2011-2012学年北京101中九年级(上)第二次月考物理试卷(解析版) 题型:选择题

在如图所示电路中,电源电压保持不变.闭合开关S,将滑动变阻器的滑片P向左移动,下列说法中正确的是( )

A.电压表的示数不变,电流表的示数变大
B.电压表的示数变大,电流表的示数变大
C.电流表的示数与电流表的示数同时变大
D.电流表的示数与电流表的示数同时变小

查看答案和解析>>

科目: 来源:2011-2012学年北京101中九年级(上)第二次月考物理试卷(解析版) 题型:选择题

如图所示电路,电阻R1=R2,当开关都断开时,电流表、电压表的示数分别为I1、U1;当开关都闭合时,电流表、电压表的示数分别为I2、U2,则( )

A.I1<I2,U1<U2
B.I1<I2,U1=U2
C.I1>I2,U1>U2
D.I1>I2,U1<U2

查看答案和解析>>

科目: 来源:2011-2012学年北京101中九年级(上)第二次月考物理试卷(解析版) 题型:选择题

如图,电阻R1与R3相等,电阻R2与R4相等.现有一个两端电压为10V的电源,当把该电源接在A、B两个接线端时,电压表的示数为7.5V,电阻R1两端的电压为U1.当把该电源接在C、D两个接线端时,电压表的示数为5V,电阻R2两端的电压为U2.则下列选项不正确的是( )

A.U1:U2=1:2
B.R1:R5=1:3
C.R2:R5=1:2
D.R1:R2=1:3

查看答案和解析>>

科目: 来源:2011-2012学年北京101中九年级(上)第二次月考物理试卷(解析版) 题型:选择题

如图所示电路图,闭合开关后,两灯均发光,下列说法正确的是( )

A.两灯两端的电压相等
B.通过两灯的电流相等
C.电压表测量L1两端电压
D.电压表测量L2两端电压

查看答案和解析>>

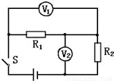
科目: 来源:2011-2012学年北京101中九年级(上)第二次月考物理试卷(解析版) 题型:选择题

如图所示电路中,电源电压为15V不变,R1=6Ω,闭合开关S后,电压表V1的示数为U1,电压表V2的示数为U2,若U1:U2=2:3,则( )

A.电阻R2的阻值是4Ω
B.电阻R2的阻值是9Ω
C.通过R2的电流大小为1.5A
D.通过R2的电流大小为1A

查看答案和解析>>

科目: 来源:2011-2012学年北京101中九年级(上)第二次月考物理试卷(解析版) 题型:选择题

如图,R1:R2:R3=1:3:5,“1”、“2”处为电压表或者电流表,下列说法正确的是( )

A.若“1”、“2”处都为电压表,则“1”、“2”示数比为1:2
B.若“1”、“2”处都为电压表,则“1”、“2”示数比为5:1
C.若“1”、“2”处都为电流表,则“1”、“2”示数比为2:5
D.若“1”、“2”处都为电流表,则“1”、“2”示数比为5:2

查看答案和解析>>

科目: 来源:2011-2012学年北京101中九年级(上)第二次月考物理试卷(解析版) 题型:选择题

在如图所示的电路中,两定值电阻阻值分别为R1、R2,滑动变阻器最大阻值为R2,闭合开关后,当滑动变阻器的滑动头在滑动变阻器的中点位置a时,电流表示数为I1,三只电压表V1、V2、V3示数分别为U1、U2、U3;当滑动头向左滑滑到某位置b时,电流表示数为I2,三只电压表V1、V2、V3的示数分别为U1′、U2′、U3′,此过程中电流表示数变化的绝对值记为△I,三只电压表示数变化的绝对值分别记为△U1、△U2、△U3,则下列说法正确的是( )

A.I1>I2,U1<U1
B.,且
C.
D.

查看答案和解析>>

科目: 来源:2011-2012学年北京101中九年级(上)第二次月考物理试卷(解析版) 题型:填空题

家庭电路的电压是     V.

查看答案和解析>>

同步练习册答案