相关习题
0 80881 80889 80895 80899 80905 80907 80911 80917 80919 80925 80931 80935 80937 80941 80947 80949 80955 80959 80961 80965 80967 80971 80973 80975 80976 80977 80979 80980 80981 80983 80985 80989 80991 80995 80997 81001 81007 81009 81015 81019 81021 81025 81031 81037 81039 81045 81049 81051 81057 81061 81067 81075 235360
科目:
来源:2011-2012学年江苏省盐城市东台市富安中学九年级(上)物理周末作业(十五)(解析版)
题型:选择题
如图为滑动变阻器连入电路的示意图,当滑片P向右滑动时,连入电路的电阻变大的是( )
A.

B.

C.

D.

查看答案和解析>>
科目:
来源:2011-2012学年江苏省盐城市东台市富安中学九年级(上)物理周末作业(十五)(解析版)
题型:选择题

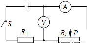
如图所示,电源电压不变,当开关S由断开变为闭合时,电压表和电流表示数的变化情况是( )
A.电压表、电流表的示数均变小
B.电压表、电流表的示数均变大
C.电压表的示数不变,电流表的示数变大
D.电压表的示数变大,电流表的示数不变
查看答案和解析>>
科目:
来源:2011-2012学年江苏省盐城市东台市富安中学九年级(上)物理周末作业(十五)(解析版)
题型:选择题
如图所示的电路中,电源电压U=4.5V,且保持不变,电阻R
1=5Ω,变阻器R
2的最大阻值为20Ω,电流表量程为0~0.6A,电压表量程为0~3V.该电路中,变阻器接入电路的阻值范围是( )

A.2.5Ω~10Ω
B.OΩ~20Ω
C.2.5Ω~20Ω
D.0Ω~10Ω
查看答案和解析>>
科目:
来源:2011-2012学年江苏省盐城市东台市富安中学九年级(上)物理周末作业(十五)(解析版)
题型:填空题
俗话说“小小秤砣压千斤”,这可以根据 来解释.只要秤砣对秤杆作用的力臂比所挂物对秤杆作用的力臂 (选填“大得多”或“小得多”),那么“小小秤砣压千斤”是完全可以实现的.
查看答案和解析>>
科目:
来源:2011-2012学年江苏省盐城市东台市富安中学九年级(上)物理周末作业(十五)(解析版)
题型:填空题
汽油机的一个工作循环是由四个冲程组成的,如图中表示
冲程,在此冲程中汽油机实现了
能转化为
能.若飞轮转速是1200r/min,该汽油机每秒钟内完成
个冲程.

查看答案和解析>>
科目:
来源:2011-2012学年江苏省盐城市东台市富安中学九年级(上)物理周末作业(十五)(解析版)
题型:填空题
小明要自制滑动变阻器,老师向他供了右下表所示的几种材料及相关数据,
| 几种长1m的横截面积为1mm2的金属导体在20℃时的电阻值 |
| 导体 | 电阻R/Ω |
| 铜 | 0.017 |
| 铝 | 0.027 |
| 铁 | 0.096 |
| 镍铬合金 | 1.1 |
她应选取
材料做电阻丝,因为在相同条件下,这种材料的电阻
(选填“较大”或“较小”).下图中AB和CD是她选取的这种材料制成的两根粗细一样的电阻丝,用图示的装置可以研究导体电阻的大小跟
的关系.

查看答案和解析>>
科目:
来源:2011-2012学年江苏省盐城市东台市富安中学九年级(上)物理周末作业(十五)(解析版)
题型:填空题
一种电工工具由一个小灯泡L和一个定值电阻R并联而成,通过L、R的电流跟其两端电压的关系如图所示.由图可得定值电阻R的阻值为
Ω;当把这个工具接在电压为2V的电路两端,L、R并联的总电阻是
Ω.

查看答案和解析>>
科目:
来源:2011-2012学年江苏省盐城市东台市富安中学九年级(上)物理周末作业(十五)(解析版)
题型:填空题
某物理兴趣小组为了探究地球表面水吸收太阳能的本领,用一脸盆装6kg的水,水的表面积为0.1m2,经过太阳光照射一段时间后,水温升高了5℃.实验中水吸收了 焦耳的热量,此过程中水的内能增大了 焦耳;若用加热的方式使同质量的水升高相同的温度,至少需要燃烧 m3的液化气(假设液化气燃烧放出的热量全部被水吸收,液化气的热值是5.0×107J/m3)
查看答案和解析>>
科目:
来源:2011-2012学年江苏省盐城市东台市富安中学九年级(上)物理周末作业(十五)(解析版)
题型:填空题
在某一温度下,两个A和B电阻中的电流与其两端电压的关系如图所示.则由图可知,元件A的电阻为
Ω;将A和B并联后,测得电阻B两端的电压为2V,则干路上的总电流是
A.

查看答案和解析>>
科目:
来源:2011-2012学年江苏省盐城市东台市富安中学九年级(上)物理周末作业(十五)(解析版)
题型:填空题
教室里有12盏日光灯,分为4组,由三只开关分别控制,当一只开关闭合或断开时,其中有一组的4盏灯就会同时发光或同时熄灭,而不影响其它各组灯的工作.由此可判断,每组的4盏灯之间是 ,而各组灯之间是 .(选填“串联”或“并联”)
查看答案和解析>>