相关习题
 0  81117  81125  81131  81135  81141  81143  81147  81153  81155  81161  81167  81171  81173  81177  81183  81185  81191  81195  81197  81201  81203  81207  81209  81211  81212  81213  81215  81216  81217  81219  81221  81225  81227  81231  81233  81237  81243  81245  81251  81255  81257  81261  81267  81273  81275  81281  81285  81287  81293  81297  81303  81311  235360 

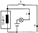
科目: 来源:2011-2012学年江苏省无锡市江阴市暨阳中学九年级(上)期中物理试卷(解析版) 题型:填空题

恐怖分子在公共场所安装了定时炸弹,其引爆装置如图所示,起爆前定时开关S是闭合的,当设定起爆时间一到,定时开关S会自动断开.为使引爆装置停止工作,拆弹专家应在图中    (填“a”或“b”)处剪断导线.拆除前起爆器上    (填“有”或“没有”)电流通过.

查看答案和解析>>

科目: 来源:2011-2012学年江苏省无锡市江阴市暨阳中学九年级(上)期中物理试卷(解析版) 题型:填空题

如图电路,电源电压保持不变,当开关S1断开、S2闭合时,电压表示数为4.5V;当开关S1接通、S2断开时,电压表示数为3V;则L2两端电压为    伏.

查看答案和解析>>

科目: 来源:2011-2012学年江苏省无锡市江阴市暨阳中学九年级(上)期中物理试卷(解析版) 题型:填空题

将重物从长4m、高1.5m的斜面底部匀速推上斜面的顶端.已知沿斜面所用的推力是300N,斜面的机械效率是75%,则推力做的有用功为    J,物体所受的重力为    N.

查看答案和解析>>

科目: 来源:2011-2012学年江苏省无锡市江阴市暨阳中学九年级(上)期中物理试卷(解析版) 题型:填空题

以同样速度行驶的大卡车和小轿车,    动能大,所以在同样的道路上,不同车型限制车速不同.大卡车的最大速度应比小轿车    (填“大”或“小”)

查看答案和解析>>

科目: 来源:2011-2012学年江苏省无锡市江阴市暨阳中学九年级(上)期中物理试卷(解析版) 题型:填空题

寒冷的冬天,下课后同学们经常搓手,就会感到暖和了,这是用    的方法增加脚的内能;白天,太阳能热水器中水的温度升高,水的内能    (选填“减少”、“不变”或“增加”),这是通过    的方法改变了它的内能.

查看答案和解析>>

科目: 来源:2011-2012学年江苏省无锡市江阴市暨阳中学九年级(上)期中物理试卷(解析版) 题型:填空题

两盏完全相同的灯L1、L2接在电压为6V的电源上都能发光,现要判断L1、L2的连接方式.(请完成下表)
条件判断方法L1、L2的连接方式
不使用任何仪器方法一:取下一盏灯,若另一盏灯仍能发光   
方法二:取下一盏灯,若另一盏灯不发光   
给一只电压表及若干导线方法一:用导线把电压表并在某盏灯的两端,若电压表示数是3V   
方法二:用导线把电压表并在某盏灯的两端,若电压表示数是6V   

查看答案和解析>>

科目: 来源:2011-2012学年江苏省无锡市江阴市暨阳中学九年级(上)期中物理试卷(解析版) 题型:解答题

根据下列要求完成作图:

(1)在图1电路中,有一根导线尚未连接,请用笔线代替导线补上,补上后使开关S能同时控制两盏灯.
(2)在图4中,请用笔线代替导线连接好电路,
要求:两灯串联,电流表测L2的电流,电压表测L1的电压.若电流表指针位置如图所示,则灯L1中电流大小为______A
(3)如图2所示,在方框内分别填入小灯泡和电流表的元件符号,使电路正常工作.
(4)如图3所示,电路中小灯都能正常发光,请在电路图中的圆圈内填上适当的电流表或电压表.

查看答案和解析>>

科目: 来源:2011-2012学年江苏省无锡市江阴市暨阳中学九年级(上)期中物理试卷(解析版) 题型:填空题

如图是研究不同燃料燃烧时放热本领的实验装置,实验中必须控制水的    一定.为了便于比较,课堂上我们是取质量相同的不同燃料燃烧,比较水上升的温度.你还可以采用的方法是:    .有的同学认为实验中水吸收的热量就等于燃料燃烧时放出的热量,你同意这种说法吗?为什么?   

查看答案和解析>>

科目: 来源:2011-2012学年江苏省无锡市江阴市暨阳中学九年级(上)期中物理试卷(解析版) 题型:解答题

某同学在做“比较不同物质吸热能力”的实验时,使用相同的电加热器给水和煤油加热,用加热时间的长短来表示物质吸收热量的多少.他得到如下数据
物质次数质量m/kg升高温度△t/℃加热时间t/min
10.1102
20.2104
煤油30.1101
40.2102
(1)分析第1、2次或第3、4次实验数据,可以得出的初步结论是:同种物质升高相同温度时,吸收热量的多少与物质的______有关.
(2)分析第1、3次或第2、4次实验数据,可以得出的初步结论是:______.

查看答案和解析>>

科目: 来源:2011-2012学年江苏省无锡市江阴市暨阳中学九年级(上)期中物理试卷(解析版) 题型:解答题

在探究串、并联电路规律的实验里,小明同学进行了如下操作:
(1)①把两个标有“2.5V 0.3A”的小灯泡L1和L2串联起来接到电源上,使灯泡发光(如图甲所示).
②分三次接入电压表,分别测量 AB之间、BC之间、AC之间的电压并记入表一.
表一 表二
 UABUBCUAC IAIBIC
电压(V)2.452.502.60电流(A)0.300.290.58
(2)①把上述两个灯泡改接成并联后,接到另一电源上,使灯泡发光(如图乙所示).
②分三次接入电流表,分别测量A、B、C三点的电流并记入表二.
请你评估:
(1)表一的测量结果有一个是错误的,错误的是______,判断的依据是______.
(2)表二的测量结果是否可能?谈谈你的观点:______.
(3)请你分析说明小明同学这一实验方案中的不足:______.
(4)实验的改进方法:______.

查看答案和解析>>

同步练习册答案