相关习题
0 81726 81734 81740 81744 81750 81752 81756 81762 81764 81770 81776 81780 81782 81786 81792 81794 81800 81804 81806 81810 81812 81816 81818 81820 81821 81822 81824 81825 81826 81828 81830 81834 81836 81840 81842 81846 81852 81854 81860 81864 81866 81870 81876 81882 81884 81890 81894 81896 81902 81906 81912 81920 235360
科目:
来源:2010-2011学年江西省抚州市乐安县九年级(上)期中物理试卷(解析版)
题型:填空题
我国自1984年4月8日发射第一颗地球同步卫星以来,已经陆续发射了多颗这类通信卫星,同步卫星虽然绕地心运动,但是地球上的人却觉得在空中静止不动,则同步卫星绕地心转动一周需要 小时.
查看答案和解析>>
科目:
来源:2010-2011学年江西省抚州市乐安县九年级(上)期中物理试卷(解析版)
题型:解答题
如图所示,某同学用弹簧测力计拉着放在水平桌面上的木块匀速滑动,在木块前端离开桌面至一半移出桌面的过程中,弹簧测力计的示数______、木块对桌面的压力______,木块对桌面的压强______.(均选填“变大”、“变小”或“不变”)

查看答案和解析>>
科目:
来源:2010-2011学年江西省抚州市乐安县九年级(上)期中物理试卷(解析版)
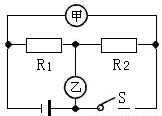
题型:填空题

如图所示电路,若甲、乙均为电流表时,断开开关S,两电流表读数为I
甲:I
乙=2:3,若甲、乙均为电压表时,闭合开关S,则两电压表的读数U
甲:U
乙=
.
查看答案和解析>>
科目:
来源:2010-2011学年江西省抚州市乐安县九年级(上)期中物理试卷(解析版)
题型:填空题
把橡皮泥、蜡烛、木块、加盖的小玻璃瓶、鸡蛋和若干大头针浸没在水中,松手后,上浮的物体有:加盖的小玻璃瓶、 ;若要使小玻璃瓶沉到水底,你的做法是 ;若要使沉在水底的鸡蛋上浮,你的做法是 .通过探究可以知道:要控制物体的浮与沉,可以通过改变物体所受的重力和 来实现.
查看答案和解析>>
科目:
来源:2010-2011学年江西省抚州市乐安县九年级(上)期中物理试卷(解析版)
题型:填空题
甲、乙两辆小车在平直的路面上向东运动,小明测出它们运动的路程和时间,并依据数据作出了相应的路程-时间关系如如图所示.由图知小车甲做
运动,速度大小为
m/s.若以甲为参照物,乙车向
运动.

查看答案和解析>>
科目:
来源:2010-2011学年江西省抚州市乐安县九年级(上)期中物理试卷(解析版)
题型:填空题
小明用如图所示的电路来探究串联电路的电压关系.已知电源电压为6V,当开关S闭合后,发现两灯均不亮.他用电压表分别测a、c和a、b两点间的电压,发现两次电压表示数均为6V,由此判定灯
(选填“L
1”或“L
2”)开路,用电压表测b、c两点间的电压,示数为
V.

查看答案和解析>>
科目:
来源:2010-2011学年江西省抚州市乐安县九年级(上)期中物理试卷(解析版)
题型:选择题
下列数据最符合实际的是( )
A.一个中学生质量约是500g
B.一个中学生的身高约是160mm
C.一个中学生步行速度约5m/s
D.人站立时对地的压强约是104Pa
查看答案和解析>>
科目:
来源:2010-2011学年江西省抚州市乐安县九年级(上)期中物理试卷(解析版)
题型:选择题
一人站在电梯上随电梯一起匀速上升,如图所示,则关于人的受力分析的下列叙述正确的是( )

A.人受到重力,竖直向上的弹力以及水平向右的摩擦力
B.人受到重力,竖直向上的弹力以及水平向左的摩擦力
C.人受到重力,竖直向上的弹力
D.人受到重力,竖直向上的弹力,电梯对人斜向上与速度方向一致的推力
查看答案和解析>>
科目:
来源:2010-2011学年江西省抚州市乐安县九年级(上)期中物理试卷(解析版)
题型:选择题
如图所示,条形磁铁置于水平桌面上,电磁铁水平放置且左端固定,当电路中滑动变阻器的滑片P逐渐向左移动,条形磁铁仍静止,在此过程中,条形磁铁受到的摩擦力( )

A.逐渐增大,方向向右
B.逐渐减小,方向向右
C.逐渐增大,方向向左
D.逐渐减小,方向向左
查看答案和解析>>
科目:
来源:2010-2011学年江西省抚州市乐安县九年级(上)期中物理试卷(解析版)
题型:选择题
有电阻两只,电流表、电压表、电源各一只,选用其中的部分元件,以不同的方式接到如图所示的虚线方框内,可构成几种不同正确电路?( )

A.1种
B.2种
C.3种
D.4种
查看答案和解析>>