相关习题
 0  81802  81810  81816  81820  81826  81828  81832  81838  81840  81846  81852  81856  81858  81862  81868  81870  81876  81880  81882  81886  81888  81892  81894  81896  81897  81898  81900  81901  81902  81904  81906  81910  81912  81916  81918  81922  81928  81930  81936  81940  81942  81946  81952  81958  81960  81966  81970  81972  81978  81982  81988  81996  235360 

科目: 来源:2010-2011学年安徽省巢湖市九年级(上)期末物理试卷(解析版) 题型:填空题

小华用一个动滑轮提升一个重为400N的物体,所用的竖直拉力为250N,物体在10s内匀速上升1m,在此过程中,拉力做功为    J,拉力的功率为    W,物体上升的速度是为    m/s,该动滑轮的机械效率为   

查看答案和解析>>

科目: 来源:2010-2011学年安徽省巢湖市九年级(上)期末物理试卷(解析版) 题型:填空题

家庭电路中电压是    ;不高于    电压对于人体是安全电压.

查看答案和解析>>

科目: 来源:2010-2011学年安徽省巢湖市九年级(上)期末物理试卷(解析版) 题型:填空题

内燃机的一个工作循环由                四个冲程组成.

查看答案和解析>>

科目: 来源:2010-2011学年安徽省巢湖市九年级(上)期末物理试卷(解析版) 题型:填空题

2.5千克的水,加热前水温是20℃,在标准大气压下,把水加热到开始沸腾,水吸收的热量是    焦.

查看答案和解析>>

科目: 来源:2010-2011学年安徽省巢湖市九年级(上)期末物理试卷(解析版) 题型:填空题

酒精的比热容是2.4×103J/,它的物理意义是    .把酒精烧掉一半,剩余酒精的比热容是    J/

查看答案和解析>>

科目: 来源:2010-2011学年安徽省巢湖市九年级(上)期末物理试卷(解析版) 题型:填空题

当闭合电路的一部分导体在磁场中做    运动时,导体中就会产生    ,这是    的工作原理.

查看答案和解析>>

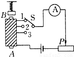
科目: 来源:2010-2011学年安徽省巢湖市九年级(上)期末物理试卷(解析版) 题型:填空题

如图所示,A是通电螺线管内的铁芯,B是悬挂在弹簧下的铁块,S是转换开关,要使弹簧的长度变短,可采取的办法:
   
   
   

查看答案和解析>>

科目: 来源:2010-2011学年安徽省巢湖市九年级(上)期末物理试卷(解析版) 题型:填空题

在图所示的电路中,三盏灯之间是    联的,若通过L1、L2、L3的电流分别为I1、I2、I3,则电流表A1的示数I1′=    ,电流表A2的示数I2′=   

查看答案和解析>>

科目: 来源:2010-2011学年安徽省巢湖市九年级(上)期末物理试卷(解析版) 题型:选择题

如图所示,为测定电阻的电路图.如果某同学在操作中两电表的量程选择正确,但不慎将两电表的位置对调了一下,则开关闭合后( )

A.电流表、电压表均损坏
B.电流表损坏
C.电压表损坏
D.电流表、电压表都不损坏

查看答案和解析>>

科目: 来源:2010-2011学年安徽省巢湖市九年级(上)期末物理试卷(解析版) 题型:选择题

冰在熔化过程中,下列判断正确的是( )
A.吸收热量,温度不变
B.内能不变,比热容不变
C.比热容、内能、温度都不变
D.比热容变大、内能增加,温度不变

查看答案和解析>>

同步练习册答案