相关习题
 0  82106  82114  82120  82124  82130  82132  82136  82142  82144  82150  82156  82160  82162  82166  82172  82174  82180  82184  82186  82190  82192  82196  82198  82200  82201  82202  82204  82205  82206  82208  82210  82214  82216  82220  82222  82226  82232  82234  82240  82244  82246  82250  82256  82262  82264  82270  82274  82276  82282  82286  82292  82300  235360 

科目: 来源:《第13章 电路初探》2008年单元测试卷(解析版) 题型:填空题

蓄电池是化学电池,放电后可以再充电,它在放电过程中将    能转化为    能.

查看答案和解析>>

科目: 来源:《第13章 电路初探》2008年单元测试卷(解析版) 题型:填空题

如图所示,当量程为0~3V时,电压表指针的读数为    V;当量程为0~15V时,电压表指针的读数为    V.

查看答案和解析>>

科目: 来源:《第13章 电路初探》2008年单元测试卷(解析版) 题型:填空题

家庭电路的电压是     V.

查看答案和解析>>

科目: 来源:《第13章 电路初探》2008年单元测试卷(解析版) 题型:填空题

丝绸摩擦过的玻璃棒带    电,是因为玻璃棒在摩擦过程中    (填“得到或失去”)电子,若把玻璃棒和不带电的验电器金属球接触,发现验电器的金属箔片会张开,金属箔片张开的原因是   

查看答案和解析>>

科目: 来源:《第13章 电路初探》2008年单元测试卷(解析版) 题型:填空题

一节干电池的电压为     V,对人体安全的电压不高于     V.

查看答案和解析>>

科目: 来源:《第13章 电路初探》2008年单元测试卷(解析版) 题型:填空题

家庭电路中的电冰箱、电视机、电灯等用电器的连接方式是     联;开关和被控制的用电器是     联;为了防止因漏电而造成触电事故,家用洗衣机的外壳一定要    

查看答案和解析>>

科目: 来源:《第13章 电路初探》2008年单元测试卷(解析版) 题型:填空题

我国家庭电路的电压为     V,家用电器都     (选填“并联”或“串联”)在电路中,如果你家中的用电器突然全部停止工作,经检查发现是空气开关跳闸了,你认为原因可能是     (说出一种即可).

查看答案和解析>>

科目: 来源:《第13章 电路初探》2008年单元测试卷(解析版) 题型:填空题

教室里的各盏照明灯之间是    联的,开亮的灯越多,总电阻    .如图所示,电工师傅站在干燥的木凳上检查教室内的电路,他    (选填“能”或“不能”)发生触电事故.

查看答案和解析>>

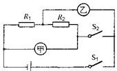
科目: 来源:《第13章 电路初探》2008年单元测试卷(解析版) 题型:填空题

如图,电源电压不变,R1=5Ω,R2=25Ω,
(1)当S1,S2都闭合,电表甲,乙都是电压表,则U:U=   
(2)当S1闭合,S2断开,电表甲,乙都是电流表,则I:I=   

查看答案和解析>>

科目: 来源:《第13章 电路初探》2008年单元测试卷(解析版) 题型:填空题

历史上对地磁场的形成有这样一种看法:我们居住的地球是一个带电星球,它带的电荷量约为4×105C,由于地球自西向东旋转,会形成许多环形电流,如图所示.由此猜想:地球带的是    电.(填“正”或“负”)

查看答案和解析>>

同步练习册答案