相关习题
 0  83065  83073  83079  83083  83089  83091  83095  83101  83103  83109  83115  83119  83121  83125  83131  83133  83139  83143  83145  83149  83151  83155  83157  83159  83160  83161  83163  83164  83165  83167  83169  83173  83175  83179  83181  83185  83191  83193  83199  83203  83205  83209  83215  83221  83223  83229  83233  83235  83241  83245  83251  83259  235360 

科目: 来源:《14.5 家庭用电》2011年同步练习(解析版) 题型:解答题

小刚是勤学善思的好学生,他学习时用的台灯,可以通过调节旋钮(相当于一个滑动变阻器)改变亮度,小刚很快知道了它的工作原理.试用你学过的电学知识,用适当的元件符号,在下面空白处画出台灯工作原理的简单电路.小刚进一步考虑到,改变可变电阻的阻值可调节灯泡的亮度,调节可变电阻时改变了(设灯丝电阻不随温度变化)______
A.电源电压
B.灯泡两端的电压
C.灯丝电阻
D.灯泡的额定功率

查看答案和解析>>

科目: 来源:《14.5 家庭用电》2011年同步练习(解析版) 题型:解答题

现代家庭电器化程度越来越高,用电安全是一个十分突出的问题.下表提供了一组人体电阻数据.
测量项目完全干燥时出汗或潮湿时
手与手之间电阻200kΩ5kΩ
手与脚之间电阻300kΩ8.8kΩ
手与塑料鞋底之间电阻8000kΩ10kΩ
如图所示,用电器R接在电压为220V的电源上时,消耗电功率是1100W,电路中还有额定电流为10A的熔断丝(俗称保险丝).则:

(1)只有用电器R接入电路时,通过熔断丝的电流为多少?
(2)一个潮湿的人,赤脚站在地上,由于不小心,手接触火线,发生触电事故,则通过人体的电流是多少(上表电阻数据适用此人)?并分析为什么熔断丝不会断(即熔断丝不能救人命).

查看答案和解析>>

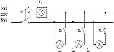
科目: 来源:《14.5 家庭用电》2011年同步练习(解析版) 题型:解答题

电工师傅常用一只额定电压为220V的灯泡L(检验灯泡)取代保险丝来检查新安装的照明电路中每个支路的情况,如图所示.当S闭合后,再分别闭合S1、S2、S3(每次只能闭合其中之一)时,可能出现以下三种情况,试判断(选填:“短路”、“断路”或“正常”):

(1)L不亮,说明该支路______.
(2)L正常发光,说明该支路______.
(3)L发光呈暗红色,说明该支路______.

查看答案和解析>>

科目: 来源:《14.5 家庭用电》2011年同步练习(解析版) 题型:解答题

有一电热毯,说明书上标明所用的电压为220V,电热毯电阻由R1和R2组成,R1=605Ω,如图所示.利用开关S的通断可以使电热毯的发热功率(指电路的总功率)分为两档,Ⅰ档为功率最大,Ⅱ档功率为Ⅰ档的,试问:
(1)开关处于什么状态时,电热毯的功率最大?最大功率为多少瓦特?
(2)电阻R2应为多大?

查看答案和解析>>

科目: 来源:《14.5 家庭用电》2011年同步练习(解析版) 题型:解答题

很多家用电器都有待机功能.如电视机可以遥控关机,而不必断开电源.这一功能虽给人们带来了方便,但电器在待机状态下的能耗也十分严重.下表是某家庭的有关统计数据.
家用电器待机功率(千瓦) 每天待机时间 (小时)
彩色电视0.00820
VCD0.1120
音响功放0.01220
这些电器每天待机时共耗电多少度?该家庭若能及时断开用电器电源,每月可以节约电费多少元(设我市民用电价为0.55元/度,每月按30天计算)?

查看答案和解析>>

科目: 来源:《3.3 电与磁》2011年同步练习(解析版) 题型:填空题

通电螺线管周围的磁场跟    的磁场相似.两端磁性最强为磁极.通电螺线管周围的磁场方向跟    有关.通电螺线管的磁场强弱跟        有关.

查看答案和解析>>

科目: 来源:《3.3 电与磁》2011年同步练习(解析版) 题型:填空题

判断通电螺线管磁极性的方法(安培定则):用    手握螺线管,让四指弯向螺线管中    ,则大拇指所指的那端就是通电螺线管的    极.

查看答案和解析>>

科目: 来源:《3.3 电与磁》2011年同步练习(解析版) 题型:填空题

如图所示,是将“+”、“-”极看不清了的蓄电池、开关、滑动变阻器和螺线管用导线连接起来的示意图.当开关闭合后,小磁针静止在螺线管的两端,那么,该实验说明通电螺线管的a端为     极,在它的周围存在    

查看答案和解析>>

科目: 来源:《3.3 电与磁》2011年同步练习(解析版) 题型:填空题

磁体的磁性起源:电子绕原子核旋转就形成了    ,每个原子看做是一个微型小磁针,当这些微型小磁针指向较为一致,物体就具有了磁性.

查看答案和解析>>

科目: 来源:《3.3 电与磁》2011年同步练习(解析版) 题型:填空题

磁铁和电流的磁场本质上都是    产生的.

查看答案和解析>>

同步练习册答案