相关习题
 0  83097  83105  83111  83115  83121  83123  83127  83133  83135  83141  83147  83151  83153  83157  83163  83165  83171  83175  83177  83181  83183  83187  83189  83191  83192  83193  83195  83196  83197  83199  83201  83205  83207  83211  83213  83217  83223  83225  83231  83235  83237  83241  83247  83253  83255  83261  83265  83267  83273  83277  83283  83291  235360 

科目: 来源:《11.2 组装电路》2010年同步练习(解析版) 题型:填空题

如图所示各电路中,Ll、L2两灯串联的电路是    .Ll、L2两灯并联的电路是    ?

查看答案和解析>>

科目: 来源:《11.2 组装电路》2010年同步练习(解析版) 题型:选择题

如图所示,要使灯L1和L2串联,则关于1、2、3、4四个接线柱的连接,正确的是( )

A.只需连接1和2
B.只需连接2和3
C.只需连接3和4
D.只需连接1和3

查看答案和解析>>

科目: 来源:《11.2 组装电路》2010年同步练习(解析版) 题型:选择题

在图的四个电路图中,开关S闭合后,三个电阻都是并联的是( )
A.
B.
C.
D.

查看答案和解析>>

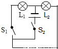
科目: 来源:《11.2 组装电路》2010年同步练习(解析版) 题型:选择题

如图所示的电路中,当S1、S2都闭合时,则( )
A.L1、L2串联
B.L1、L2并联
C.灯L1被短路
D.灯L2短路

查看答案和解析>>

科目: 来源:《11.2 组装电路》2010年同步练习(解析版) 题型:选择题

如图所示,电冰箱内有一个通过冰箱门来控制的开关,当冰箱门打开时,开关闭合使冰箱内的照明灯点亮;当冰箱门关闭时,开关断开使冰箱内的照明灯熄灭.在下面的四个电路中,能正确表示冰箱开门状态下冰箱内照明电路的是( )
A.
B.
C.
D.

查看答案和解析>>

科目: 来源:《11.2 组装电路》2010年同步练习(解析版) 题型:选择题

关于生活中的一些电路连接,下列判断不正确的是( )
A.节日的夜晚,装扮秦淮河畔小树的小彩灯是串联的
B.道路两旁的路灯,晚上同时亮,早上同时灭,它们是串联的
C.一般家庭的卫生间都要安装照明灯和换气扇,使用时互不影响,它们是并联的
D.楼道中的电灯是由声控开关和光控开关共同控制的,只有在天暗并且有声音时才能亮,所以声控开关、光控开关及灯是串联的

查看答案和解析>>

科目: 来源:《11.2 组装电路》2010年同步练习(解析版) 题型:选择题

如图所示,有带风叶的小电动机一台,电热丝一段,开关两只,插头一只,导线若干.利用这些器材可以连接成一个有冷、热两档风的简易电吹风电路.要求在使用时.只要断开S1,则既无风也不发热;只闭合S1时吹冷风;闭合S1和S2时吹热风.图一是某物理兴趣小组的四位同学分别设计的四种电路连接图,其中符合要求的是( )

A.
B.
C.
D.

查看答案和解析>>

科目: 来源:《11.2 组装电路》2010年同步练习(解析版) 题型:选择题

如图所示,箭头表示接好电路时电流的方向,甲、乙、丙三处分别接有电源,电灯和电铃,根据电流的方向可以判断出电源在( )
A.甲处
B.乙处
C.丙处
D.任何一处均可

查看答案和解析>>

科目: 来源:《11.2 组装电路》2010年同步练习(解析版) 题型:解答题

请你根据图甲所示的电路图,用笔画线代替导线,将图乙中未连接好的器材连接起来(连线不能交叉).

查看答案和解析>>

科目: 来源:《11.2 组装电路》2010年同步练习(解析版) 题型:解答题

学了电学知识后,小强发现教室里的电灯都是每个开关控制两盏电灯.
(1)请你帮他判断这2盏灯的连接方式为 ______联.你的判断依据是 ______.
(2)请在图方框内画出一个开关控制两盏灯的电路图.

查看答案和解析>>

同步练习册答案