相关习题
 0  83432  83440  83446  83450  83456  83458  83462  83468  83470  83476  83482  83486  83488  83492  83498  83500  83506  83510  83512  83516  83518  83522  83524  83526  83527  83528  83530  83531  83532  83534  83536  83540  83542  83546  83548  83552  83558  83560  83566  83570  83572  83576  83582  83588  83590  83596  83600  83602  83608  83612  83618  83626  235360 

科目: 来源:2009-2010学年沪科版九年级(上)期末物理试卷6(解析版) 题型:填空题

电池是一种把其他形式的能转化成    装置,图是一节普通干电池,它的电压为    伏.

查看答案和解析>>

科目: 来源:2009-2010学年沪科版九年级(上)期末物理试卷6(解析版) 题型:填空题

电能表是测量    的仪表,某同学家的电能表本月末抄表时的示数如图所示,若本月应交电费50元,且电价为0.5元/度,则上次抄表时的示数应为    Kw?h.

查看答案和解析>>

科目: 来源:2009-2010学年沪科版九年级(上)期末物理试卷6(解析版) 题型:填空题

在干燥的天气里,用塑料梳子梳理干燥的头发,会发现头发随梳子飘起来,而且发生越梳越蓬松,这里涉及到的物理知识有:
(1)     ;(2)    

查看答案和解析>>

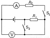
科目: 来源:2009-2010学年沪科版九年级(上)期末物理试卷6(解析版) 题型:填空题

如图所示的电路中,R1、R2均为定值电阻,电源电压不变,闭合开关S1、S2,两电表均有示数;再断开开关S2,则电流表示数    ,电压表示数    ,电压表与电流表示数之比    .(本题每空均选填“变大”“变小”或“不变”)

查看答案和解析>>

科目: 来源:2009-2010学年沪科版九年级(上)期末物理试卷6(解析版) 题型:填空题

美国《大众科学》杂志评出2006-2007年度奇思妙想十大发明,其中最引人注意的是“六冲程引擎”,这种引擎在完成四冲程工作后,会把水注入汽缸,使水瞬间变成水蒸气,从而带动活塞运动,产生第五冲程,为汽车提供动力.第六冲程是让水蒸气进入冷凝器,变成可再次注入汽缸的水.其中第五冲程相当于四冲程内燃机的    冲程,在第六冲程中发生的物态变化是    .请你指出该“六冲程引擎”的一个优点:   

查看答案和解析>>

科目: 来源:2009-2010学年沪科版九年级(上)期末物理试卷6(解析版) 题型:填空题

某导体的电阻是2Ω,当它通过1A的电流时,导体的功率是    W;通电1min,导体上产生的热量是    J.

查看答案和解析>>

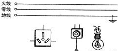
科目: 来源:2009-2010学年沪科版九年级(上)期末物理试卷6(解析版) 题型:解答题

请根据安全用电原则,将如图所示的元件,一个三孔插座和一盏带开关的电灯连入照明电路中.

查看答案和解析>>

科目: 来源:2009-2010学年沪科版九年级(上)期末物理试卷6(解析版) 题型:解答题

根据图中小磁针静止时的指向,在图中标出通电螺线管的N极及电源的正、负极.

查看答案和解析>>

科目: 来源:2009-2010学年沪科版九年级(上)期末物理试卷6(解析版) 题型:解答题

一个标有“220V 1000W”的快速电热水壶,要在1个标准大气压下将1kg温度为20℃的水烧开,水需要吸收的热量是多少J?若不计热损失,电热水壶正常工作时烧开这壶水需要的时间是多少s?[水的比热容为4.2×103J/]

查看答案和解析>>

科目: 来源:2009-2010学年沪科版九年级(上)期末物理试卷6(解析版) 题型:解答题

如图所示,电源电压U=6V,电阻R1=4Ω,R2=6Ω.
(1)当开关S闭合后,电流表示数为多少?
(2)当开关S闭合后,电阻R1在10s内消耗的电能为多少?
(3)若将两电阻并联后接入原电路,当开关S闭合后,电路的总功率为多少?

查看答案和解析>>

同步练习册答案