相关习题
0 83578 83586 83592 83596 83602 83604 83608 83614 83616 83622 83628 83632 83634 83638 83644 83646 83652 83656 83658 83662 83664 83668 83670 83672 83673 83674 83676 83677 83678 83680 83682 83686 83688 83692 83694 83698 83704 83706 83712 83716 83718 83722 83728 83734 83736 83742 83746 83748 83754 83758 83764 83772 235360
科目:
来源:2005-2006学年江苏省扬州市高邮市九年级(上)期末物理试卷(解析版)
题型:选择题
如图所示的自动控制电路中,当开关S断开时,工作电路的情况是( )

A.灯亮,电动机转起来,电铃响
B.灯亮,电动机转起来,电铃不响
C.灯不亮,电动机不转,电铃响
D.灯亮,电动机不转,电铃响
查看答案和解析>>
科目:
来源:2005-2006学年江苏省扬州市高邮市九年级(上)期末物理试卷(解析版)
题型:选择题

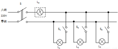
电工师傅常用一只标有“220V 40W”的灯泡L
(检验灯泡)取代保险丝来检查新安装的照明电路中每个支路的情况,如图所示.当只闭合S、S
1时L
不亮;当只闭合S、S
2时,L
和L
2都呈暗红色;当只闭合S、S
3时,L
正常发光.由此可以判断( )
A.L
1所在的支路短路
B.L
2所在的支路断路
C.L
3所在的支路短路
D.各支路均完好
查看答案和解析>>
科目:
来源:2005-2006学年江苏省扬州市高邮市九年级(上)期末物理试卷(解析版)
题型:填空题
各式各样的剪刀都是一对对的杠杆.如图所示,要剪开铁皮,选用
最合适;剪纸或布时,选用
最合适.根据功的原理,使用不同的剪刀都不省
.

查看答案和解析>>
科目:
来源:2005-2006学年江苏省扬州市高邮市九年级(上)期末物理试卷(解析版)
题型:填空题
如图是工人师傅提升重物的示意图,甲图使用的是
滑轮;乙图使用的是
滑轮.若图中滑轮质量相同,把同一货物匀速提升相同高度(不计摩擦),则机械效率较高的是
图(填“甲”或“乙”).

查看答案和解析>>
科目:
来源:2005-2006学年江苏省扬州市高邮市九年级(上)期末物理试卷(解析版)
题型:填空题
如图所示,在保温瓶内充入开水(但不充满)后,瓶内水面上方留有一些空间,内有空气,然后迅速将木制的瓶塞封住瓶口,过一会儿木塞被冲起,这个现象说明
对木塞做功,瓶内的水蒸气的温度
,内能减少,水蒸气的内能转化为木塞的
能.

查看答案和解析>>
科目:
来源:2005-2006学年江苏省扬州市高邮市九年级(上)期末物理试卷(解析版)
题型:填空题
如图所示的电路中,电源电压为3v,开关闭合后,电流表和电压表的读数分别是0.1A和2v,则R
2两端的电压是
v,R
2的电阻是
Ω,1min电流流过R
l产生的热量是
J.

查看答案和解析>>
科目:
来源:2005-2006学年江苏省扬州市高邮市九年级(上)期末物理试卷(解析版)
题型:填空题
小明修理电子设备时,需要一个12Ω的电阻,但他手边只有电阻值是30Ω、25Ω、20Ω、10Ω、8Ω、4Ω、2Ω的电阻各一个,他可以选择其中 和 的两个电阻 联(选填“串”、“并”)来获得.
查看答案和解析>>
科目:
来源:2005-2006学年江苏省扬州市高邮市九年级(上)期末物理试卷(解析版)
题型:填空题
待机就是电器关机而不必断开电源.但电器在待机状态下仍有能耗.下表是小明家两台电器的数据统计.这两台电器每天待机共耗电
度.若及时断开电源,他家每月可以节约电费
元.(电价为0.52元/度,每月按30天计算)

查看答案和解析>>
科目:
来源:2005-2006学年江苏省扬州市高邮市九年级(上)期末物理试卷(解析版)
题型:填空题
1911年,荷兰物理学家昂内斯发现,当水银的温度下降到一269℃时,其电阻就会完全消失,这种现象叫做“超导现象”,人们把具有这种现象的物体叫做超导体.在超导状态下,导体的电阻R= Ω,如果利用超导线进行远距离输电,导线 (填“会”或“不会”)发热.利用超导材料可以制成 .(选填“输电线”或“电阻丝”)
查看答案和解析>>
科目:
来源:2005-2006学年江苏省扬州市高邮市九年级(上)期末物理试卷(解析版)
题型:填空题
如图所示的电表,它是测量
的仪表,表面计数器的示数为
kW?h.该表下电路中最多允许接入“220V 40W”电灯
盏;若在4min内该表转盘匀速转动20周,则该用户正在使用的电器总功率为
W.

查看答案和解析>>