相关习题
0 83604 83612 83618 83622 83628 83630 83634 83640 83642 83648 83654 83658 83660 83664 83670 83672 83678 83682 83684 83688 83690 83694 83696 83698 83699 83700 83702 83703 83704 83706 83708 83712 83714 83718 83720 83724 83730 83732 83738 83742 83744 83748 83754 83760 83762 83768 83772 83774 83780 83784 83790 83798 235360
科目:
来源:2009-2010学年江苏省苏州市工业园区九年级(上)期末物理试卷(解析版)
题型:选择题
汽车仪表盘上有用来提醒司机车门未关好的指示灯,若四个车门中的任意一个车门未关好(车门相当于开关),该指示灯就会发光.下列电路图中最合理的是( )
A.

B.

C.

D.

查看答案和解析>>
科目:
来源:2009-2010学年江苏省苏州市工业园区九年级(上)期末物理试卷(解析版)
题型:选择题
提高机车的额定功率是铁路进一步提速要解决的一个重要课题.机车的输出功率等于牵引力与速度的乘积.若列车所受阻力与速度成正比,那么,列车提速前后分别以最高时速120km和180km在平直轨道上匀速行驶时,机车的输出功率之比为( )
A.2﹕3
B.3﹕2
C.4﹕9
D.9﹕4
查看答案和解析>>
科目:
来源:2009-2010学年江苏省苏州市工业园区九年级(上)期末物理试卷(解析版)
题型:选择题
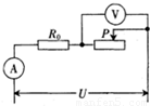
如图所示,将滑动变阻器滑片P从某一位置移动到另一位置,则电压表的示数由8V变为6V,电流表示数相应由0.4A变为0.6A,那么定值电阻R
的电功率改变量为(不计温度对电阻的影响,电源电压保持不变)( )

A.12W
B.4W
C.8W
D.2W
查看答案和解析>>
科目:
来源:2009-2010学年江苏省苏州市工业园区九年级(上)期末物理试卷(解析版)
题型:填空题
一节干电池的电压为 V,对人体安全的电压不高于 V.
查看答案和解析>>
科目:
来源:2009-2010学年江苏省苏州市工业园区九年级(上)期末物理试卷(解析版)
题型:填空题
如图所示,是一只光明牌灯泡的铭牌,该灯泡正常工作时的电压为
V,电阻是
Ω.

查看答案和解析>>
科目:
来源:2009-2010学年江苏省苏州市工业园区九年级(上)期末物理试卷(解析版)
题型:填空题
在市政建设中,经常看到工人用切割机切割水泥路面,在切割机工作时需不断地对锯片浇水,否则锯片会很快损坏,这是由于锯片在切割路面时不断做功,使锯片的内能 (选填“增加”或“减少”),温度升高.对锯片浇水,是通过 的方式让锯片的内能减少,温度降低(选填“热传递”或“做功”).
查看答案和解析>>
科目:
来源:2009-2010学年江苏省苏州市工业园区九年级(上)期末物理试卷(解析版)
题型:填空题
中央气象台每天都会发布全国主要城市的天气预报,右表列出的是2009年6月4日沿海城市天津和内地城市西安地气温情况.请根据两座城市的气温变化情况判别城市名称,甲是
,你做出判别的依据是
.

查看答案和解析>>
科目:
来源:2009-2010学年江苏省苏州市工业园区九年级(上)期末物理试卷(解析版)
题型:填空题
如图所示,是某办公楼内电梯结构示意图,钢链一端固定在A点,绕过电梯厢下端的两个滑轮后连接到电动机控制装置上.若拉力F在8s内匀速将质量为2t的电梯厢和乘客从一层提升12m至五层,则拉力F的大小为
N,拉力做功为
J(不计钢链重及摩擦,g取10N/kg).

查看答案和解析>>
科目:
来源:2009-2010学年江苏省苏州市工业园区九年级(上)期末物理试卷(解析版)
题型:填空题
有一种电源被称作“恒定电流源”,它能够对外提供大小不变的电流.现有一个恒定电流源,它对外提供大小为3A的电流,用它给一个标有“6V,12W”的灯泡供电,要使灯泡正常工作,需要给灯泡 联一个阻值为 Ω的电阻.
查看答案和解析>>
科目:
来源:2009-2010学年江苏省苏州市工业园区九年级(上)期末物理试卷(解析版)
题型:填空题
小明家的电能表参数如图所示,图中电能表显示的数值是他家6月初的示数,6月末他家电能表示数是

,则6月份小明家消耗的电能是
kW?h.他家可以同时使用的用电器的总功率最大是
W.

查看答案和解析>>