相关习题
 0  83671  83679  83685  83689  83695  83697  83701  83707  83709  83715  83721  83725  83727  83731  83737  83739  83745  83749  83751  83755  83757  83761  83763  83765  83766  83767  83769  83770  83771  83773  83775  83779  83781  83785  83787  83791  83797  83799  83805  83809  83811  83815  83821  83827  83829  83835  83839  83841  83847  83851  83857  83865  235360 

科目: 来源:2009-2010学年江苏省苏州市太仓市九年级(上)期末物理试卷(解析版) 题型:选择题

下面现象中物体动能和重力势能都发生变化的是( )
A.跳伞运动员在空中匀速下降
B.空中加速下落的冰雹
C.匀速上坡的汽车
D.在水平轨道上加速行驶的列车

查看答案和解析>>

科目: 来源:2009-2010学年江苏省苏州市太仓市九年级(上)期末物理试卷(解析版) 题型:选择题

下列四个电路图中与实物图相对应的是( )

A.
B.
C.
D.

查看答案和解析>>

科目: 来源:2009-2010学年江苏省苏州市太仓市九年级(上)期末物理试卷(解析版) 题型:选择题

如图所示电路,两盏相同的电灯在闭合开关后都能发光.过了一会儿,两盏电灯突然同时都不亮了,且电压表和电流表的示数均变为零.如果电路只有一处故障,则故障可能是( )

A.电灯L1断路
B.电灯L2断路
C.电灯L1短路
D.电灯L2短路

查看答案和解析>>

科目: 来源:2009-2010学年江苏省苏州市太仓市九年级(上)期末物理试卷(解析版) 题型:选择题

有两盏灯,甲灯上标有“36V 60W”,乙灯上标有“220V 60W”,当它们分别在其额定电压下发光时,会看到( )
A.甲灯比乙灯更亮
B.乙灯比甲灯更亮
C.两盏灯一样亮
D.无法确定哪盏灯更亮

查看答案和解析>>

科目: 来源:2009-2010学年江苏省苏州市太仓市九年级(上)期末物理试卷(解析版) 题型:选择题

如图,在弹簧测力计下端吊一块条形磁铁,将弹簧测力计水平向右移动时,弹簧测力计的示数将( )

A.逐渐变大
B.逐渐变小
C.先变小后变大
D.先变大后变小

查看答案和解析>>

科目: 来源:2009-2010学年江苏省苏州市太仓市九年级(上)期末物理试卷(解析版) 题型:选择题

白炽灯泡的电流随电压变化的图象如图所示,其中正确的是( )
A.
B.
C.
D.

查看答案和解析>>

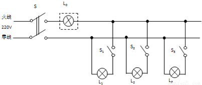
科目: 来源:2009-2010学年江苏省苏州市太仓市九年级(上)期末物理试卷(解析版) 题型:选择题

电工师傅常用一只标有“220V 40W”的灯泡L(检验灯泡)取代保险丝来检查新安装的照明电路中每个支路的情况,如图所示.当只闭合S、S1时L不亮;当只闭合S、S2时,L和L2都呈暗红色;当只闭合S、S3时,L正常发光.由此可以判断( )
A.L1所在的支路短路
B.L2所在的支路断路
C.L3所在的支路短路
D.各支路均完好

查看答案和解析>>

科目: 来源:2009-2010学年江苏省苏州市太仓市九年级(上)期末物理试卷(解析版) 题型:填空题

一节干电池的电压为    V,不高于    V的电压才是安全电压.

查看答案和解析>>

科目: 来源:2009-2010学年江苏省苏州市太仓市九年级(上)期末物理试卷(解析版) 题型:填空题

在日常生活中,我们常用    来辨别零线和火线;为了安全用电,当电路中电流过大时要自动切断电路,为达到这一要求,在家庭电路中应串联    器.

查看答案和解析>>

科目: 来源:2009-2010学年江苏省苏州市太仓市九年级(上)期末物理试卷(解析版) 题型:填空题

一段导体两端的电压是24V时,通过它的电流是0.6A,则导体的电阻是    Ω,当导体两端的电压是12V时,此导体的电阻是    Ω.

查看答案和解析>>

同步练习册答案