相关习题
0 83925 83933 83939 83943 83949 83951 83955 83961 83963 83969 83975 83979 83981 83985 83991 83993 83999 84003 84005 84009 84011 84015 84017 84019 84020 84021 84023 84024 84025 84027 84029 84033 84035 84039 84041 84045 84051 84053 84059 84063 84065 84069 84075 84081 84083 84089 84093 84095 84101 84105 84111 84119 235360
科目:
来源:2006-2007学年新人教版九年级(上)期末物理试卷1(解析版)
题型:填空题
如图所示的仪表名称是
,它是用来测量
的仪表,该表是小明家中4月初的示数,4月份用电为78.3度,则小明家4月底的示数为
kwh;根据该表的铭牌,他家同时工作的用电器的总功率不宜超过
W.家庭用的电冰箱和电视机的连接方式是
(选填“串”或“并”)联,小明如果只让一台1.5KW的空调工作20min,它的转盘将转
圈.

查看答案和解析>>
科目:
来源:2006-2007学年新人教版九年级(上)期末物理试卷1(解析版)
题型:填空题
热机是将内能转化成
能的机器;其中图6所示是热机的
冲程.在家庭电路中常用
辨别火线和零线;对人体的安全电压值是
v;高压输电的好处是
.

查看答案和解析>>
科目:
来源:2006-2007学年新人教版九年级(上)期末物理试卷1(解析版)
题型:填空题
如图所示,杠杆上每格等距,每个钩码重都是1N,当杠杆平衡时,弹簧测力计的示数为
N;若沿斜向上的方向拉弹簧测力计并保持杠杆在水平位置平衡,则弹簧测力计的示数将
.(变小/变大/不变)

查看答案和解析>>
科目:
来源:2006-2007学年新人教版九年级(上)期末物理试卷1(解析版)
题型:填空题
起重机在5s内将一个重2×104N的集装箱匀速提高2m,在这个过程中起重机的拉力做了 J的功,它的功率是 W.若起重机又将集装箱水平移动了3m,此时拉力做功 J,它的功率是 W.
查看答案和解析>>
科目:
来源:2006-2007学年新人教版九年级(上)期末物理试卷1(解析版)
题型:填空题
磁浮悬列车是利用 的原理实现悬浮,从而减小 提高运行速度的.
查看答案和解析>>
科目:
来源:2006-2007学年新人教版九年级(上)期末物理试卷1(解析版)
题型:填空题
在某一温度下,两个电路元件A和B中的电流与其两端电压的关系如图所示.则由图可知,元件A的电阻为
Ω;将A和B并联后接在电压为2V的电源两端,则通过A和B的总电流是
A,将A和B串联后接在电压为3V的电源两端,则A的电功率是
W.

查看答案和解析>>
科目:
来源:2006-2007学年新人教版九年级(上)期末物理试卷1(解析版)
题型:填空题
如图所示是一串规格相同的彩灯,电路中a、b、c三处导线未接通.问:这些彩灯的连接方式是
(串联/并联);当把电源接通时,能亮的灯是
(填灯的编号);欲使9盏电灯都亮,应采取的方法是
.

查看答案和解析>>
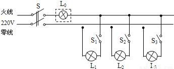
科目:
来源:2006-2007学年新人教版九年级(上)期末物理试卷1(解析版)
题型:填空题
电工师傅常用一只额定电压为220V的灯泡L
(检验灯泡)取代保险丝来检查新安装的照明电路中每个支路的情况,如图所示.当S闭合后,再分别闭合S
1、S
2、S
3(每次只能闭合其中之一)时,可能出现以下三种情况,试判断(选填:“短路”、“断路”或“正常”):
(1)L
不亮,说明该支路
.
(2)L
正常发光,说明该支路
.
(3)L
发光呈暗红色,说明该支路
.

查看答案和解析>>
科目:
来源:2006-2007学年新人教版九年级(上)期末物理试卷1(解析版)
题型:解答题

在图中根据小磁针静止时的指向标出通电螺线管的两极和电源的正负极.
查看答案和解析>>
科目:
来源:2006-2007学年新人教版九年级(上)期末物理试卷1(解析版)
题型:解答题
在如图所示的滑轮组上绕线,使匀速提升重物G时最省力.

查看答案和解析>>