相关习题
0 83943 83951 83957 83961 83967 83969 83973 83979 83981 83987 83993 83997 83999 84003 84009 84011 84017 84021 84023 84027 84029 84033 84035 84037 84038 84039 84041 84042 84043 84045 84047 84051 84053 84057 84059 84063 84069 84071 84077 84081 84083 84087 84093 84099 84101 84107 84111 84113 84119 84123 84129 84137 235360
科目:
来源:2007-2008学年江苏省苏州市相城区九年级(上)期末物理试卷(解析版)
题型:选择题
现在许多商店和宾馆都安装了弹簧门,弹簧门在被推开后能自动关闭.以下有关于弹簧门被推开后自行关闭的过程中能量转化的说法,正确的是( )
A.弹簧的弹性势能转化为门的动能
B.门的动能转化为弹簧的弹性势能
C.门的势能转化为弹簧的动能
D.弹簧的动能转化为门的势能
查看答案和解析>>
科目:
来源:2007-2008学年江苏省苏州市相城区九年级(上)期末物理试卷(解析版)
题型:选择题

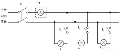
电工师傅常用一只标有“220V 40W”的灯泡L
(检验灯泡)取代保险丝来检查新安装的照明电路中每个支路的情况,如图所示.当只闭合S、S
1时L
不亮;当只闭合S、S
2时,L
和L
2都呈暗红色;当只闭合S、S
3时,L
正常发光.由此可以判断( )
A.L
1所在的支路短路
B.L
2所在的支路断路
C.L
3所在的支路短路
D.各支路均完好
查看答案和解析>>
科目:
来源:2007-2008学年江苏省苏州市相城区九年级(上)期末物理试卷(解析版)
题型:选择题
为测量家中某型号电视机的待机功率,小明把家中其余用电器均从电源上断开,只将电视机接通电源并处在待机状态,观察家中电能表,发现2h内转盘转了6圈,电能表的部分技术参数如上表所示,该电视机的待机功率是( )
| 电压 | 220V |
| 电流规格 | 10(40)A |
| 频率 | 50Hz |
| 每千瓦时的转数 | 300r/ |
A.5W
B.10W
C.15W
D.20W
查看答案和解析>>
科目:
来源:2007-2008学年江苏省苏州市相城区九年级(上)期末物理试卷(解析版)
题型:选择题
如图所示,使用中属于费力杠杆的工具是( )
A.

B.

C.

D.

查看答案和解析>>
科目:
来源:2007-2008学年江苏省苏州市相城区九年级(上)期末物理试卷(解析版)
题型:选择题
如图所示,木制小船模型漂浮在静止的水面上,船上安装了一只电磁铁,船头A指向东,若接通开关S,则小船将会在水平面内自由转动,当小船再次处于静止状态时,船头A指向( )

A.东
B.南
C.西
D.北
查看答案和解析>>
科目:
来源:2007-2008学年江苏省苏州市相城区九年级(上)期末物理试卷(解析版)
题型:选择题
法拉第发现的电磁感应现象,是物理学史上的一个伟大发现,它使人类从蒸汽机时代步入了电气化时代.下列设备中,根据电磁感应原理制成的是( )
A.汽油机
B.发电机
C.电动机
D.电熨斗
查看答案和解析>>
科目:
来源:2007-2008学年江苏省苏州市相城区九年级(上)期末物理试卷(解析版)
题型:选择题
如图所示,当甲电路中的开关S闭合时,两个电压表的指针位置均为如图乙所示,则电阻R
1和R
2两端的电压分别为( )

A.1.2V,6V
B.6V,1.2V
C.4.8V,1.2V
D.1.2V,4.8V
查看答案和解析>>
科目:
来源:2007-2008学年江苏省苏州市相城区九年级(上)期末物理试卷(解析版)
题型:填空题
如图所示,物体A和B所受重力都为120N,滑轮重力不计,当分别用力匀速提升重物A和B时,F
A为
N;F
B为
N.

查看答案和解析>>
科目:
来源:2007-2008学年江苏省苏州市相城区九年级(上)期末物理试卷(解析版)
题型:填空题
人类的太空旅行已不是梦想,2007年4月,世界第五位太空旅客查尔斯?希莫尼成功完成了又一次太空旅行,在飞船加速上升时,其动能 ,重力势能 ,机械能 (选填“增大”、“减小”或“不变“).
查看答案和解析>>
科目:
来源:2007-2008学年江苏省苏州市相城区九年级(上)期末物理试卷(解析版)
题型:填空题
家庭电路的电压是 V,对人体的安全电压应不高于 V.
查看答案和解析>>